电脑桌面
添加小米粒文库到电脑桌面
安装后可以在桌面快捷访问

压力容器审计检查表项目和内容介绍VIP免费

压力容器审计检查表项目和内容介绍_第1页
1/14
压力容器审计检查表项目和内容介绍_第2页
2/14
压力容器审计检查表项目和内容介绍_第3页
3/14
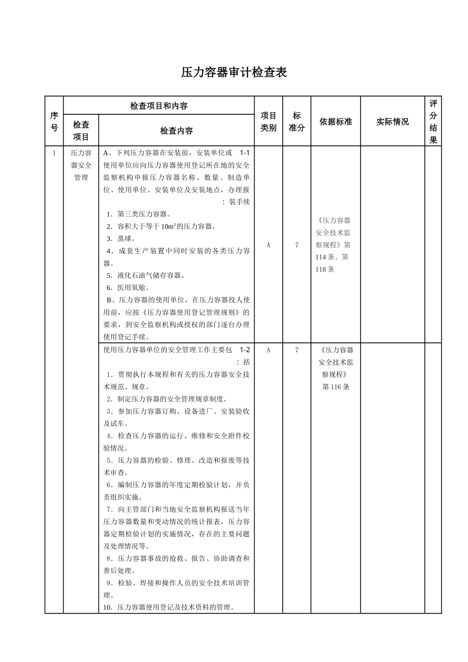
压力容器审计检查表序号检查项目和内容项目类别标准分依据标准实际情况评分结果检查项目检查内容1压力容器安全管理1-1A、下列压力容器在安装前,安装单位或使用单位应向压力容器使用登记所在地的安全监察机构申报压力容器名称、数量、制造单位、使用单位、安装单位及安装地点,办理报装手续:1.第三类压力容器。2.容积大于等于10m3的压力容器。3.蒸球。4.成套生产装置中同时安装的各类压力容器。5.液化石油气储存容器。6.医用氧舱。B、压力容器的使用单位,在压力容器投人使用前,应按《压力容器使用登记管理规则》的要求,到安全监察机构或授权的部门逐台办理使用登记手续。A7《压力容器安全技术监察规程》第114条、第118条1-2使用压力容器单位的安全管理工作主要包括:1.贯彻执行本规程和有关的压力容器安全技术规范、规章。2.制定压力容器的安全管理规章制度。3.参加压力容器订购、设备进厂、安装验收及试车。4.检查压力容器的运行、维修和安全附件校验情况。5.压力容器的检验、修理、改造和报废等技术审查。6.编制压力容器的年度定期检验计划,并负责组织实施。7.向主管部门和当地安全监察机构报送当年压力容器数量和变动情况的统计报表,压力容器定期检验计划的实施情况,存在的主要问题及处理情况等。8.压力容器事故的抢救、报告、协助调查和善后处理。9.检验、焊接和操作人员的安全技术培训管理。10.压力容器使用登记及技术资料的管理。A7《压力容器安全技术监察规程》第116条1-3压力容器的使用单位,必须建立压力容器技术档案并由管理部门统一保管。技术档案的内容应包括:1.压力容器档案卡。2.压力容器设计文件。3.压力容器制造、安装技术文件和资料。4.检验、检测记录,以及有关检验的技术文件和资料。5.修理方案,实际修理情况记录,以及有关技术文件和资料。6.压力容器技术改造的方案、图样、材料质量证明书、施工质量检验技术文件和资料。7.安全附件校验、修理和更换记录。8.有关事故的记录资料和处理报告。A7《压力容器安全技术监察规程》第117条A中板厂压力容器安全技术档案记录不全。1-4压力容器的使用单位,应在工艺操作规程和岗位操作规程中,明确提出压力容器安全操作要求,其内容至少应包括:1、压力容器的操作工艺指标(含最高工作压力、最高或最低工作温度)。2、压力容器的岗位操作法(含开、停车的操作程序和注意事项)。3、压力容器运行中应重点检查的项目和部位,运行中可能出现的异常现象和防止措施,以及紧急情况的处置和报告程序。B5《压力容器安全技术监察规程》第119条1压力容器安全管理1-5压力容器使用单位的领导,必须重视压力容器的安全工作,应指定具有压力容器专业知识的工程技术人员负责压力容器的安全技术管理。压力容器使用单位的主管领导必须对压力容器的安全技术管理负责。A7《冶金工业部压力容器安全技术管理规程》第61条1-6企业的压力容器安全技术管理工作,应由安全、设备(或机动)部门指派专人负责,并做到分工明确,各负其责。主要职责如下:1.积极宣传贯彻压力容器安全法规、规程、规定等,并监督有关单位执行;2.负责组织制定或审定有关压力容器的规程和规章制度;3.组织或参与压力容器的设计、引进、制造、安装、检验、修理、改造及报废等有关方案的审查,竣工验收及试车工作;4.监督检查压力容器的运行、维修和安全附件的校验情况,掌握压力容器的技术状况,及时处理各种隐患,有权制止违章作业和违章指挥的行为,有权停止危险设备运行;5.编制、审批压力容器年度定期检验、检修计划,并组织实施;A7《冶金工业部压力容器安全技术管理规程》第62条B炼钢厂在用部分压力容器未取得检验合格标签、报告。6.负责压力容器的建档、技术资料管理和办理压力容器注册登记、取证工作;7.负责组织有关部门对压力容器检验人员、焊工、操作工进行安全技术培训和技术考核,办理取证手续,有权制止无证人员操作;8.参加压力容器事故调查分析,提出防范措施和处理意见,按规定及时向上级主管部门和劳动部门上报所要求的事故资料及报告;9.及时向主管部门和当地劳动部门报送所要求的统计报表和有关资...

1、当您付费下载文档后,您只拥有了使用权限,并不意味着购买了版权,文档只能用于自身使用,不得用于其他商业用途(如 [转卖]进行直接盈利或[编辑后售卖]进行间接盈利)。
2、本站所有内容均由合作方或网友上传,本站不对文档的完整性、权威性及其观点立场正确性做任何保证或承诺!文档内容仅供研究参考,付费前请自行鉴别。
3、如文档内容存在违规,或者侵犯商业秘密、侵犯著作权等,请点击“违规举报”。

碎片内容

压力容器审计检查表项目和内容介绍

您可能关注的文档

确认删除?
VIP
微信客服
  • 扫码咨询
会员Q群
  • 会员专属群点击这里加入QQ群
客服邮箱
回到顶部