电脑桌面
添加小米粒文库到电脑桌面
安装后可以在桌面快捷访问

信息科技考试工作手册VIP免费

信息科技考试工作手册_第1页
1/13
信息科技考试工作手册_第2页
2/13
信息科技考试工作手册_第3页
3/13
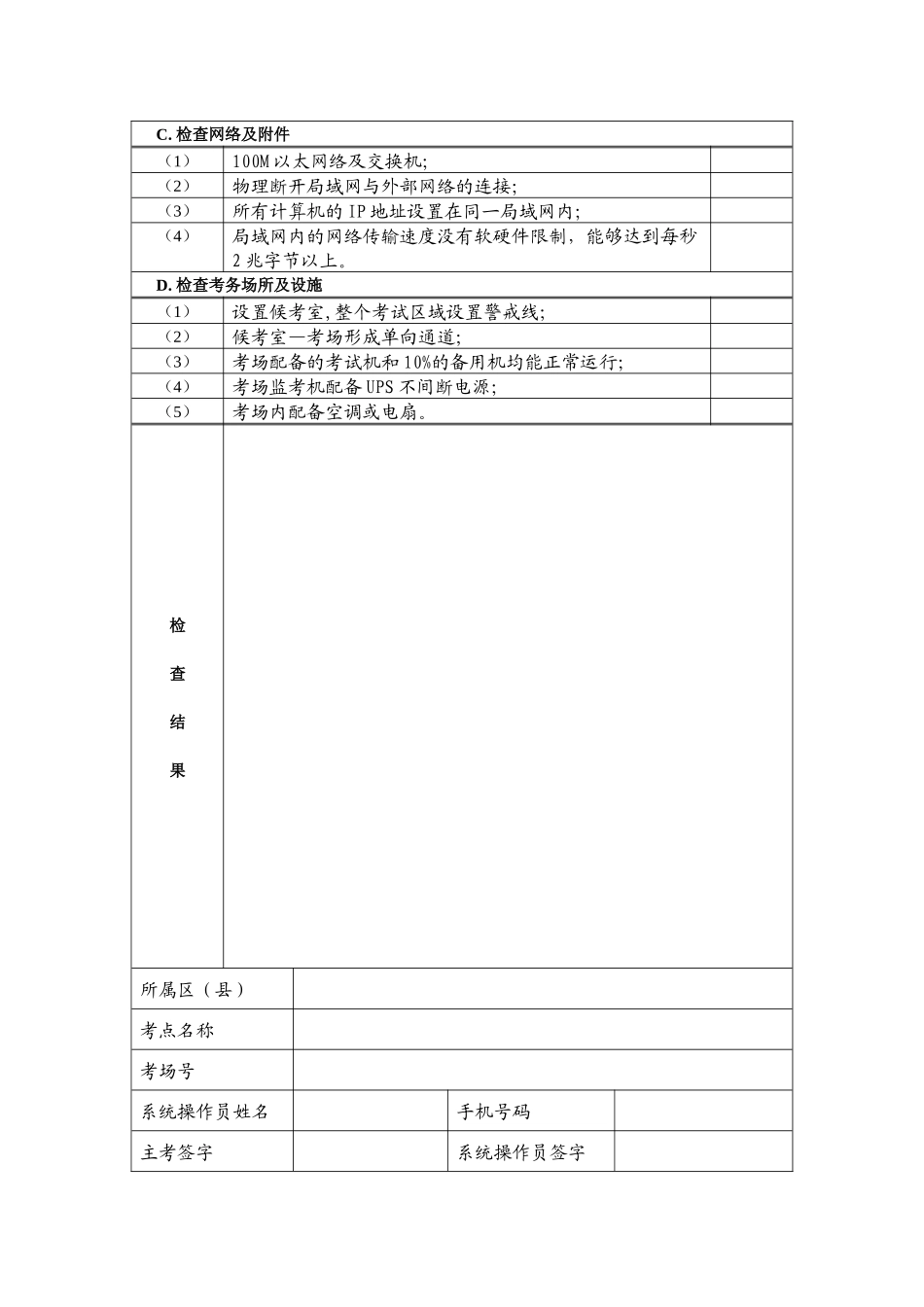
上海市普通高中学业水平考试《信息科技》考试工作手册上海市教育考试院二〇一〇年五月考前准备和检查流程单A.检查所有学生用考试机(1)满足考试用最低硬件配置要求;(2)操作系统为Windows2000、XP中文版;安装最新的操作系统补丁;安装规定的应用软件;(3)时钟校准到北京标准时间;(4)查杀病毒,确保系统干净无病毒;(5)关闭WindowsXP自带的防火墙;(6)卸载或关闭360安全卫士、诺顿、ZoneAlarm、天网、瑞星、卡巴斯基等防火墙和杀毒软件;关闭电子教室软件客户端;(7)显示器支持1024x768分辨率(确认支持此分辨率即可);(8)没有修改过系统DPI分辨率设置(96DPI的默认设置);(9)检查硬盘分区,确保系统分区有3G以上可用空间,并可正常读写数据;(10)关掉屏幕保护程序,并将电源各项选择设置为“从不关闭”,避免长时间考试过程中计算机自动关闭显示器、硬盘、自动休眠待机等;(11)打开还原卡,以保护机考所需软件不被更改,但要保证至少有一个硬盘分区不受还原卡保护,以保存考生数据。确保有备用计算机。B.检查监考机(1)满足考试用最低硬件配置要求;(2)关闭还原卡;(3)操作系统为Windows2000、XP、2003中文版(如果是Windows2000,则需要安装SP4补丁);安装最新的操作系统补丁;(4)时钟校准到北京标准时间;(5)卸载或禁用IIS、ServU、Apache、Tomcat等占用80、21端口的服务器程序;(6)查杀病毒,确保系统干净无病毒;(7)关闭WindowsXP自带的防火墙;(8)卸载或关闭安全卫士360、诺顿、ZoneAlarm、天网、瑞星、卡巴斯基等防火墙和杀毒软件;(9)显示器分辨率为1024x768或更高;(10)检查硬盘分区,确保某个分区有30G以上可用空间,用来保存考试的考卷和所有考生的答卷数据;(11)检查并确保监考机上除考试所用的网卡外,禁用其他网卡;(12)每个考场应配有一台备用监考机,备用机的系统配置要求同监考机。C.检查网络及附件(1)100M以太网络及交换机;(2)物理断开局域网与外部网络的连接;(3)所有计算机的IP地址设置在同一局域网内;(4)局域网内的网络传输速度没有软硬件限制,能够达到每秒2兆字节以上。D.检查考务场所及设施(1)设置候考室,整个考试区域设置警戒线;(2)候考室—考场形成单向通道;(3)考场配备的考试机和10%的备用机均能正常运行;(4)考场监考机配备UPS不间断电源;(5)考场内配备空调或电扇。检查结果所属区(县)考点名称考场号系统操作员姓名手机号码主考签字系统操作员签字巡检人员签字巡检日期注:1.请对照以上项目逐项检查落实,在其后面表格内打钩,最后在检查结果中写明检查情况,尤其是出现的问题要清楚写明,可另附纸。2.本表双面打印,每考场一份,签字盖章后交区(县)招生办(考试中心)。考试操作规程说明A.导入考生信息表(1)正式考试前,各区(县)招生办(考试中心)从市教育考试院获取本区县考生信息库文件(后缀为.sdf文件)。(2)正式考试前各考点学校从区(县)招生办(考试中心)获取本校考生信息库文件(后缀为.sdf文件)。(3)各考点学校在每个考场的监考机中载入考生信息库,正确选择考场号。注:各考点学校在考前需安装时间校对程序,进行时间校对工作,否则无法进行考试。B.导入试卷(1)正式考试前各考点从区(县)招生办(考试中心)获取试题光盘、试卷加密狗和操作步骤说明。各考点将光盘中的试题“2010年上海市普通高中学业水平考试信息科技考试试卷.zip”文件复制到监考机硬盘上,并用校验工具进行校验,确认试卷无误。校验方法:运行“试卷校验.exe”,若看到校验成功的提示信息,则校验通过,否则请重新复制试题再次校验直至校验成功。(2)将校验无误的试卷压缩包文件解压到硬盘中。解压方法:用常见的zip压缩工具解压,可以得到总计8个试卷文件,分别用于考试当天的相应场次。(3)各考场系统操作员在规定的时间将相应场次的试卷文件导入到监考机。注意:每个场次所用试卷不同,且每场次的试卷只能用于该场次,在每个场次开始前必须更换试卷。A.各场次使用的试卷及打开时间如下:场次时间使用试卷打开时间7月3日上午第1场次8:00-9:00第1场次试卷7:50第2场...

1、当您付费下载文档后,您只拥有了使用权限,并不意味着购买了版权,文档只能用于自身使用,不得用于其他商业用途(如 [转卖]进行直接盈利或[编辑后售卖]进行间接盈利)。
2、本站所有内容均由合作方或网友上传,本站不对文档的完整性、权威性及其观点立场正确性做任何保证或承诺!文档内容仅供研究参考,付费前请自行鉴别。
3、如文档内容存在违规,或者侵犯商业秘密、侵犯著作权等,请点击“违规举报”。

碎片内容

信息科技考试工作手册

确认删除?
VIP
微信客服
  • 扫码咨询
会员Q群
  • 会员专属群点击这里加入QQ群
客服邮箱
回到顶部