电脑桌面
添加小米粒文库到电脑桌面
安装后可以在桌面快捷访问

压力容器作业文件VIP免费

压力容器作业文件_第1页
1/131
压力容器作业文件_第2页
2/131
压力容器作业文件_第3页
3/131
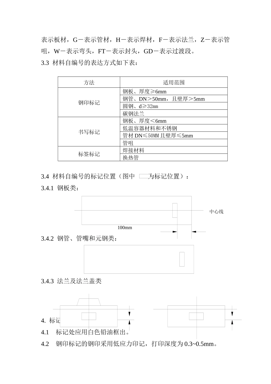
1.目的和适用范围为了使压力容器材料标识统一规范,具有唯一性和可追溯性。本规定适用于压力容器受压元件和焊接材料。2.材料标识的内容2.1进货材料均应按QCP01-04《采购控制程序》进行检验和试验。并按QCP01-12《检验、试验和检验、试验状态控制程序》作好状态标识。2.2状态标识的合格区、待验区、不合格区以及材料类别和区域标识,用标牌标识。材料的产品标识用标签。2.3经检验合格的受压元件和焊接材料要存入在合格区内,并用标签标识以下内容:2.3.1库区排位:2.3.2名称、规格、材质、数量;2.3.3产地2.3.4材料自编号3.材料自编号3.1材料自编号由材料检验员编制,并在合格材料入库通知单中注明交保管员。材料自编号由四部分组成:3.1.1到货年度;3.1.2到货月份;3.1.3材料代号;3.1.4批次代号。3.2材料代号用材料名称的汉语拼音的第一个字母大写表示。如B-表示板材,G-表示管材,H-表示焊材,F-表示法兰,Z-表示管咀,W-表示弯头,FT-表示封头,GD-表示过渡段。3.3材料自编号的表达方式如下表:方法适用范围钢印标记钢板、厚度≥6mm钢管、DN>50mm,且壁厚>5mm圆钢、d≥32mm碳钢法兰书写标记钢板、厚度<6mm低温容器材料和不锈钢管材DN≤50MM且壁厚≤5mm管咀标签标记焊接材料换热管3.4材料自编号的标记位置(图中为标记位置):3.4.1钢板类:100mm3.4.2钢管、管嘴和元钢类:3.4.3法兰及法兰盖类b/2b/24.标记移植4.1标记处应用白色铅油框出。4.2钢印标记的钢印采用低应力印记,打印深度为0.3~0.5mm。中心线4.3受压元件领出时,计划员根据工艺文件填写限额领料单,保管员根据限额领料单的规格型号和库存,填写材料自编号,材料检验员核对限额领料单,实物与工艺文件相符后,在限额领料单上盖章确认。4.4切割发放的材料,保管员应先将材料自编号移植到没有标记的一边,并经材料检验员确认无误后,方可切割发放。4.5当移植的标记磨损或丢失后,应按QCP01-05《产品标识和可追溯性控制程序》进行追回和补齐。压力容器铭牌规定1.总则:本工艺适用于压力容器制造的铭牌标识。2.铭牌的制造2.1产品铭牌的尺寸、内容、格式一般按图2-1规定执行。2.2铭牌的边框、文字、方块为凸面磨光本色,底为凹面黑色烤漆面,φ3孔为黑色凹面,安装时配钻。2.3铭牌内的文字均为长仿宋体,铭牌内容及外形尺寸详见图03-12.4一般用途的产品,其铭牌可用普通质量硬纯铝板,表面经无色阳极氧化处理。2.5若产品设计工艺文件对铭牌有特别要求(包括尺寸、内容、格式、材料等)时,按设计工艺文件规定执行。3.产品铭牌的安装3.1卧式容器一般安装在封头中心线上方或筒体水平中心线的上方。3.2立式容器(塔器)一般安装在筒体下部1.4~1.6米处。3.3若图样或工艺文件对铭牌安装位置有特殊要求时,以图样或工艺文件为准。3.4安装铭牌时,先将铭牌支架焊在产品表面上,然后再将铭牌铆接在其支架上。支架所用材料和产品焊接处的材料相同或相近。支架的外形尺寸应为长X宽X高=200X120X50(若容器有保温层时,根据保温层厚度确定铭牌的高度),支架板厚为3~5mm。3.5产品在压力试验前应将铭牌支架焊在产品上,对有热处理要求的产品,应在热处理前将铭牌支架焊在产品上,与产品一同进行热处理。3.6产品制造完后,经劳动部门驻厂检查员检查合格后,在铭牌上打上检查员钢印号,产品方可出厂。容器名称180图03-1铭牌尺寸图容器放样下料工艺1.总则1.1本工艺适用于碳素钢、低合金钢,不锈钢及不锈复合钢制压力110监检标记孔Ф3产品编号容器类型产品标准容器净重kg容积m3许可证编号设计压力最高工作压力MPa耐压试验压力MPa设计温度℃介质制造日期R4设备编号注册编号铭牌的拓印件存于压力容器产品质量证明书中本设备须经当地锅炉压力容器安全监察机构登记注册并发给注册编号后方能投入使用青岛现代锅炉成套设备有限公司容器制造的下料工序。1.2对不锈钢制压力容器还应遵照不锈钢制压力容器制造工艺的规定执行。1.3本工艺是压力容器制造指导性通用工艺文件;须与产品工艺文件配合使用,如产品工艺文件有特殊要求时,以产品工艺文件为准。2.一般要求2.1排版人员必须由经验丰富的铆工负责进行,排板图经过审批后方可下料。2.2...

1、当您付费下载文档后,您只拥有了使用权限,并不意味着购买了版权,文档只能用于自身使用,不得用于其他商业用途(如 [转卖]进行直接盈利或[编辑后售卖]进行间接盈利)。
2、本站所有内容均由合作方或网友上传,本站不对文档的完整性、权威性及其观点立场正确性做任何保证或承诺!文档内容仅供研究参考,付费前请自行鉴别。
3、如文档内容存在违规,或者侵犯商业秘密、侵犯著作权等,请点击“违规举报”。

碎片内容

压力容器作业文件

海纳百川+ 关注
实名认证
内容提供者

热爱教学事业,对互联网知识分享很感兴趣

确认删除?
VIP
微信客服
  • 扫码咨询
会员Q群
  • 会员专属群点击这里加入QQ群
客服邮箱
回到顶部