电脑桌面
添加小米粒文库到电脑桌面
安装后可以在桌面快捷访问

员工待遇办法VIP免费

员工待遇办法_第1页
1/5
员工待遇办法_第2页
2/5
员工待遇办法_第3页
3/5
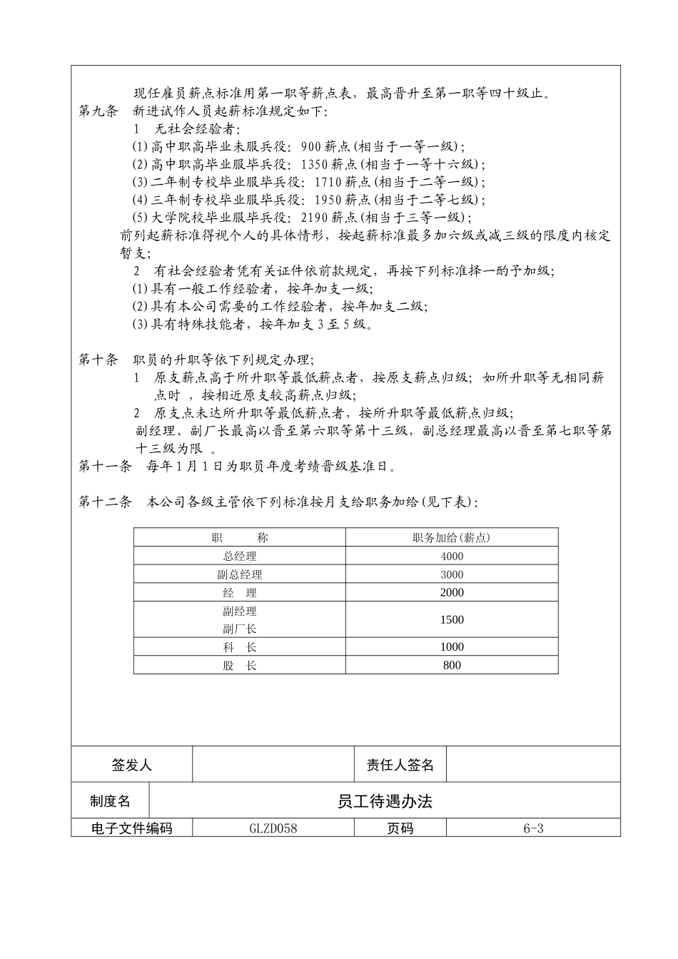
制度名员工待遇办法电子文件编码GLZD058页码6-2制度名员工待遇办法电子文件编码GLZD058页码6-1第一条职员的待遇事项,除职员管理办法另有规定外,依本办法规定;现任雇员依此执行。第二条职员待遇项目为:1薪金;2加班费;3奖金;4补助费。第三条下列款项得从待遇项目中扣缴;1薪金所得税;2产业工会会费;3职工福利金及福利社的欠款;4劳工保险费或人寿保险费;5其他必要的款项。第四条以薪点计给的各项待遇,换算公式如下:薪点×薪金指数×生活补助指数=货币量;薪金指数:依市政府编印统计月报所载都市消费者物价总指数换算;生活补助指数最高以1.25为限。第五条职员薪金体系如下:薪薪金——给职务加给第六条职员薪金依任用等级按月支给。第七条下列情况的薪金不予扣减:1依职员管理办法规定请假者;2因公出差者;3奉调受训者;4奉派考察者。第八条职员薪给采用薪点制,各等级薪点依“月薪人员薪点表”(见下表)规定:签发人责任人签名月薪人员薪点表等职第一职等第二职等第三职等第四职等第五职等第六职等第七职等职位一等办事员一等技术员二等办事员二等技术员三等办事员三等技术员四等管理师四等工程师五等管理师五等工程师六等管理师六等工程师副总经理总经理级数190017102190294040205559787529301750224030004095569079953960179022903060417057858115499018302340312042455880823551020187023903180432059758355610501910244032404395607084757108019502490318044706165859581110199025403360454562608715911402030259034204600633588351011702070264034804665645089551112002110269035404770654590751212302150274036004845664099151312602190279036604920673593151412902230284037204995693094351513202270289037805070692595551613502310294038405145702096751713802350299039005220711597951814102390304039605295721099151914402430309040205370730510035201470247031404080544574951027521150025103190414055207495102752215302550324042005595759010395231590259032904160567076851051524159026303340432057457780106352516202670339043805820787510755261650271680281710291740301770311800321830331860341890351920361950371980382010392040402070签发人责任人签名制度名员工待遇办法电子文件编码GLZD058页码6-3现任雇员薪点标准用第一职等薪点表,最高晋升至第一职等四十级止。第九条新进试作人员起薪标准规定如下:1无社会经验者:(1)高中职高毕业未服兵役:900薪点(相当于一等一级);(2)高中职高毕业服毕兵役:1350薪点(相当于一等十六级);(3)二年制专校毕业服毕兵役:1710薪点(相当于二等一级);(4)三年制专校毕业服毕兵役:1950薪点(相当于二等七级);(5)大学院校毕业服毕兵役:2190薪点(相当于三等一级);前列起薪标准得视个人的具体情形,按起薪标准最多加六级或减三级的限度内核定暂支;2有社会经验者凭有关证件依前款规定,再按下列标准择一酌予加级;(1)具有一般工作经验者,按年加支一级;(2)具有本公司需要的工作经验者,按年加支二级;(3)具有特殊技能者,按年加支3至5级。第十条职员的升职等依下列规定办理;1原支薪点高于所升职等最低薪点者,按原支薪点归级;如所升职等无相同薪点时,按相近原支较高薪点归级;2原支点未达所升职等最低薪点者,按所升职等最低薪点归级;副经理、副厂长最高以晋至第六职等第十三级,副总经理最高以晋至第七职等第十三级为限。第十一条每年1月1日为职员年度考绩晋级基准日。第十二条本公司各级主管依下列标准按月支给职务加给(见下表):职称职务加给(薪点)总经理4000副总经理3000经理2000副经理副厂长1500科长1000股长800签发人责任人签名制度名员工待遇办法电子文件编码GLZD058页码6-3兼任主管支领较高职位的职务加给。第十三条代理主管的职务加给标准如下:1上级或同级主管兼代下级或同级主管者,不另支给职务加给;2下级主管代理上级代理主管,支给所代理职位的职务加给;3未支领职务加给的代理主管,支给所代理职位的职务加给;4代理始期在当月15日以前者,支给全月份职...

1、当您付费下载文档后,您只拥有了使用权限,并不意味着购买了版权,文档只能用于自身使用,不得用于其他商业用途(如 [转卖]进行直接盈利或[编辑后售卖]进行间接盈利)。
2、本站所有内容均由合作方或网友上传,本站不对文档的完整性、权威性及其观点立场正确性做任何保证或承诺!文档内容仅供研究参考,付费前请自行鉴别。
3、如文档内容存在违规,或者侵犯商业秘密、侵犯著作权等,请点击“违规举报”。

碎片内容

员工待遇办法

您可能关注的文档

确认删除?
VIP
微信客服
  • 扫码咨询
会员Q群
  • 会员专属群点击这里加入QQ群
客服邮箱
回到顶部