电脑桌面
添加小米粒文库到电脑桌面
安装后可以在桌面快捷访问

江西省汽车维修行业申请开业技术条件VIP免费

江西省汽车维修行业申请开业技术条件_第1页
1/6
江西省汽车维修行业申请开业技术条件_第2页
2/6
江西省汽车维修行业申请开业技术条件_第3页
3/6
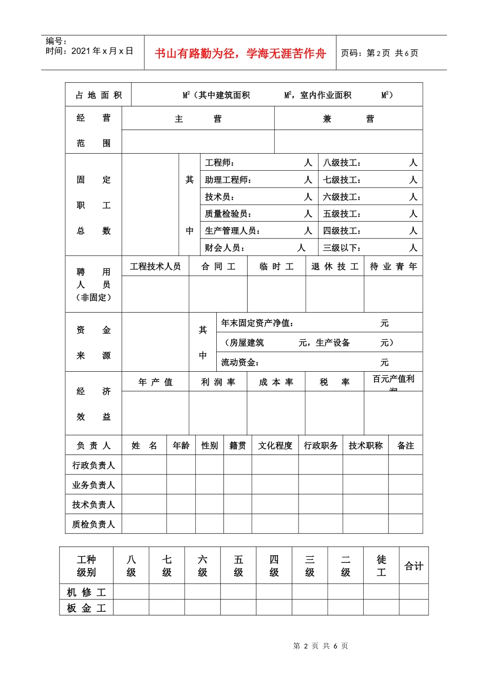
第1页共6页编号:时间:2021年x月x日书山有路勤为径,学海无涯苦作舟页码:第1页共6页江西省汽车维修行业申请开业技术条件审批表业户名称:详细地址:业户主管部门:鹰潭市汽车维修行业管理办公室翻印业户名称经济性质主管单位技术等级详细地址联系电话第2页共6页第1页共6页编号:时间:2021年x月x日书山有路勤为径,学海无涯苦作舟页码:第2页共6页占地面积M2(其中建筑面积M2,室内作业面积M2)经营范围主营兼营固定职工总数其中工程师:人八级技工:人助理工程师:人七级技工:人技术员:人六级技工:人质量检验员:人五级技工:人生产管理人员:人四级技工:人财会人员:人三级以下:人聘用人员(非固定)工程技术人员合同工临时工退休技工待业青年资金来源其中年末固定资产净值:元(房屋建筑元,生产设备元)流动资金:元经济效益年产值利润率成本率税率百元产值利润负责人姓名年龄性别籍贯文化程度行政职务技术职称备注行政负责人业务负责人技术负责人质检负责人工种级别八级七级六级五级四级三级二级徒工合计机修工板金工第3页共6页第2页共6页编号:时间:2021年x月x日书山有路勤为径,学海无涯苦作舟页码:第3页共6页电工漆工木工装饰工胎工锻工金工合计大修能力月大修车辆部;大修单位成本元/千元维修能力月三保车辆部;三保单位成本元/千元保养能力月一保车辆部;一二保养单位成本元/千元通用设备名称规格型号数量使用年限技术状况专用设备名称规格型号数量使用年限技术状况检测设备名称规格型号数量使用年限技术状况工具名称第4页共6页第3页共6页编号:时间:2021年x月x日书山有路勤为径,学海无涯苦作舟页码:第4页共6页申请理由和要求(盖章)年月日主管单位意见(盖章)年月日调查意见调查人(盖章)年月日审批意见(盖章)年月日发证登记经审定符合类开业标准,具备条件技术合格证。字第号经办人签发日期年月日(四)非机动渡工办证程序第5页共6页第4页共6页编号:时间:2021年x月x日书山有路勤为径,学海无涯苦作舟页码:第5页共6页一、受理单位:贵溪市交通局、贵溪市民间渡口管理站二、办事程序:1、本人提出申请,经所属乡镇人民政府同意。2、申请人到贵溪市民间渡口管理站领取《贵溪市渡工发证登记表》,填好后到乡镇人民政府请有关领导签字并盖章。3、由贵溪市民间渡口管理站派工作人员到现场对申请人进行理论考核和实际操作考核,并签署意见。4、考核合格者到贵溪市交通局办理《渡工证》。三、申报材料:《贵溪市渡工发证登记表》、《船舶检验证书》、《船舶登记证书》四、收费标准:免费五、承诺时间:考核合格者七天内可办好《渡工证》。六、办事地点:贵溪市民间渡口管理站七、联系电话:3771068监督电话:3771321贵溪市渡工发证登记表第6页共6页第5页共6页编号:时间:2021年x月x日书山有路勤为径,学海无涯苦作舟页码:第6页共6页姓名性别出生年月籍贯学历政治面貌现住地址渡口名称渡工证编号本人申请年月日乡镇意见年月日审批单位意见年月日

1、当您付费下载文档后,您只拥有了使用权限,并不意味着购买了版权,文档只能用于自身使用,不得用于其他商业用途(如 [转卖]进行直接盈利或[编辑后售卖]进行间接盈利)。
2、本站所有内容均由合作方或网友上传,本站不对文档的完整性、权威性及其观点立场正确性做任何保证或承诺!文档内容仅供研究参考,付费前请自行鉴别。
3、如文档内容存在违规,或者侵犯商业秘密、侵犯著作权等,请点击“违规举报”。

碎片内容

江西省汽车维修行业申请开业技术条件

您可能关注的文档

确认删除?
VIP
微信客服
  • 扫码咨询
会员Q群
  • 会员专属群点击这里加入QQ群
客服邮箱
回到顶部