电脑桌面
添加小米粒文库到电脑桌面
安装后可以在桌面快捷访问

员工培训与元件知识VIP免费

员工培训与元件知识_第1页
1/9
员工培训与元件知识_第2页
2/9
员工培训与元件知识_第3页
3/9
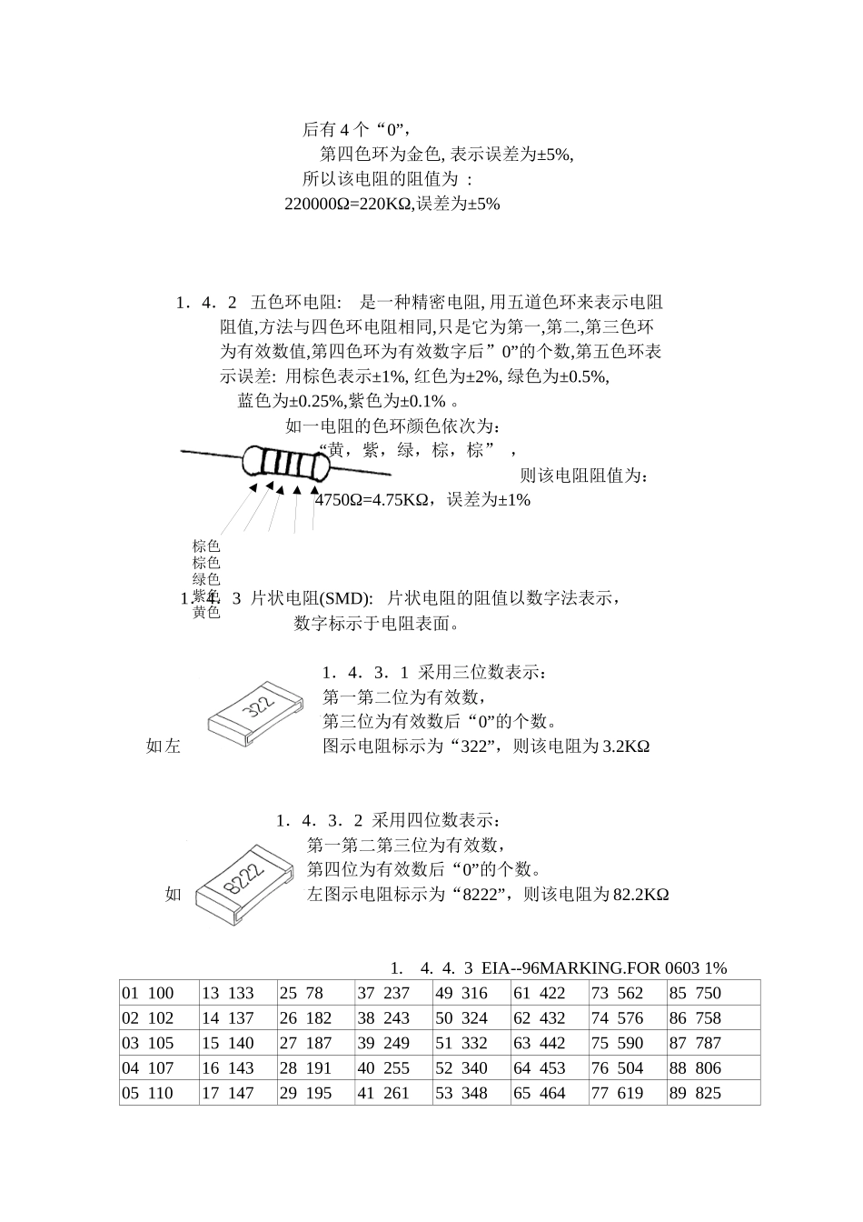
金色黄色红色红色员工培训(元件部份)元件是组成电路,构成产品的最基本单位。要提高产品的质量,我们必须要了解,能识别元件,只有了解元件,能识别元件,才可能提高我们自身的素质,才可能避免在作业中出现放错,插反,或者损坏零件的现象,保证产品的品质。下面是我们将讲述的内容:常见元件的外形识别和标记——必须掌握的内容常见元件的符号代码——要求掌握的内容常见元件的单位及换算——要求了解的内容常见元件的基本作用——要求了解的内容1.电阻1.1代码:R符号:或1.2单位:欧姆Ω;千欧KΩ;兆欧MΩ。1KΩ=1000Ω1M=1000KΩ1.3常见的有金属膜电阻,碳膜电阻,金属氧化膜电阻,绕线电阻,从外形上分有色环电阻,片状电阻,排阻。从功能上分有固定电阻,热敏电阻,压敏电阻,可变电阻,电位器从额定功率分有:1/16W,1/8W,1/4W,1/2W,1W,2W,3W…等。功率由形状大小可以区分,体积越大,功率越大。1.4电阻及阻值的识别:1.4.1四色环电阻:用四道颜色环来表示电阻的阻值与误差,第一色环,第二色环表示顺序的两位有效数字,第三色环表示有效数字后“0”的个数,第四色环表示误差:金色表示±5%银色表示±10%。注意:无色表示+20%-20%。每种颜色代表数数字如下表:颜色棕红橙黄绿蓝紫灰白黑金银代表数字12345678900.10.2代表误差%+1-1+2-20.50.50.250.1+50-20+5-5+10-10有效0个数1234567890-1-2如有一电阻,四道色环依次为:红,红,黄,金色。第一色环红色表示2,第二色环红色表示2,都为有效数字,第三色环黄色为4,表示有效数棕色棕色绿色紫色黄色后有4个“0”,第四色环为金色,表示误差为±5%,所以该电阻的阻值为:220000Ω=220KΩ,误差为±5%1.4.2五色环电阻:是一种精密电阻,用五道色环来表示电阻阻值,方法与四色环电阻相同,只是它为第一,第二,第三色环为有效数值,第四色环为有效数字后”0”的个数,第五色环表示误差:用棕色表示±1%,红色为±2%,绿色为±0.5%,蓝色为±0.25%,紫色为±0.1%。如一电阻的色环颜色依次为:“黄,紫,绿,棕,棕”,则该电阻阻值为:4750Ω=4.75KΩ,误差为±1%1.4.3片状电阻(SMD):片状电阻的阻值以数字法表示,数字标示于电阻表面。1.4.3.1采用三位数表示:第一第二位为有效数,第三位为有效数后“0”的个数。如左图示电阻标示为“322”,则该电阻为3.2KΩ1.4.3.2采用四位数表示:第一第二第三位为有效数,第四位为有效数后“0”的个数。如左图示电阻标示为“8222”,则该电阻为82.2KΩ1.4.4.3EIA--96MARKING.FOR06031%01100131332578372374931661422735628575002102141372618238243503246243274576867580310515140271873924951332634427559087787041071614328191402555234064453765048880605110171472919541261533486546477619898250611318150302004226754357664757863490845071151915431205432745536567487796499185508118201583221044280563746849980665928870912121162332154528757383695118168193909101242216534221462945839270523826989493111127231693522647301594027152683715959531213024174362324830960412725498473296976alettermultiplierY=10-2X=10-1A=100B=101C=102D=103E=104F=1051.4.4直接标示法:将数值直接标示在元件表面,有些也将误差直接标示。如左图示电阻标示为“75Ω,1W,±5%”。1.4.5电阻的功率:电阻的功率P(W)=I*V=I*I*R=V*V/R不同功率的电阻在电路图中的表示方式如下:2.电容2.1代码:C符号:或2.2单位:法拉F;微法uF;皮法pF。1F=1000000uF1uF=1000000pF2.3常见的有:电解电容,钽质电容,此两种有极性,插入时极性要正确,否则在通电后会炸裂,极性在电容上有标出:瓷片电容,涤纶电容,金属膜电容,此两种无极性.2.4电容在电路中常用于滤除杂波,耦合信号,隔断直流2.5电容及容值的识别:2.5.1电容的容量和额定电压值,电解电容,钽质电容,会在表面上直接标示,同时标明正负极性;如:一个电解电容标示如左图:则该电容容量为:2200uF额定电压值为:10VDC标示负极朝下方。2.5.2电解电容的分类(常见)AUF、SEM:直立、高耐压、大容量BSM、SEM:一般小型品USM:一般标准体积品DSM:一般超...

1、当您付费下载文档后,您只拥有了使用权限,并不意味着购买了版权,文档只能用于自身使用,不得用于其他商业用途(如 [转卖]进行直接盈利或[编辑后售卖]进行间接盈利)。
2、本站所有内容均由合作方或网友上传,本站不对文档的完整性、权威性及其观点立场正确性做任何保证或承诺!文档内容仅供研究参考,付费前请自行鉴别。
3、如文档内容存在违规,或者侵犯商业秘密、侵犯著作权等,请点击“违规举报”。

碎片内容

员工培训与元件知识

确认删除?
VIP
微信客服
  • 扫码咨询
会员Q群
  • 会员专属群点击这里加入QQ群
客服邮箱
回到顶部