电脑桌面
添加小米粒文库到电脑桌面
安装后可以在桌面快捷访问

品保部工作职责与权限VIP免费

品保部工作职责与权限_第1页
1/5
品保部工作职责与权限_第2页
2/5
品保部工作职责与权限_第3页
3/5
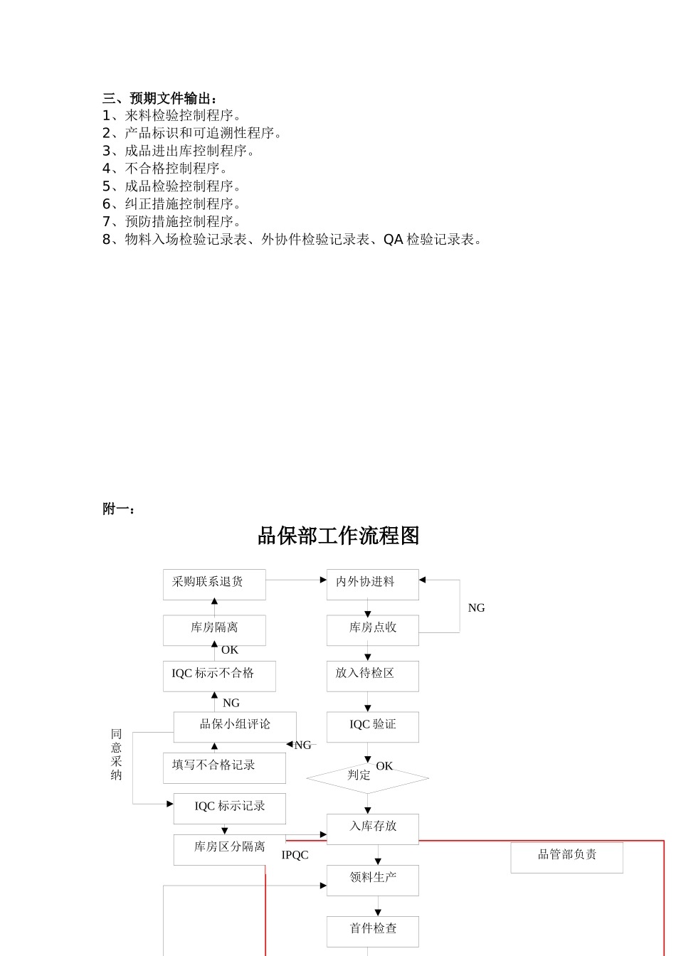
品保部工作职责与权限一、品保部工作职责:日常主要工作:1、负责本部门的职员管理及各项事务管理工作;制定检验标准,并核实检查品保人员是否确实实施;组织各部门(部分检验由本部门自行制定)制定各类来料、成品的检验标准制定工作。2、负责公司的原料进货检验、成品检验两个检验环节的工作;建立原材料、外协品和成品检验记录及质量统计报表交由相关部门分析和评审形成各类检验报告,每个项目进行质量总结分析,提出改进意见。3、负责公司产品质量信息反馈的统计分析工作,及时与公司领导及其它部门相互沟通,共同解决各类质量问题。4、负责所需检验仪器、工装的管理、使用、校正、计量和维护保养,配合相关部门及时作出检测工装,保证检验工作的正常进行。5、组织执行内部品质体系审核,负责品质体系的纠正预防,跟踪纠正与预防措施完成情况,查证改善结案,负责品质记录的统一管理、控制。6、负责进料、成品不良的纠正和预防,并负责改善追踪。a.负责加工不良鉴定,统计及改善追踪。b.负责装配不良鉴定,统计及改善追踪;c.负责客诉抱怨汇总,分析并改善追踪。7、品质观念及手法导入,品质教育的规划与推动。进料检验IQC1、负责进料检验工作的组织实施与控制。a.公司所有原材料进厂检验;b.公司所有外协件进厂检验。2、及时准确的判定物料是否合格,避免影响生产。3、及时对检验不合格品进行处理、控制、标识、反馈、要求改善并追踪改善效果。4、设计、采购、物管配合。最终检验(QA)1、将已完成的成品依据生产送检单及生产单进行检验判定入库。2、熟悉各产品检验标准,准确及时判定成品入库,不可耽误出货。3、提高检验技能,以使用者角度对产品实行全面检验,准确判定。出货检验(OQC)1、提高检验技能,以使用者角度对产品实行全面检验,准确判定,熟练掌握抽样标准,对出库产品详检。2、及时准确做好相关报表。二、品保部工作权限:1、有建议来料检验不合格物料处置的权利。2、有要求供应商改善物料质量的权利。3、有处置生产退坏料、隔离库存问题物料的权利。4、有对不合理、不完善工艺、方法的生产过程导致物料不良的建议改善权。5、有对入厂、出厂等成品流通环节的不规范操作行为的制止权利。6、有接受培训的权利。三、预期文件输出:1、来料检验控制程序。2、产品标识和可追溯性程序。3、成品进出库控制程序。4、不合格控制程序。5、成品检验控制程序。6、纠正措施控制程序。7、预防措施控制程序。8、物料入场检验记录表、外协件检验记录表、QA检验记录表。附一:品保部工作流程图OKNGNG内外协进料库房点收判定IQC验证放入待检区入库存放领料生产首件检查NGOK采购联系退货库房隔离IQC标示不合格品保小组评论填写不合格记录IQC标示记录库房区分隔离同意采纳IPQC品管部负责物管收货、分类标识通知品保检验品保准备检验用计量器具、技术文件和记录按检验计划实施检验YESNO在单据中写入“合格”在单据中写入“不合格”验收单通知物管入库通知采购现场急需用料NO采购提出特采申请特采批准判退NOYESYES管理层决定附二:进料检验试验程序IPQC不合格品鉴定/隔离确认决定处置方式拒收特采判退报废退修重检标识与处置实施纠正/预防措施NY入库管理层决定不合格品控制程序系统项目出厂检验流程图

1、当您付费下载文档后,您只拥有了使用权限,并不意味着购买了版权,文档只能用于自身使用,不得用于其他商业用途(如 [转卖]进行直接盈利或[编辑后售卖]进行间接盈利)。
2、本站所有内容均由合作方或网友上传,本站不对文档的完整性、权威性及其观点立场正确性做任何保证或承诺!文档内容仅供研究参考,付费前请自行鉴别。
3、如文档内容存在违规,或者侵犯商业秘密、侵犯著作权等,请点击“违规举报”。

碎片内容

品保部工作职责与权限

您可能关注的文档

确认删除?
VIP
微信客服
  • 扫码咨询
会员Q群
  • 会员专属群点击这里加入QQ群
客服邮箱
回到顶部