电脑桌面
添加小米粒文库到电脑桌面
安装后可以在桌面快捷访问

安防工程记录表VIP免费

安防工程记录表_第1页
1/27
安防工程记录表_第2页
2/27
安防工程记录表_第3页
3/27
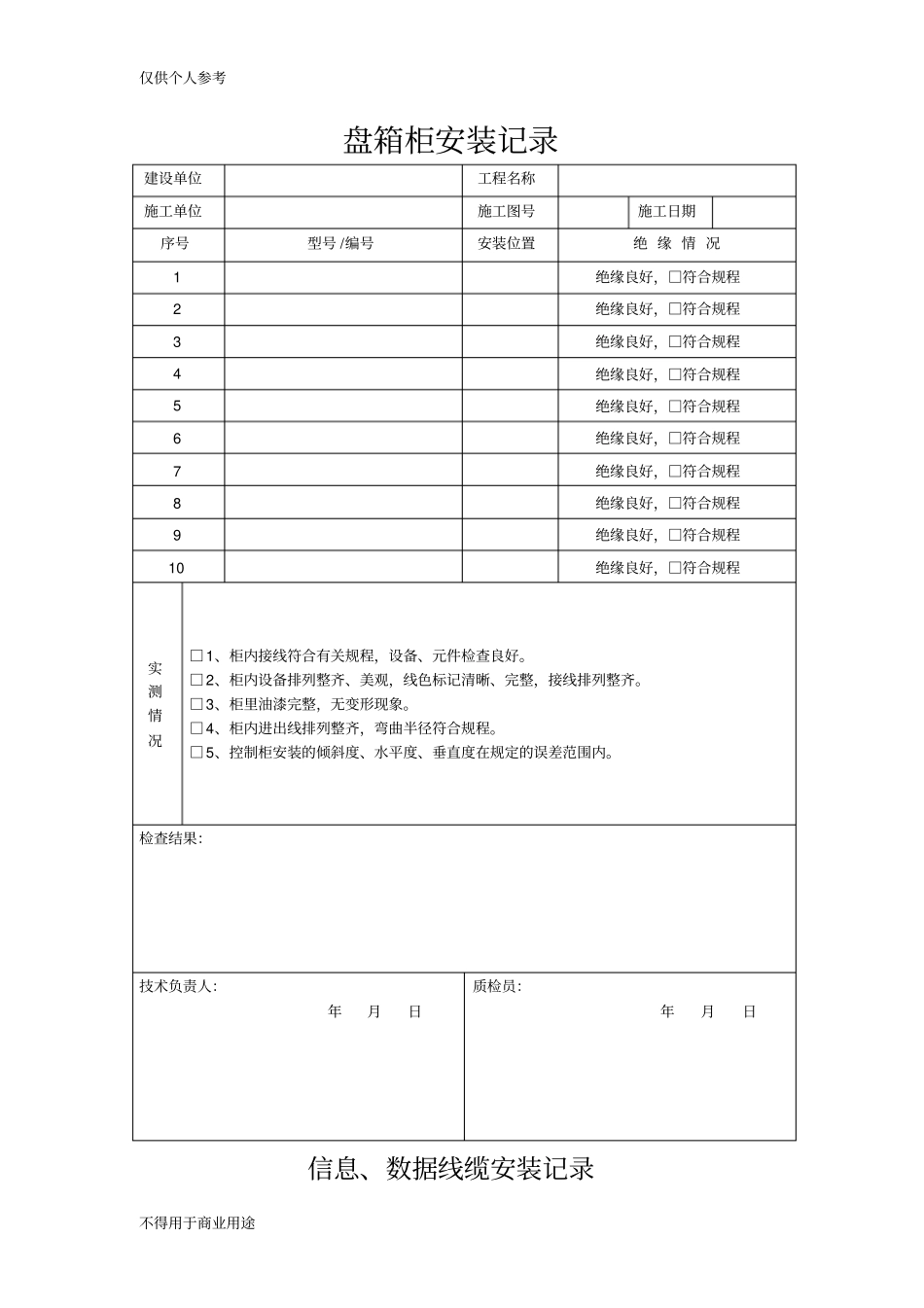
仅供个人参考不得用于商业用途盘箱柜安装记录建设单位工程名称施工单位施工图号施工日期序号型号/编号安装位置绝缘情况1绝缘良好,□符合规程2绝缘良好,□符合规程3绝缘良好,□符合规程4绝缘良好,□符合规程5绝缘良好,□符合规程6绝缘良好,□符合规程7绝缘良好,□符合规程8绝缘良好,□符合规程9绝缘良好,□符合规程10绝缘良好,□符合规程实测情况□1、柜内接线符合有关规程,设备、元件检查良好。□2、柜内设备排列整齐、美观,线色标记清晰、完整,接线排列整齐。□3、柜里油漆完整,无变形现象。□4、柜内进出线排列整齐,弯曲半径符合规程。□5、控制柜安装的倾斜度、水平度、垂直度在规定的误差范围内。检查结果:技术负责人:年月日质检员:年月日信息、数据线缆安装记录仅供个人参考不得用于商业用途建设单位工程名称施工单位施工图号施工日期序号型号/编号安装位置起点/终点12345678910实测情况□1、数据、信息线间和数据、信息线对地的绝缘电阻值符合有关规范及要求。□2、线缆的材质良好,无扭绞、死弯、绝缘层损坏和护套断裂的现象。□3、数据、信息线敷设平直、整齐、固定可靠,过梁、墙、楼板等有保护管并留有余量。□4、多根数据、信息线敷设时,排列整齐,间距一致,分支和转弯处整齐。□5、数据、信息线连接牢固,不伤线芯,包扎严密,绝缘良好。□6、数据、信息线进出盘柜时,弯曲半径符合要求及规程。检查结果:技术负责人:年月日质检员:年月日电缆线路分项工程质量检验评定表工程名称:部位:安装单位:仅供个人参考不得用于商业用途保证项目项目质量情况1□电缆耐压试验□符合规范及要求2□电缆敷设□符合设计图纸3□终端头、电缆接头□符合规范及有关制作要求检验项目项目质量情况等级12345678901□电缆支、托架安装0000000000□合格2□电缆保护管,电缆敷设0000000000□合格3□接地(接零)0000000000□合格实测情况□1、电缆、导线、钢管的材质良好,无扭绞、死弯、绝缘层损坏和护套断裂的现象。□2、电缆、导线、钢管敷设平直、整齐、固定可靠,过梁、墙、楼板等有保护管并留有余量。□3、多根电缆、导线、钢管敷设时,排列整齐,间距一致,分支和转弯处整齐。□4、电缆、导线、钢管的连接牢固,不伤线芯,包扎严密,绝缘良好。□5、电缆、导线进出盘柜时,弯曲半径符合要求及规程。检查结果保证项目□符合设计及规范检验项目□合格实测情况□符合技术要求评定等级技术负责人:年月日核定意见专职质量检查员:年月日配管及管内穿线分项工程质量检验评定表工程名称:部位:安装单位:保项目质量情况仅供个人参考不得用于商业用途证项目1□配管质量、配管的适用场所□符合图纸及设计2□导线的品种、质量、绝缘电阻□符合设计及有关要求,大于0.5兆欧3检验项目项目质量情况等级12345678901□管路敷设0000000000□合格2□管路保护及接地(接零)0000000000□合格3□管内穿线0000000000□合格实测情况□1、电缆、导线间和电缆、导线对地的绝缘电阻值大于0.5兆欧。□2、电缆、导线、钢管的材质良好,无扭绞、死弯、绝缘层损坏和护套断裂的现象。□3、电缆、导线、钢管敷设平直、整齐、固定可靠,过梁、墙、楼板等有保护管并留有余量。□4、多根电缆、导线、钢管敷设时,排列整齐,间距一致,分支和转弯处整齐。□5、电缆、导线、钢管的连接牢固,不伤线芯,包扎严密,绝缘良好。□6、电缆、导线进出盘柜时,弯曲半径符合要求及规程,钢管弯曲半径符合要求。检查结果保证项目□符合设计及规范检验项目□合格实测情况□符合技术要求评定等级技术负责人:年月日核定意见专职质量检查员:年月日成套配电柜(盘)控制柜及动力开关箱安装分项工程质量检验评定表工程名称:部位:安装单位:保项目质量情况仅供个人参考不得用于商业用途证项目1□柜(盘)试验调整□符合规范及设计2□瓷件质量□符合规范要求,外观良好3□柜(盘)连接□连接紧密检验项目项目质量情况等级12345678901□管路敷设0000000000□合格2□管路保护及接地(接零)0000000000□合格3□管内穿线0000000000□合格实测情况□1、柜内接线符合有关规程,设备、元件检查良好。□2、柜内设备排...

1、当您付费下载文档后,您只拥有了使用权限,并不意味着购买了版权,文档只能用于自身使用,不得用于其他商业用途(如 [转卖]进行直接盈利或[编辑后售卖]进行间接盈利)。
2、本站所有内容均由合作方或网友上传,本站不对文档的完整性、权威性及其观点立场正确性做任何保证或承诺!文档内容仅供研究参考,付费前请自行鉴别。
3、如文档内容存在违规,或者侵犯商业秘密、侵犯著作权等,请点击“违规举报”。

碎片内容

安防工程记录表

您可能关注的文档

爱的疯狂+ 关注
实名认证
内容提供者

该用户很懒,什么也没介绍

确认删除?
VIP
微信客服
  • 扫码咨询
会员Q群
  • 会员专属群点击这里加入QQ群
客服邮箱
回到顶部