电脑桌面
添加小米粒文库到电脑桌面
安装后可以在桌面快捷访问

现场工程签证单VIP免费

现场工程签证单_第1页
1/99
现场工程签证单_第2页
2/99
现场工程签证单_第3页
3/99
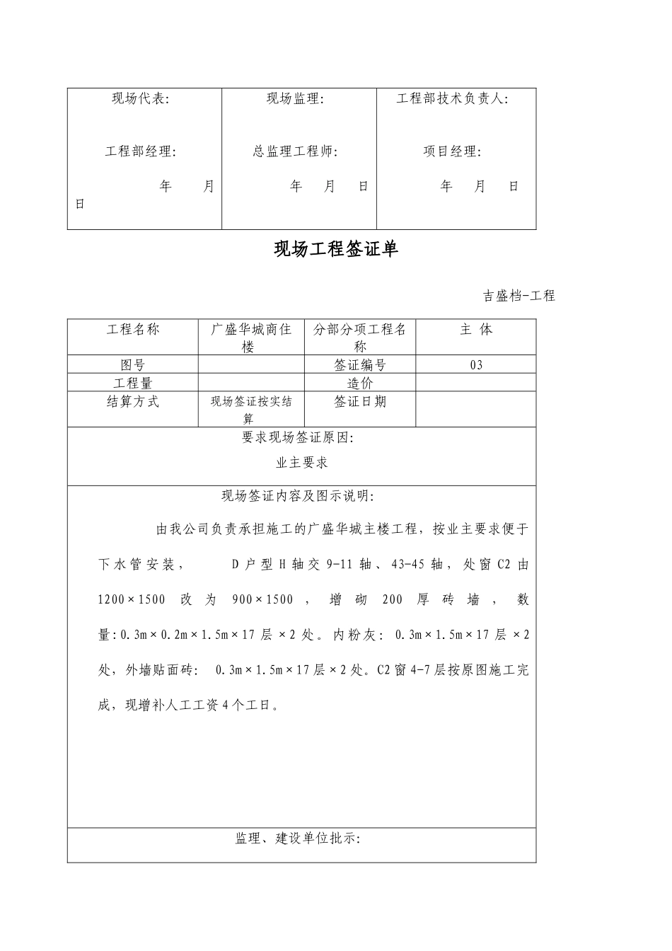
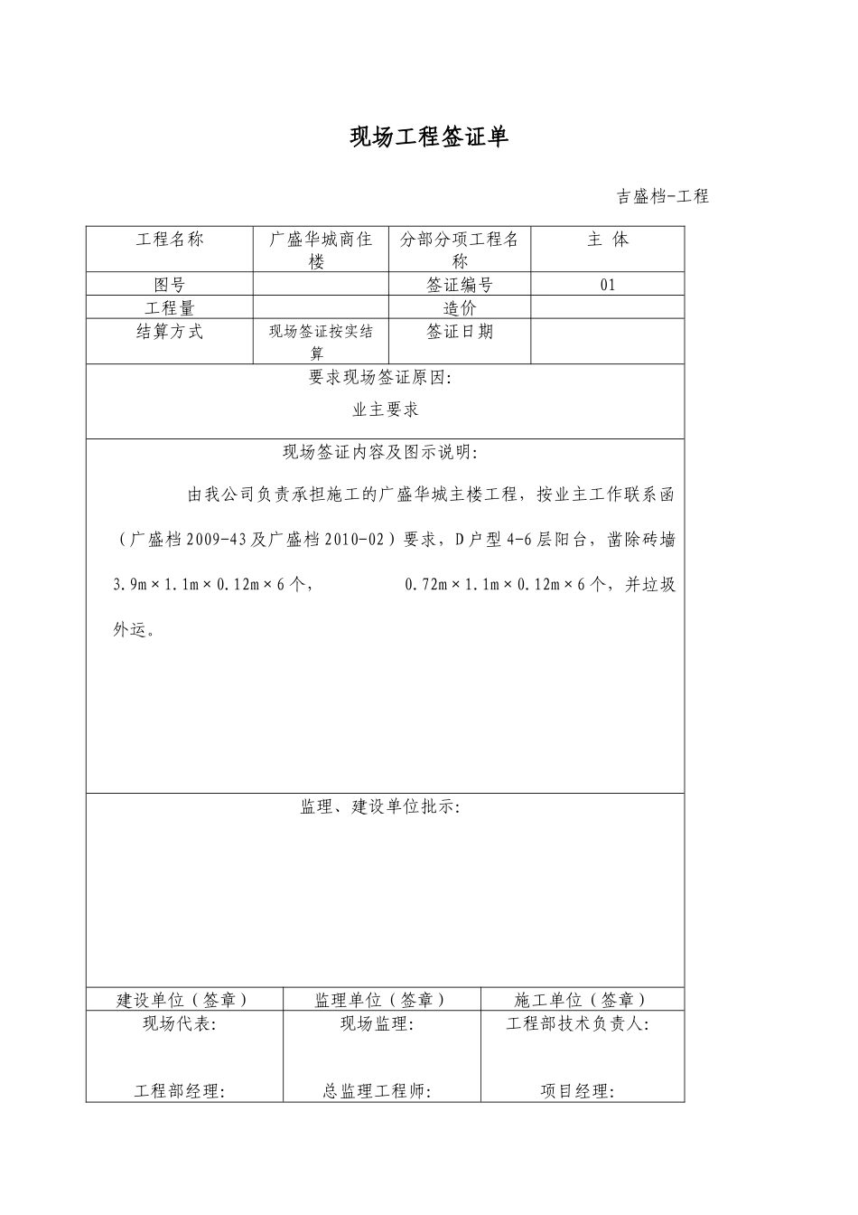
现场工程签证单吉盛档-工程工程名称广盛华城商住楼分部分项工程名称主体图号签证编号01工程量造价结算方式现场签证按实结算签证日期要求现场签证原因:业主要求现场签证内容及图示说明:由我公司负责承担施工的广盛华城主楼工程,按业主工作联系函(广盛档2009-43及广盛档2010-02)要求,D户型4-6层阳台,凿除砖墙3.9m×1.1m×0.12m×6个,0.72m×1.1m×0.12m×6个,并垃圾外运。监理、建设单位批示:建设单位(签章)监理单位(签章)施工单位(签章)现场代表:工程部经理:现场监理:总监理工程师:工程部技术负责人:项目经理:年月日年月日年月日现场工程签证单吉盛档-工程工程名称广盛华城商住楼分部分项工程名称主体图号签证编号02工程量造价结算方式现场签证按实结算签证日期要求现场签证原因:业主要求现场签证内容及图示说明:由我公司负责承担施工的广盛华城主楼工程,按业主要求及工程情况4-20层24轴、30轴阳台上120墙改为200墙,数量:0.9m×0.2m×2.5m×17层×2处。监理、建设单位批示:建设单位(签章)监理单位(签章)施工单位(签章)现场代表:工程部经理:年月日现场监理:总监理工程师:年月日工程部技术负责人:项目经理:年月日现场工程签证单吉盛档-工程工程名称广盛华城商住楼分部分项工程名称主体图号签证编号03工程量造价结算方式现场签证按实结算签证日期要求现场签证原因:业主要求现场签证内容及图示说明:由我公司负责承担施工的广盛华城主楼工程,按业主要求便于下水管安装,D户型H轴交9-11轴、43-45轴,处窗C2由1200×1500改为900×1500,增砌200厚砖墙,数量:0.3m×0.2m×1.5m×17层×2处。内粉灰:0.3m×1.5m×17层×2处,外墙贴面砖:0.3m×1.5m×17层×2处。C2窗4-7层按原图施工完成,现增补人工工资4个工日。监理、建设单位批示:建设单位(签章)监理单位(签章)施工单位(签章)现场代表:工程部经理:年月日现场监理:总监理工程师:年月日工程部技术负责人:项目经理:年月日现场工程签证单吉盛档-工程工程名称广盛华城商住楼分部分项工程名称主体图号签证编号04工程量造价结算方式现场签证按实结算签证日期要求现场签证原因:业主要求现场签证内容及图示说明:由我公司负责承担施工的广盛华城主楼工程,根据工程情况,并经设计单位及业主同意,将门M3由900×2400改为1000×2500,数量:4×17层=68樘。门M7由1200×2400改为1300×2500,数量:2×17层=34樘。A户型中H轴交20-23轴,31-34轴窗C1由900×1500改为900×1600,数量:2×17层=34樘。窗C5由1500×1500改为1500×1600未签以后计入门窗空中花园外窗C5由1500×1600改为1500×1600数量:3×17层=51樘。门M10由1500×2400改为1500×2500,数量:1×17层=17樘。监理、建设单位批示:建设单位(签章)监理单位(签章)施工单位(签章)现场代表:工程部经理:年月日现场监理:总监理工程师:年月日工程部技术负责人:项目经理:年月日现场工程签证单吉盛档-工程工程名称广盛华城商住楼分部分项工程名称主体图号签证编号05工程量造价结算方式现场签证按实结算签证日期要求现场签证原因:业主要求现场签证内容及图示说明:由我公司负责承担施工的广盛华城主楼工程,根据业主工作联系函(广盛档2009-41)入户防盗门洞口尺寸由1100×2100改为1000×2100,增砌砖墙0.1m×0.2m×2.1m×10户×17层=7.14m3监理、建设单位批示:建设单位(签章)监理单位(签章)施工单位(签章)现场代表:工程部经理:年月日现场监理:总监理工程师:年月日工程部技术负责人:项目经理:年月日现场工程签证单吉盛档-工程工程名称广盛华城商住楼分部分项工程名称主体图号签证编号06工程量造价结算方式现场签证按实结算签证日期要求现场签证原因:业主要求现场签证内容及图示说明:由我公司负责承担施工的广盛华城主楼工程,根据消防通道布置要求,经设计院同意,B轴交44轴-50轴空洞板梁标高3.1m将该处砼梁凿除(因设计建筑图与结构图有误),凿除砼数量:6.9m×0.4m×0.3m=0.83m3(C50砼),并垃圾外运。监理、建设单位批示:建设单位(签章)监理单位(签章)施工单位(签章)现场代表:工程部经理:年月日现...

1、当您付费下载文档后,您只拥有了使用权限,并不意味着购买了版权,文档只能用于自身使用,不得用于其他商业用途(如 [转卖]进行直接盈利或[编辑后售卖]进行间接盈利)。
2、本站所有内容均由合作方或网友上传,本站不对文档的完整性、权威性及其观点立场正确性做任何保证或承诺!文档内容仅供研究参考,付费前请自行鉴别。
3、如文档内容存在违规,或者侵犯商业秘密、侵犯著作权等,请点击“违规举报”。

碎片内容

现场工程签证单

确认删除?
VIP
微信客服
  • 扫码咨询
会员Q群
  • 会员专属群点击这里加入QQ群
客服邮箱
回到顶部