电脑桌面
添加小米粒文库到电脑桌面
安装后可以在桌面快捷访问

模拟电路技术基础实验VIP免费

模拟电路技术基础实验_第1页
1/30
模拟电路技术基础实验_第2页
2/30
模拟电路技术基础实验_第3页
3/30
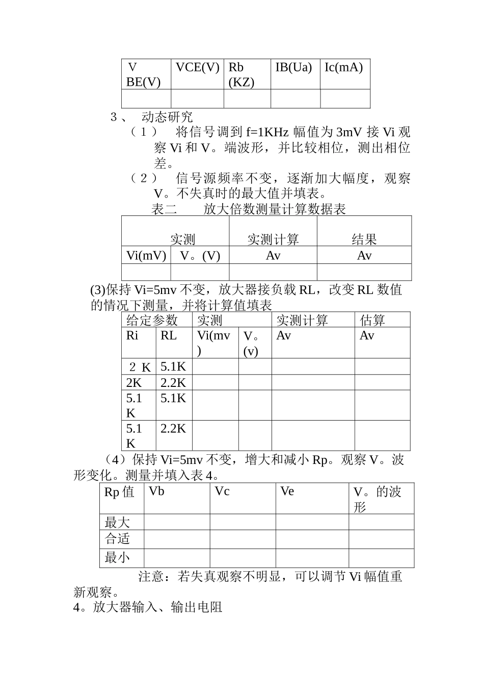
模拟电路技术基础实验讲义一、实验目的1、熟悉电子元器件,练习检测三极管的方法。2、掌握放大器静态工作点的测试方法和其对放大器性能的影响。3、学习测量放大电路Q点及交流参数Av,Ri,R。的方法。4、学习放大器的动态性能,观察信号输出波形的变化。二、实验仪器1、双宗示波器2、信号发生器3、数字万用表三、预习要求1、能正确使用示波器、信号发生器及数字万用表。2、熟练三极管特性测试及单管放大电路工作原理。3、比较三种组态的基本性能的相同点和不同点。四、实验内容1、实验电路(a)R15k1R251kRb151kRb224kRc5k1Re1100Re2100RL5k1Rp680kTNPNCb10uc210uCe10uVcc(+12v)V¡£ViRb151kRb224kRc5.1kRe1100Re21.8kR251R15.1kRLRp680kCb10uFC210uFC310uFVi(c)(1)用万用表判断三极管V的极性及好坏,估测三极管的β值。(2)分别先后按图(a)接好电路,调Rb到最大位置。(3)仔细检查后,送出,观察有无异常现象。2、静态调整调整Rp使Ve=2.2V计算并测量填表表一实测实测计算R15.1kR251Rb151kRb224KRe1100Re21.8kRc5.1kRL5.1KV9013Rp680kViVcc(+12v)V¡£VBE(V)VCE(V)Rb(KZ)IB(Ua)Ic(mA)3、动态研究(1)将信号调到f=1KHz幅值为3mV接Vi观察Vi和V。端波形,并比较相位,测出相位差。(2)信号源频率不变,逐渐加大幅度,观察V。不失真时的最大值并填表。表二放大倍数测量计算数据表实测实测计算结果Vi(mV)V。(V)AvAv(3)保持Vi=5mv不变,放大器接负载RL,改变RL数值的情况下测量,并将计算值填表给定参数实测实测计算估算RiRLVi(mv)V。(v)AvAv2K5.1K2K2.2K5.1K5.1K5.1K2.2K(4)保持Vi=5mv不变,增大和减小Rp。观察V。波形变化。测量并填入表4。Rp值VbVcVeV。的波形最大合适最小注意:若失真观察不明显,可以调节Vi幅值重新观察。4。放大器输入、输出电阻(3)输入电阻测量在输入端串接一个5.1K电阻。如图测量Vs与Vi。计算ri(4)输出电阻测量在输出端接入可调电阻作为负载。如图选择合适的Rl值,使放大器输出不失真。测量有负载和空载时的r。,即可计算r0将上述测量及计算结果填入表5中表5测输入电阻Rs=5.1K测输出电阻实测测算估算实测测算估算Vs(mv)Vi(mv)ririv。RL=∞v。RL=r。(kΩ)r。(kΩ)4、将电路换为图b、图c。分别重复上述实验。作记录。5、根据图a、图b、图c、的测算结果填表电路图a图b图cAvrir。J?VS5.1kVii1AViRLA五、实验报告1、对每一测试结果及数据表进行分析,得出基本结论,与估算值进行比较,分析误差及其原理。2、讨论三种组态的放大电路各自的特点。①影响放大倍数的因数②影响r。ri的因数③三种组态的比较3、写出实验过程中的体会。实验二负反馈放大电路一、实验目的1、研究负反馈对放大器性能的影响。2、掌握负反馈放大器性能的测试方法。二、实验仪器1、双踪示波器2、音频信号发生器3、数字万用表三、预习要求1、认真阅读实验内容要求,估计待测量的变化趋势。2、计算图1电路中设三极管的β为120,电路开环和闭环电压放大倍数。四、实验内容1、负反馈放大器开环和闭环放大倍数的测试。(1)开环电路图一①按图接线,RF先不接入。②输入端接入Vi=1mv、f=1kH的正弦(若信号太强,可以衰减)调整线路和参数使输出不失真并且无振荡。③按表一要求进行测量并填表一。④根据实测计算开环放大倍数和输出电阻。(2)闭环电路①接通RF,按(一)的要求调整电路②按表一要求进行测量并填表,计算Avf③根据实测结果,比较①Avf与1\F的差别。②Avf与Av的差别。表一RL(KΩ)Vi(mv)V。(mv)Av(Avf)R15.1kR251R351kR424kR55.1kR6100R71.8kR847KR920kR103KR111KRL1.5KRF3K9013901310uFCF10uFC510uFC410uFVi+12vV¡£开环∞11.5K1闭环∞11.5K12、负反馈对失真的改善作用的研究(1)将图一电路开环,逐步加大Vi的幅度,使输出信号刚好出现失真。记录失真波形幅度及输入信号幅度。(2)将电路闭环,观察输出情况,适当增加Vi幅度,使输出幅度接近开环时失真波形幅度,记录此时的输入波形。与开环情况比较并得出结论。(3)若RF=3KΩ不变,但RF接入V1的基极,会出现什么情况,用实验测试,观察。(4)画出并记录上述各步实验的波形图并做比较。3、测量放大...

1、当您付费下载文档后,您只拥有了使用权限,并不意味着购买了版权,文档只能用于自身使用,不得用于其他商业用途(如 [转卖]进行直接盈利或[编辑后售卖]进行间接盈利)。
2、本站所有内容均由合作方或网友上传,本站不对文档的完整性、权威性及其观点立场正确性做任何保证或承诺!文档内容仅供研究参考,付费前请自行鉴别。
3、如文档内容存在违规,或者侵犯商业秘密、侵犯著作权等,请点击“违规举报”。

碎片内容

模拟电路技术基础实验

您可能关注的文档

确认删除?
VIP
微信客服
  • 扫码咨询
会员Q群
  • 会员专属群点击这里加入QQ群
客服邮箱
回到顶部