电脑桌面
添加小米粒文库到电脑桌面
安装后可以在桌面快捷访问

(附件3)施工升降机安装自验记录-大连市特种设备监VIP免费

(附件3)施工升降机安装自验记录-大连市特种设备监_第1页
1/5
(附件3)施工升降机安装自验记录-大连市特种设备监_第2页
2/5
(附件3)施工升降机安装自验记录-大连市特种设备监_第3页
3/5
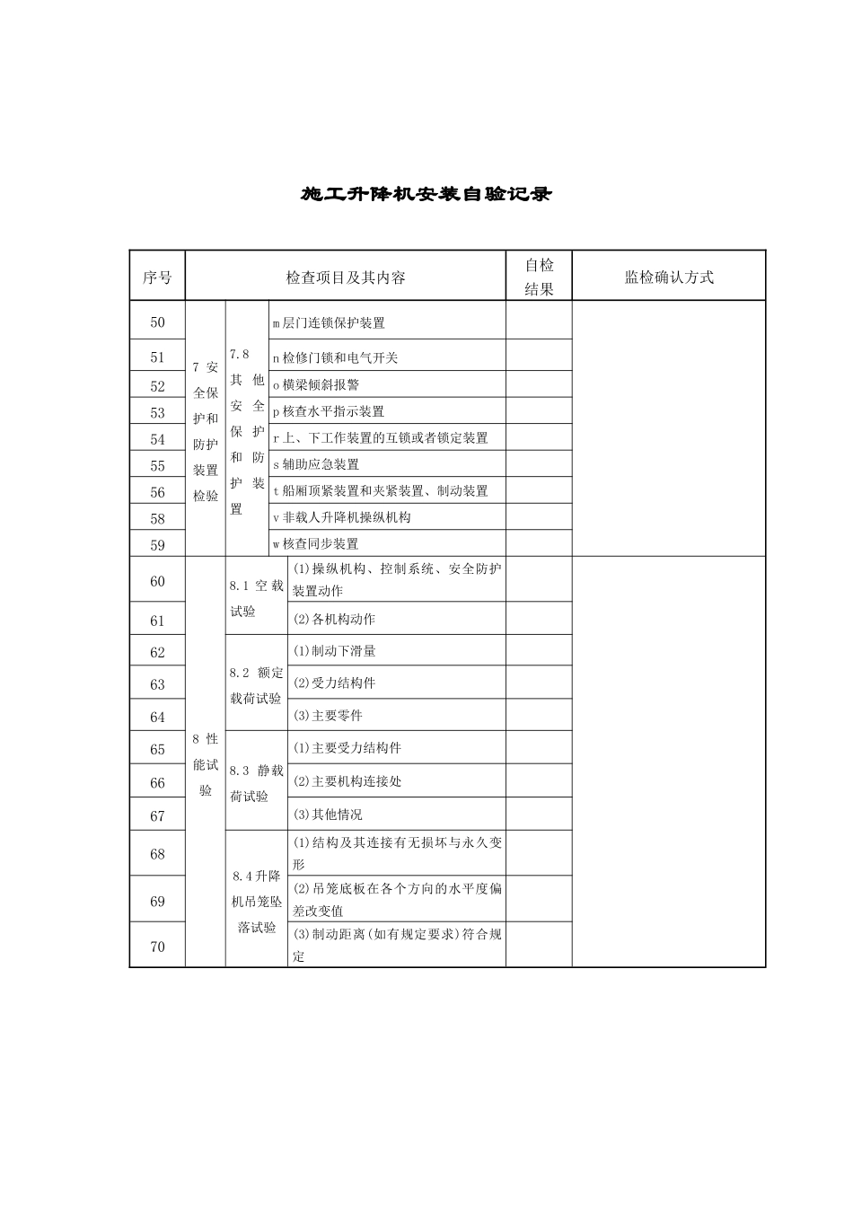
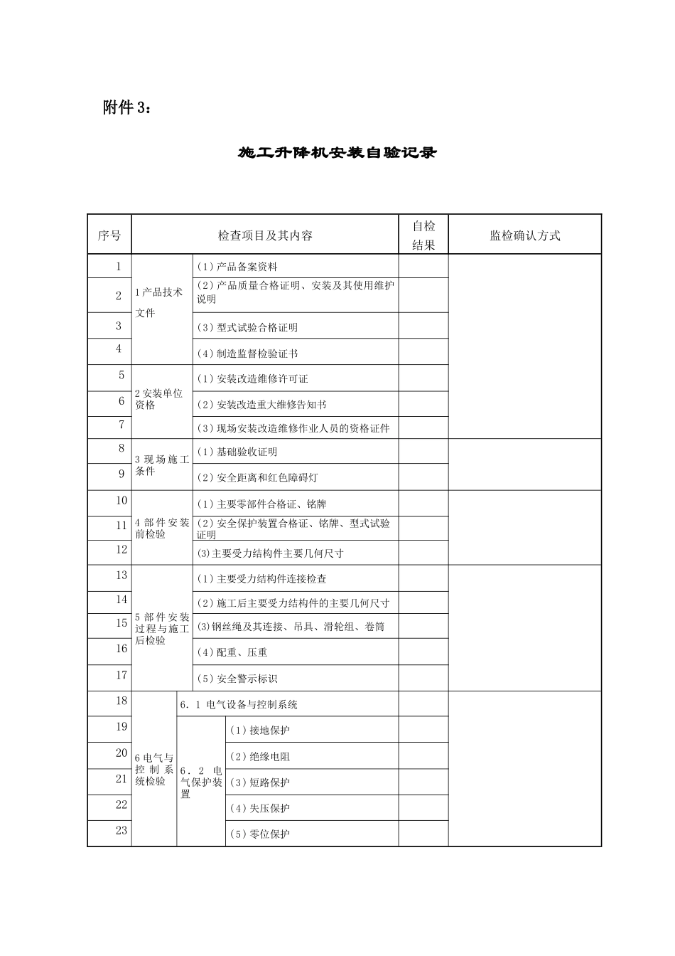
附件3:施工升降机安装自验记录序号检查项目及其内容自检结果监检确认方式11产品技术文件(1)产品备案资料2(2)产品质量合格证明、安装及其使用维护说明3(3)型式试验合格证明4(4)制造监督检验证书52安装单位资格(1)安装改造维修许可证6(2)安装改造重大维修告知书7(3)现场安装改造维修作业人员的资格证件83现场施工条件(1)基础验收证明9(2)安全距离和红色障碍灯104部件安装前检验(1)主要零部件合格证、铭牌11(2)安全保护装置合格证、铭牌、型式试验证明12(3)主要受力结构件主要几何尺寸135部件安装过程与施工后检验(1)主要受力结构件连接检查14(2)施工后主要受力结构件的主要几何尺寸15(3)钢丝绳及其连接、吊具、滑轮组、卷筒16(4)配重、压重17(5)安全警示标识186电气与控制系统检验6.1电气设备与控制系统196.2电气保护装置(1)接地保护20(2)绝缘电阻21(3)短路保护22(4)失压保护23(5)零位保护施工升降机安装自验记录序号检查项目及其内容自检结果监检确认方式246电气与控制系统检验6.2电气保护装置(6)过流(过载)保护25(7)供电电源断错相保护267安全保护和防护装置检验7.1制动器(1)工作制动器与安全制动器的设置27(2)制动器型式、制动性能28(3)制动器推动器漏油现象29(4)制动轮与摩擦片摩擦、缺陷和油污现象30(5)制动器调整31(6)制动轮裂纹、划痕、凹凸不平度327.2起重量限制器(1)起重量限制器设置33(2)试验347.3缓冲器和止挡装置357.4应急断电开关367.5风速仪377.6防护罩、隔热装置387.7其他安全保护和防护装置a防坠安全器39b基础围栏门机械锁钩和电气安全装置40c吊笼门机械锁钩和电气安全装置41d限位装置42e极限开关43f安全钩(适用于齿轮齿条式升降机)44g核查钢丝绳防松弛装置45h停层防坠落装置或者停位防坠落装置46i断绳保护装置47j通道口连锁保护48k安全钳、限速器49l货厢门连锁保护装置施工升降机安装自验记录序号检查项目及其内容自检结果监检确认方式507安全保护和防护装置检验7.8其他安全保护和防护装置m层门连锁保护装置51n检修门锁和电气开关52o横梁倾斜报警53p核查水平指示装置54r上、下工作装置的互锁或者锁定装置55s辅助应急装置56t船厢顶紧装置和夹紧装置、制动装置58v非载人升降机操纵机构59w核查同步装置608性能试验8.1空载试验(1)操纵机构、控制系统、安全防护装置动作61(2)各机构动作628.2额定载荷试验(1)制动下滑量63(2)受力结构件64(3)主要零件658.3静载荷试验(1)主要受力结构件66(2)主要机构连接处67(3)其他情况688.4升降机吊笼坠落试验(1)结构及其连接有无损坏与永久变形69(2)吊笼底板在各个方向的水平度偏差改变值70(3)制动距离(如有规定要求)符合规定施工升降机安装自验记录序号检查项目及其内容自检结果监检确认方式719质量保证体系运行情况检查(1)现场施工组织机构、质量管理机构和质量控制系统责任人72(2)现场作业人员的证件73(3)施工过程中体系运转异常情况的处理74(4)对监检机构或监检人员提出问题的处理和反馈情况其它检查人员签字安装单位升降机司机负责人检查人安装人员项目负责人审核人日期附:需要索取见证件存档的A类监检项目明细1、安装改造维修许可证(复印件)2、安装改造重大维修告知书(开工审批表)(复印件)3、制动器设置、制动器平稳性要求、制动轮与摩擦片接触情况、制动器调整、制动轮检查记录4、起重量限制器设置、试验、检查检查记录5、缓冲器和止挡装置试验、检查记录6、应急断电开关试验检查记录7、空载试验中的操纵机构、控制系统、安全防护装置动作试验、各机构动作、液压系统、润滑系统检查记录8、额定载荷试验中的制动下滑量试验、受力结构件检查记录、主要零件检查记录9、静载荷试验中主要受力结构件、主要机构连接处、其他情况检查记录10、动载荷试验中机构、结构件工作情况和机构、结构件损坏情况检查记录11、升降机吊笼坠落试验结构及连接、吊笼底板水平度偏差、制动距离检查记录

1、当您付费下载文档后,您只拥有了使用权限,并不意味着购买了版权,文档只能用于自身使用,不得用于其他商业用途(如 [转卖]进行直接盈利或[编辑后售卖]进行间接盈利)。
2、本站所有内容均由合作方或网友上传,本站不对文档的完整性、权威性及其观点立场正确性做任何保证或承诺!文档内容仅供研究参考,付费前请自行鉴别。
3、如文档内容存在违规,或者侵犯商业秘密、侵犯著作权等,请点击“违规举报”。

碎片内容

(附件3)施工升降机安装自验记录-大连市特种设备监

您可能关注的文档

确认删除?
VIP
微信客服
  • 扫码咨询
会员Q群
  • 会员专属群点击这里加入QQ群
客服邮箱
回到顶部