电脑桌面
添加小米粒文库到电脑桌面
安装后可以在桌面快捷访问

技术开发管理考核考核方法VIP免费

技术开发管理考核考核方法_第1页
1/5
技术开发管理考核考核方法_第2页
2/5
技术开发管理考核考核方法_第3页
3/5
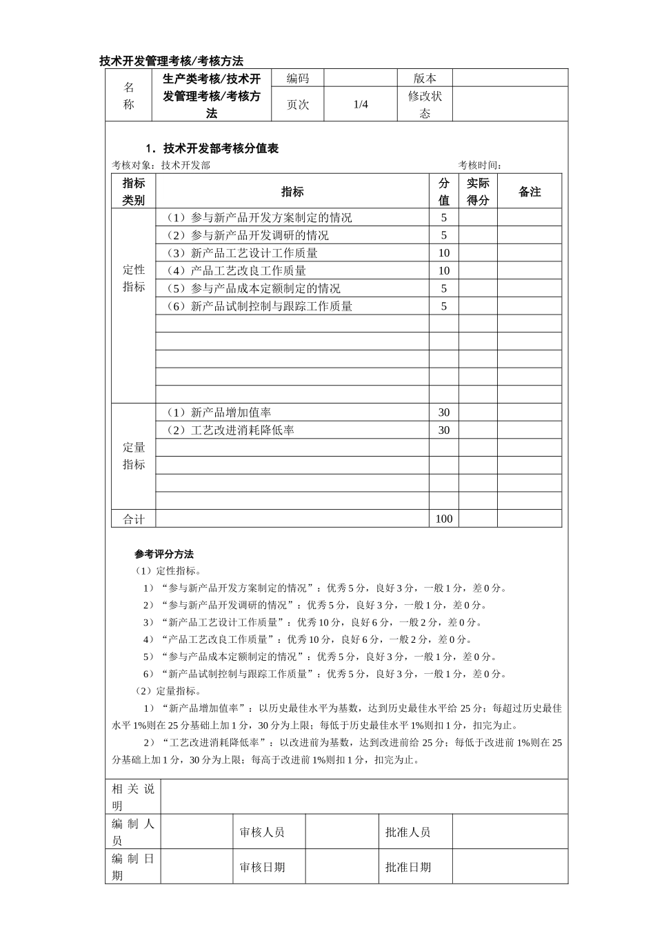
技术开发管理考核/考核方法名称生产类考核/技术开发管理考核/考核方法编码版本页次1/4修改状态1.技术开发部考核分值表考核对象:技术开发部考核时间:指标类别指标分值实际得分备注定性指标(1)参与新产品开发方案制定的情况5(2)参与新产品开发调研的情况5(3)新产品工艺设计工作质量10(4)产品工艺改良工作质量10(5)参与产品成本定额制定的情况5(6)新产品试制控制与跟踪工作质量5定量指标(1)新产品增加值率30(2)工艺改进消耗降低率30合计100参考评分方法(1)定性指标。1)“参与新产品开发方案制定的情况”:优秀5分,良好3分,一般1分,差0分。2)“参与新产品开发调研的情况”:优秀5分,良好3分,一般1分,差0分。3)“新产品工艺设计工作质量”:优秀10分,良好6分,一般2分,差0分。4)“产品工艺改良工作质量”:优秀10分,良好6分,一般2分,差0分。5)“参与产品成本定额制定的情况”:优秀5分,良好3分,一般1分,差0分。6)“新产品试制控制与跟踪工作质量”:优秀5分,良好3分,一般1分,差0分。(2)定量指标。1)“新产品增加值率”:以历史最佳水平为基数,达到历史最佳水平给25分;每超过历史最佳水平1%则在25分基础上加1分,30分为上限;每低于历史最佳水平1%则扣1分,扣完为止。2)“工艺改进消耗降低率”:以改进前为基数,达到改进前给25分;每低于改进前1%则在25分基础上加1分,30分为上限;每高于改进前1%则扣1分,扣完为止。相关说明编制人员审核人员批准人员编制日期审核日期批准日期(续)名称生产类考核/技术开发管理考核/考核方法编码版本页次2/4修改状态2.品质管理部考核分值表考核对象:品质管理部考核时间:指标类别指标分值实际得分备注定性指标(1)参与新产品开发的情况5(2)产品质量调查开展情况15(3)新产品鉴定与质量检验情况20定量指标(1)新产品百元制造成本质量成本30(2)新产品百元销售收入质量成本30合计100参考评分方法(1)定性指标。1)“参与新产品开发的情况”:优秀5分,良好3分,一般1分,差0分。2)“产品质量调查开展情况”:优秀15分,良好10分,一般5分,差0分。3)“新产品鉴定与质量检验情况”:优秀20分,良好15分,一般8分,差0分。(2)定量指标。1)“新产品百元制造成本质量成本”:以历史最低水平为基数,达到历史最低水平给25分;每低于历史最低水平1%则在25分基础上加1分,30分为上限;每高于历史最低水平1%则扣1分,扣完为止。2)“新产品百元销售收入质量成本”:以历史最低水平为基数,达到历史最低水平给25分;每低于历史最低水平1%则在25分基础上加1分,30分为上限;每高于历史最低水平1%则扣1分,扣完为止。编制人员审核人员批准人员编制日期审核日期批准日期(续)名称生产类考核/技术开发管理考核/考核方法编码版本页次3/4修改状态3.生产计划部考核分值表考核对象:生产计划部考核时间:指标类别指标分值实际得分备注定性指标(1)参与新产品开发情况5(2)参与产品设计与改良鉴定情况5(3)控制样品制造进度和制造质量情况30定量指标(1)新产品合格率20(2)新产品进度达成率40合计100参考评分方法(1)定性指标1)“参与新产品开发情况”:优秀5分,良好3分,一般1分,差0分。2)“参与产品设计与改良鉴定情况”:优秀5分,良好3分,一般1分,差0分。3)“控制样品制造进度和制造质量情况”:优秀30分,良好20分,一般10分,差0分。(2)定量指标1)“新产品合格率”:以历史最佳水平为基数,达到历史最佳水平给15分;每超过历史最佳水平1%则在15分基础上加1分,20分为上限;每低于历史最佳水平1%则扣1分,扣完为止。2)“新产品进度达成率”:以历史最佳水平为基数,达到历史最佳水平给35分;每超过历史最佳水平1%则在35分基础上加1分,40分为上限;每低于历史最佳水平1%则扣1分,扣完为止。相关说明编制人员审核人员批准人员编制日期审核日期批准日期(续)名称生产类考核/技术开发管理考核/考核方法编码版本页次4/4修改状态4.分厂考核分值表考核对象:分厂考核时间:指标类别指标分值实际得分备注定性指标(1)参与新产品开发情况5(2)参与产品设计与改良鉴定情况5(3)控制样品制...

1、当您付费下载文档后,您只拥有了使用权限,并不意味着购买了版权,文档只能用于自身使用,不得用于其他商业用途(如 [转卖]进行直接盈利或[编辑后售卖]进行间接盈利)。
2、本站所有内容均由合作方或网友上传,本站不对文档的完整性、权威性及其观点立场正确性做任何保证或承诺!文档内容仅供研究参考,付费前请自行鉴别。
3、如文档内容存在违规,或者侵犯商业秘密、侵犯著作权等,请点击“违规举报”。

碎片内容

技术开发管理考核考核方法

确认删除?
VIP
微信客服
  • 扫码咨询
会员Q群
  • 会员专属群点击这里加入QQ群
客服邮箱
回到顶部