电脑桌面
添加小米粒文库到电脑桌面
安装后可以在桌面快捷访问

环境试验设备专用控制系统的通用化研究VIP免费

环境试验设备专用控制系统的通用化研究_第1页
1/6
环境试验设备专用控制系统的通用化研究_第2页
2/6
环境试验设备专用控制系统的通用化研究_第3页
3/6
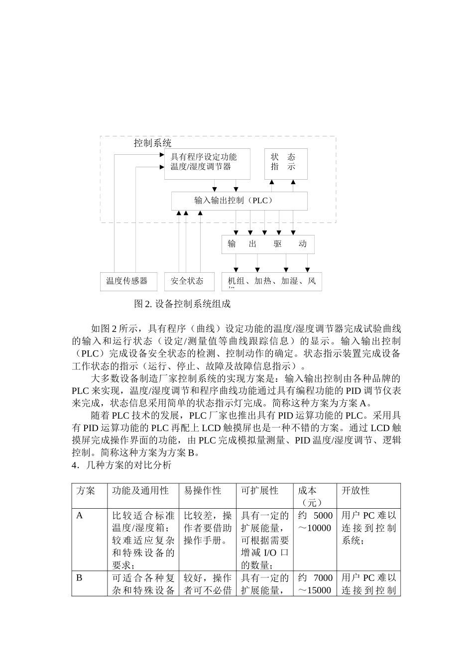
收稿日期:10.10环境试验设备专用控制系统的通用化设计广州爱斯佩克环境仪器有限公司高级工程师郑建福Abstract:ThisArticleprovideaenvironmentaltestingequipmentcontrollingsystemgeneralizationdesignschemeandrealizationbasedonanalyseoftheequipmentbasicfunctionsandsorts.摘要:本文在对环境试验设备基本功能和分类分析的基础上,提出了控制系统的通用化设计方案及实现。关键词:环境试验设备控制系统通用化Keywords:environmentaltestingequipment,controllingsystem,generalization1.环境试验设备功能简介环境试验设备是一种用于评价产品环境适应能力和质量的设备,其功能是制造各种不同的温度、湿度、气压及其组合和变化的环境条件,以激发和暴露被测试产品的缺陷,它是提高各种产品质量不可缺少的工具。从手机、家电等各种民用产品到卫星、导弹等军工产品都需要进行环境适应性试验和可靠性试验。目前我国已经成为全球制造业的中心,对环境试验设备的需求在急剧增加。本文是针对环境试验设备(以下简称设备)控制系统的通用化与开放性进行讨论。2.设备的基本构成和分类如图1所示,设备通常由试验室、制冷机组、控制系统组成;试验室内又包含样品区,空气调节通道;空气条件通道中有加热丝、蒸发器、加湿器、风机;在通道出口有干球和湿球温度传感器;其工作原理为:将样品放入样品区,从操作面板给定试验的条件(温度/湿度),控制系统发出指令启动风机工作,并根据试验的温度和湿度设定值,控制加热器、蒸发器、加湿器工作。风机在设备运行后一直工作,控制系统根据传感器测量反馈得到样品区内的实际温度和湿度,采用一定的调节规律控制加热器、加湿器和制冷机等部件的工作,从而到达试验要求的温度和湿度。试验室内示意传感器加热器加湿器箱体及保温材料图1.环境试验设备示意图蒸发器样品制冷机组样图品区空气调节通道风机控制系统根据不同的试验需要,设备分为:高于环境温度的高温试验箱(温度60~300℃),多用于样品的老化试验;具有高温和低温的温度试验箱(温度-70~150℃),多用于环境适应性评价试验;具有温度和湿度的高低温湿热试验箱(温度-70~150℃,湿度10~99%RH),多用于环境适应性评价试验;温度冲击试验箱(温度-80~250℃,温度冲击恢复时间5分钟),多用于元器件缺陷暴露;快速温度变化(温度-80~150℃,温度变化速率5~15℃/min),多用于整机和部件的缺陷激发;温度湿度加振动的三综合试验箱(实际上是快速温度变化箱+湿度控制+振动接口),用于高可靠产品的整机和部件的缺陷激发。这些不同类型的设备基本原理相同,在温度控制方面,若要提高温度可控制加热器通电;但是要使温度降低就没有那么简单,根据目前的制冷技术,同行都采用的是机械制冷方式,通过控制制冷机组及管路。从工作寿命和温度控制的波动等因素考虑,制冷机组的工作不能频繁的启停,冷量的大小是选择不同的制冷回路。与加热器通过控制通断时间实现功率连续调节不同,制冷量的大小只能通过选择不同的制冷回路调节输出功率,且输出功率的可调性要比加热器复杂的多,同时受机组运行安全性的限制也很大。与我们日常所见的空调机不同,制冷系统的工况比较宽,从高温150℃到低温-80℃环境下都要正常工作,设计上如不注意将造成压缩机过热、超压和缺油等机械故障,直接影响到设备的正常工作。对于上面谈到的快速温度变化箱、综合试验箱、大型步入式试验箱等对制冷量要求较大的设备,如何既实现冷量的合理控制,又保证制冷机组的安全可靠运行是摆在设备系统设计师面前的重要课题。这也要求控制系统在制冷机组安全可靠运行的前提下实现对制冷量的合理控制。由于机组的安全性的限制,可能会造成某些温度或湿度点不能正常工作,我们称这些点为“不良点”,越是复杂的设备存在“不良点“的可能性越大。设备的安全保护包括箱体的过热、样品的过热/过冷保护、风机的过热保护、三相电机的缺相/相序保护、加湿器的过热保护;水路系统(带湿度功能的设备)的水位、进水、排水的保护;制冷系统的超压、欠压、压缩机过热、缺油的保护。大多数试验都有相应的国际(IEC)标准、国家标准...

1、当您付费下载文档后,您只拥有了使用权限,并不意味着购买了版权,文档只能用于自身使用,不得用于其他商业用途(如 [转卖]进行直接盈利或[编辑后售卖]进行间接盈利)。
2、本站所有内容均由合作方或网友上传,本站不对文档的完整性、权威性及其观点立场正确性做任何保证或承诺!文档内容仅供研究参考,付费前请自行鉴别。
3、如文档内容存在违规,或者侵犯商业秘密、侵犯著作权等,请点击“违规举报”。

碎片内容

环境试验设备专用控制系统的通用化研究

您可能关注的文档

墨香书阁+ 关注
实名认证
内容提供者

热爱教学事业,对互联网知识分享很感兴趣

确认删除?
VIP
微信客服
  • 扫码咨询
会员Q群
  • 会员专属群点击这里加入QQ群
客服邮箱
回到顶部