电脑桌面
添加小米粒文库到电脑桌面
安装后可以在桌面快捷访问

钢结构装配焊接工艺准则VIP免费

钢结构装配焊接工艺准则_第1页
1/11
钢结构装配焊接工艺准则_第2页
2/11
钢结构装配焊接工艺准则_第3页
3/11
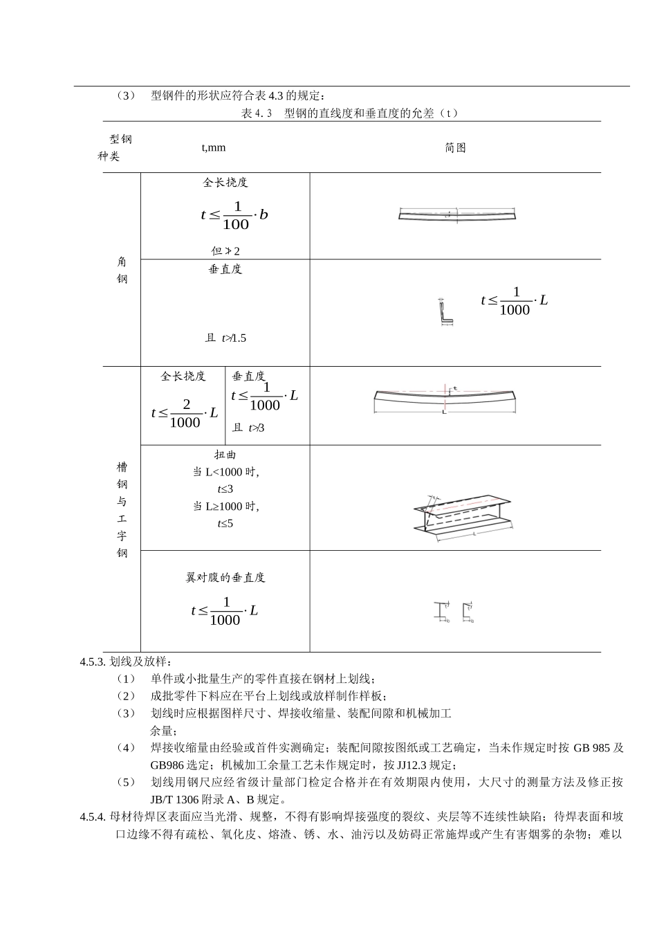
1.PURPOSE目的:本准则为生产工人的日常操作提供指导;规定了常用的焊接方法及焊接工艺。2.SCOPE范围:本准则适用于本企业生产的钢结构装配焊接。3.REFERENCES参考资料:GB324-88焊缝符号表示法GB985-88气焊、手工电弧焊及气体保护焊焊缝坡口的基本形式与尺寸GB986-88埋弧焊焊缝坡口的基本形式和尺寸GB3323-87钢熔化焊对接接头射线照相和质量分级GB5293-93碳素钢埋弧焊用焊剂GB11345-89钢焊缝手工超声波探伤方法和探伤结果分级GBJ17-88钢结构设计规范GB/T15169-94钢熔化焊手焊工资格考试方法GB/T5117-1995碳钢焊条GB/T8110-1995二氧化碳气体保护焊用焊丝GB/T12469-90焊接质量保证钢熔化焊接头的要求和缺陷分级JB1152-87锅炉和钢制压力容器对接焊缝超声波探伤JB/ZQ4000.3焊接件通用技术要求JB/T6963-93钢制件熔化焊工艺评定4.内容4.1.母材:本准则适用的母材为通常用于钢结构制造的抗拉强度下限低于618MPa的碳钢和碳锰钢,属JB/T6963中的P1类(含P1-1、P1-2、P1-3组),见表4.1,采用表4.1.以外的钢材,须经主管工程师同意并采取必要的工艺措施。表4.1.适用钢材型号类组号P1-1P1-2P1-3钢种碳钢、碳锰钢οbmin<481Mpa碳钢、碳锰钢οbmin=480-549Mpa碳钢、碳锰钢οbmin=549-918Mpa钢号Q235(GB700、GB912)10、20、25(GB699)20R(GB6654)20g、22g(GB713)20G(GB5310)12MnCuCr(GB4172)16Mn(GB1591)15MnVg(GB713)09Mn2V(JB755)Q255(GB700)35(GB711)ZG20SiMn、ZG35(GB979)Q275(GB700)45(GB711)15MnVNR(GB6654)ZG25(GB979)15MnCuCr(GB4172)15MnTi(GB1591)4.2.焊接方法:采用手工电弧焊(SMAW)、二氧化碳气体保护焊(MAG、GMAW)、埋弧焊(SAW)等焊接方法。4.3.焊接接头设计:4.3.1.焊接符号应符合GB324的规定;特殊情况用附注或详图解释。4.3.2.所有焊缝的位置、形式、尺寸、长度等要求均应在图纸清楚地表示;还应区分开车间焊接和现场焊接。4.3.3.标准焊接坡口手工电弧焊、CO2气体保护焊坡口形式和尺寸按GB985规定;埋弧焊坡口形式和尺寸按GB986规定.4.3.4.非标准焊接坡口当采用坡口不符合上述标准规定时,可用下列方式表示:(1)附表;(2)文字说明;(3)附详图;(4)另出详图.4.3.5.永久性衬垫和填充材料应作为结构的组成予以规定,其形状、尺寸和材料应纳入图纸。4.3.6.加工后在结构上应保留的焊缝截面形状和尺寸应在图纸中规定。4.3.7.对焊接接头的油、水、气密要求应在焊缝符号尾端或技术要求中标明。4.3.8.焊接前需机械加工的接头应在图中加注。4.3.9.焊后须经除应力处理的结构应在图中说明。4.4.焊工、环境及设备:4.4.1.电焊工应经培训和考试合格。4.4.2.所有焊接和气割设备的性能和所处状态应使操作者能可靠地执行焊接工艺规程。4.4.3.当环境温度低于-5℃时,或工件表面潮湿,焊接处有穿堂风时,不得装焊。4.5.焊前准备:4.5.1.钢材的预矫正:在划线下料前,钢材的平面度、直线度严重超差时,应进行预矫正;一般均在冷态下用机械法矫正,当冷矫难以实施时,允许采用火焰矫正,但必须严格控制加热温度;表4.1.中的低碳钢和低碳锰钢加热不得高于650℃,且应避开蓝脆温度,经调质处理的钢材加热不得超过回火温度;中碳钢不得采用火焰矫正;4.5.2.矫正后应符合下列要求:(1)钢材表面不得有明显的伤痕;(2)钢板件的平面度应符合JB/ZQ4000.3的规定,见表4.2;表4.2.钢板平面度允差(t)厚度δ,mmt,mm简图测量工具δ≤14≤21m直尺δ>14≤1(3)型钢件的形状应符合表4.3的规定:表4.3型钢的直线度和垂直度的允差(t)型钢种类t,mm简图角钢全长挠度但≯2垂直度且t≯31.5槽钢与工字钢全长挠度垂直度且t≯33扭曲当L<1000时,t≤3当L≥1000时,t≤5翼对腹的垂直度4.5.3.划线及放样:(1)单件或小批量生产的零件直接在钢材上划线;(2)成批零件下料应在平台上划线或放样制作样板;(3)划线时应根据图样尺寸、焊接收缩量、装配间隙和机械加工余量;(4)焊接收缩量由经验或首件实测确定;装配间隙按图纸或工艺确定,当未作规定时按GB985及GB986选定;机械加工余量工艺未作规定时,按JJ12.3规定;(5)划线用钢尺应经省级计量部门检定合格并在有效期限内使用,大尺寸的测量方法及修正按JB/T1306附录A、B规...

1、当您付费下载文档后,您只拥有了使用权限,并不意味着购买了版权,文档只能用于自身使用,不得用于其他商业用途(如 [转卖]进行直接盈利或[编辑后售卖]进行间接盈利)。
2、本站所有内容均由合作方或网友上传,本站不对文档的完整性、权威性及其观点立场正确性做任何保证或承诺!文档内容仅供研究参考,付费前请自行鉴别。
3、如文档内容存在违规,或者侵犯商业秘密、侵犯著作权等,请点击“违规举报”。

碎片内容

钢结构装配焊接工艺准则

确认删除?
VIP
微信客服
  • 扫码咨询
会员Q群
  • 会员专属群点击这里加入QQ群
客服邮箱
回到顶部