多天线系统中迫零准则检测技术的实现与研究摘要:随着无线通信的快速发展,由于通信系统的能源消耗大幅增加,节能和绿色通信减少了排放量,...
摘 要:介绍了新资产减值准则具有的针对性和可操作性以及应用中存在的问题,并提出了完善的建议。? 关键词:新资产减值准则;减值损失;...
新时代教师职业行为十项准则前言Preface各省、自治区、直辖市教育厅(教委),新疆生产建设兵团教育局,有关部门(单位)教育司(局),部...
—— 新时代高效教师、新时代中小学教师、新时代幼儿园教师——汇报人:最好的沉淀 汇报单位:某某教育局新时代教师职业行为 十项准则请...
新时代教师职业行为十项准则新时代高效教师、新时代中小学教师、新时代幼儿园教师汇报人:最好的沉淀 汇报单位:某某教育局教育部印发《新...
学校党支部 / 高校团支部教师教育授课辅导汇报人:最好的沉淀 汇报时间: 2024 年 10 月新时代教师职业行为十项准则01新时代中小学...
审计法和内部审计准则知识竞赛试题2014-61.根据《中华人民共和国审计法》的规定,依法属于审计机关审计监督对象的单位的内部审计工作,(B...
《公开发行证券的公司信息披露内容与格式准则第 28号-—创业板公司招股说明书》修订说明为深化以信息披露为中心的理念,切实提高信息披露...
创业板招股说明书准则根据创业企业规模小、业绩不稳定、经营风险高、退市风险大的特点,在内容、框架和格式上与主板尽量保持统一的基础上,...
创业板招股说明书准则根据创业企业规模小、业绩不稳定、经营风险高、退市风险大的特点,在内容、框架和格式上与主板尽量保持统一的基础上,加...
《农村饮水安全评价准则》1、术语和定义农村饮水安全工程:向县(市)以下(不含县城城区)的乡镇、村庄、学校、农场、林场等居民及分散住户...
公开发行证券的公司信息披露内容与格式准则第 28 号—-创业板公司招股说明书目 录第一章 总 则第二章 招股说明书第一节 封面、书脊...
公司管理制度行为法律规范 准则 第一则总则 为加强公司的法律规范管理,维护公司良好形象,特制定本法律规范,明确要求,法律规范行为,制...
拓展训练制度及安全准则 严格根据以下规则执行各团队听从组织者安排,各小组不许擅自活动,严格根据公司时间安排,遵从活动准则。1。穿着:...
保安培训计划法律规范(3 篇)——东南特卫(厦门)保安集团 为了更好的推动保安各项培训工作的进一步开展,努力提高教学质量,为公司培育合...
作业二 Fisher 线性判别分类器一实验目的本实验旨在让同学进一步了解分类器的设计概念,能够根据自己的设计对线性分类器有更深刻地认识,...
企业安全文化建设评价准则 AQT9005-2025前 言本标准由国家安全生产监督管理总局提出。本标准由全国安全生产标准化技术委员会归口.本标准...
中华人民共和国卫生行业标准WS/T251—2025临床实验室安全准则Gui delines for Clinical Laboratory Safety2005 年 5 月 16 日发...
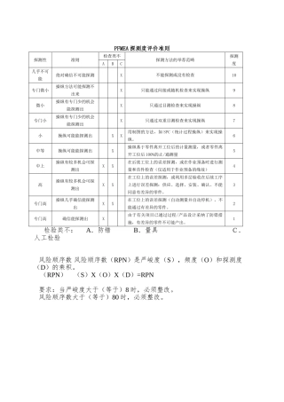
FMEA 风险系数评价准则(SOD)DFMEA 严重度(S)后果准则:对产品影响的严重度(顾客影响)级别不符合安全和/或法规要求潜在的失效模式影响...
企业安全文化建设评价准则 AQT9005—2025前 言本标准由国家安全生产监督管理总局提出。本标准由全国安全生产标准化技术委员会归口。本标...

