电脑桌面
添加小米粒文库到电脑桌面
安装后可以在桌面快捷访问

公共场所安全疏散设计与审核( 9)VIP免费

公共场所安全疏散设计与审核( 9)_第1页
1/11
公共场所安全疏散设计与审核( 9)_第2页
2/11
公共场所安全疏散设计与审核( 9)_第3页
3/11
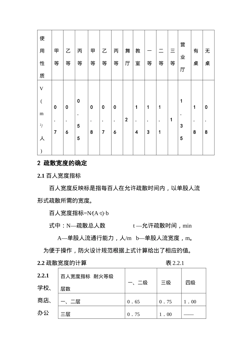
公共场所安全疏散设计与审核摘要:本文根据几起特大火灾事故实例,分析出安全疏散设计不合理,安全出口管理不力,是造成群死群伤恶性火灾事故的直接原因之一,并系统地论述了安全疏散的设计与审核。关键词公共场所安全疏散设计审核94年11月27日辽宁阜新歌舞厅特大火灾,由于歌舞厅南门被锁,造成233人死亡,20人受伤;94年12月8日新疆克拉玛依市友谊馆特大火灾,由于疏散门被堵塞造成325人死亡,130人受伤;95年3月13日辽宁省鞍山商场大火,死35人,伤18人;96年7月17日深圳市端西酒店火灾,死30人,伤13人;2000年12月25洛阳市老城区东都商厦特大火灾,由于疏散通道不畅,造成309……人死亡,百余人受伤。随着人们生活水平和消费意识的提高,原来的一些公共设施已不能满足人民文化、生活、娱乐的需要,因而各种新建影剧院、商场、旅馆、游乐场等大型公共建筑蓬勃发展,而且装修越来越豪华,档次越来越高。据火灾实例分析,发生群死群伤恶性火灾事故的主要原因之一就是火灾初期人员疏散不畅。因此公共建筑的安全疏散设计是否合理,安全出口管理是否得力是减少火灾损失和人员伤亡的关键。为此,笔者就公共场所安全疏散的设计与审核提出一些看法,供同行们参考。1疏散人数的确定1.1明确固定座位数的场所:疏散人数N=该场所最大容纳人数N1(座位数)。1.2没有明确固定座位数的场所:其疏散人数的确定主要有二种方式。1.2.1按面积乘以换算系数确定。表1.2.1即N=S·µ式中S为每层营业厅和为顾客服务用房的面积总数。µ(人/m2)的取值见表1.2.1录像厅、放映厅µ=1.0其它歌舞娱乐放映游艺场所µ=0.51.2.2按每人占有使用面积来确定。即N=S/V式中S为使用面积,V为每人占有使用面积,其取值见表1.2.2表1.2.2建筑剧场观众厅电影院观众厅文化馆餐厅自选会议室层数µ一、二层0.85三层0.77四层及以上0.60使用性质营业厅甲等乙等丙等甲等乙等丙等舞厅教室一等二等三等有桌无桌V(m2/人)0.70.60.550.80.70.621.41.31.111.351.80.82疏散宽度的确定2.1百人宽度指标百人宽度反映标是指每百人在允许疏散时间内,以单股人流形式疏散所需的宽度。百人宽度指标=N∕(A·t)·b式中:N—疏散总人数t—允许疏散时间,minA—单股人流通行能力,人/mb—单股人流宽度,m。为便于操作,防火设计规范根据上式计算给出了相应的值。2.2疏散宽度的计算表2.2.12.2.1学校、商店、办公百人宽度指标耐火等级层数一、二级三级四级一、二层0.650.751.00三层0.751.00——2.2.1学校、商店、办公楼、候车室底层疏散外门、楼梯、走道的各自总宽度按表2.2.1计算。22.2.2剧院、电影院、礼堂等人员密集的公共场所观众厅的疏散内门和观众厅外的疏散外门和走道各自总宽度,按表2.2.2计算。表2.2.1四层及以上1.001.25——观众厅座位数(个)宽度指标耐火等级疏散部位≤2500≤1200一、二级三级门和走道平坡地面0.650.85阶梯地面0.751.00楼梯0.751.002.2.3体育馆观众厅的疏散门及疏散外门,楼梯和走道各自宽度,按表2.2.3计算。表2.2.32.2.4高层公共建筑的疏散外门、走道和楼梯的各自总宽度,按其通过人数每100人不小于1.00m计算。2.3疏散楼梯、走道和门的最小宽度2.3.1人员密集的公共场所观众厅的入场门、太平门的最小宽度不应小于1.4m,室外疏散小巷的宽度不应小于3m。2.3.2高层公共建筑疏散走道、楼梯和外门的最小宽度不应小表于2.3.1表2.3.1观众厅座位数宽度指标耐火等级疏散部位3000~50005001~1000010001~20000一、二级一、二级一、二级门和走道平坡地面0.430.370.32阶梯地面0.500.430.37楼梯0.500.430.372.3.3影院、剧场、礼堂、体育馆等人员密集的公共场所,观众厅内的疏散走道宽度及座位排列应满足下列要求:观众厅内疏散走道宽度按其通过人数每100人不小于0.60m计算,但最小净宽不应小于1.00M,边走道不宜小于0.80m。横走道间的排数不宜超过20排,纵走道间的座位数,剧院、影院、礼堂每排不宜超过22个,体育馆每排不宜超过26个,当前后排距不小于90cm时,可增至50个。3安全出口数量的确定3.1建筑物每个防火分区的安全出口一般不应少于两个。3.2人员密度超过1.2人/m2的建筑物,如剧场、电影院、多功能厅...

1、当您付费下载文档后,您只拥有了使用权限,并不意味着购买了版权,文档只能用于自身使用,不得用于其他商业用途(如 [转卖]进行直接盈利或[编辑后售卖]进行间接盈利)。
2、本站所有内容均由合作方或网友上传,本站不对文档的完整性、权威性及其观点立场正确性做任何保证或承诺!文档内容仅供研究参考,付费前请自行鉴别。
3、如文档内容存在违规,或者侵犯商业秘密、侵犯著作权等,请点击“违规举报”。

碎片内容

公共场所安全疏散设计与审核( 9)

确认删除?
VIP
微信客服
  • 扫码咨询
会员Q群
  • 会员专属群点击这里加入QQ群
客服邮箱
回到顶部