电脑桌面
添加小米粒文库到电脑桌面
安装后可以在桌面快捷访问

C6安全保证措施(建鸡高速)VIP免费

C6安全保证措施(建鸡高速)_第1页
1/40
C6安全保证措施(建鸡高速)_第2页
2/40
C6安全保证措施(建鸡高速)_第3页
3/40
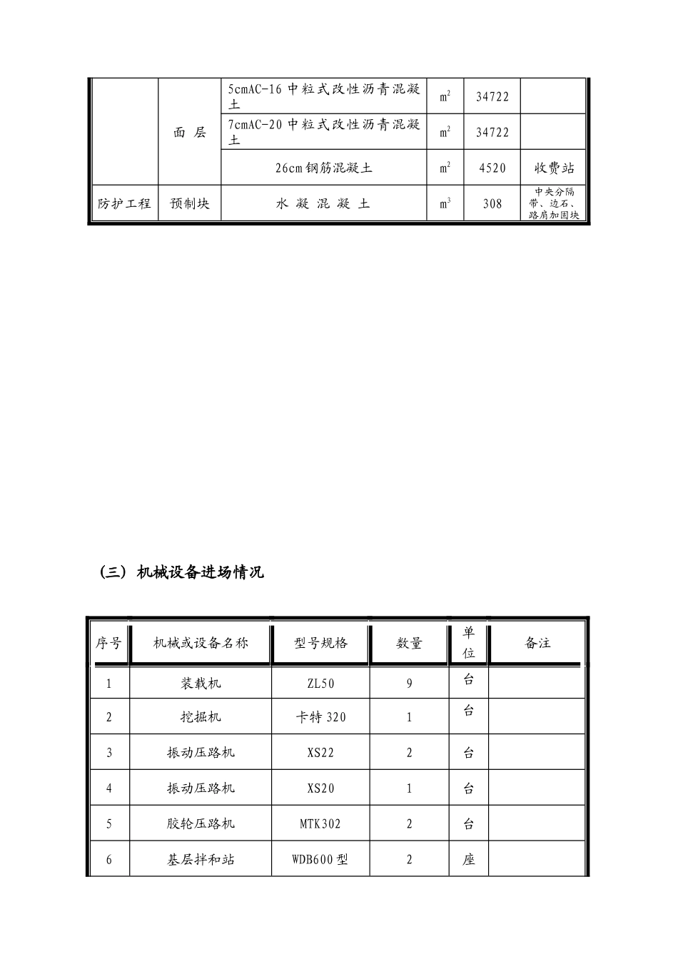
第一部分工程概况一、工程简介建三江至鸡西高速公路位于黑龙江东部三江平原腹地,是我省目前高速公路规划的一个完善和补充,也是贯通我省东部边缘垦区境内的运输大通道,路线规划全长约383公里。我公司承建的是建三江至鸡西高速公路虎林至鸡西段建设项目路面工程第C6合同段起点K130+000,终点K156+116.567,路线长26.117km。(一)工程规模及结构类型路面结构类型:上面层:5cmAC-16中粒式改性沥青混凝土下面层:7cmAC-20中粒式改性沥青混凝土基层:4.5%水泥稳定级配碎石(厚36cm)底基层:5%水泥稳定(75%砂砾+25%碎石)(厚20cm)垫层:天然砂砾(厚20cm)技术标准序号路段K130+000-K156+116.5671公路等级高速公路2地形平原3计算行车速度(km/h)804路基宽度(m)24.55行车道宽度(m)4×3.756中央分隔带(m)2.5m7硬路肩2×2.5m8土路肩2×0.75m9最大纵坡(%)3.610设计车辆载荷公路-Ⅰ级11设计洪水频率1/100(二)主要分项工程数量主线路面结构及工程量路面工程结构层类型单位数量备注垫层20cm砂砾垫层m2208130底基层20cm5%水泥稳定级配(75%砂砾+25%碎石)m2548629基层36cm4.5%水泥稳定级配碎石m2534155透层乳化沥青m2534155粘层改性沥青m2504865面层5cmAC-16中粒式改性沥青混凝土m25048657cmAC-20中粒式改性沥青混凝土m2504865防护工程预制块水凝混凝土m33310中央分隔带、边石、路肩加固块K135+400永安互通路面结构及工程量路面工程结构层类型单位数量备注垫层20cm砂砾垫层m217719底基层20cm5%水泥稳定级配(75%砂砾+25%碎石)m243021基层36cm4.5%水泥稳定级配碎石m23714920cm4.5%水泥稳定级配碎石m24806收费站透层乳化沥青m237149粘层改性沥青m234722面层5cmAC-16中粒式改性沥青混凝土m2347227cmAC-20中粒式改性沥青混凝土m23472226cm钢筋混凝土m24520收费站防护工程预制块水凝混凝土m3308中央分隔带、边石、路肩加固块(三)机械设备进场情况序号机械或设备名称型号规格数量单位备注1装载机ZL509台2挖掘机卡特3201台3振动压路机XS222台4振动压路机XS201台5胶轮压路机MTK3022台6基层拌和站WDB600型2座(四)人员进场情况序号职务进场人员证件编号备注1项目经理刘永强建造师:000880342安全副经理高善春黑建安B(2008)01185093项目副经理王志远职称证:B1204210394项目总工王心智职称证:A9408101305计划工程师侯中华职称证:A9408101306财务主管黄莉伟7质检工程师姜威职称证:A940520328范士国职称证:A9406203439路面工程师王强职称证:A9404202657基层摊铺机中大DT16001台8沥青砼拌和站DL4000型1座9面层摊铺机福格勒2100-21台10双钢轮双振动压路机YZC123台11平地机1802台12洒水车8T5台13自卸汽车15台14生产、生活用车7台10张斌职称证:A18012009311测量工程师张剑职称证:A99200488212薛海明职称证:A94042027013试验检测工程师杨建华检测师证:0601394D14石育韪检测师证:1032626G15机械工程师王善伟职称证:A94052030916李国恩职称证:A99100356817造价工程师杨树伟职称证:A18002011718专项安全员李威黑交安C2(11)G0066姜祥明待发田磊待发第二部分安全生产方针及目标一、安全生产方针及目标1、安全生产方针:安全第一、预防为主。2、安全生产目标:坚决杜绝因工死亡事故、杜绝因工重伤事故,轻伤控制在3‰以下。二、安全管理机构设置及人员配备项目经理部成立安全工作领导小组,项目经理任组长,项目副经理负责日常的安全工作。配备4名专职安全员负责各分项工程的安全检查工作。三、安全生产制度⒈严格执行国家《建设工程施工安全管理条例》、黑龙江省建筑施工安全生产有关规定有关安全生产的制度,确保安全生产。⒉加强安全管理,保障施工人员和国家财产的安全。根据“管生产,必需管安全”和“谁施工,谁负责”的原则,建立各级安全生产责任制,分级管理,层层签订安全生产责任书,落实安全生产责任制。⒊严格执行安全生产检查制度和奖惩制度。项目经理部每周对安全生产情况进行一次抽查,每月一次大检查。项目经理部积极配合上级安全部门的安全监督,对存在的安全事故苗头和隐患及时处理,并根据安全检查情况实施奖罚。⒋开展安全达标竞赛。项目经理部定期开展安全标准工地建设的...

1、当您付费下载文档后,您只拥有了使用权限,并不意味着购买了版权,文档只能用于自身使用,不得用于其他商业用途(如 [转卖]进行直接盈利或[编辑后售卖]进行间接盈利)。
2、本站所有内容均由合作方或网友上传,本站不对文档的完整性、权威性及其观点立场正确性做任何保证或承诺!文档内容仅供研究参考,付费前请自行鉴别。
3、如文档内容存在违规,或者侵犯商业秘密、侵犯著作权等,请点击“违规举报”。

碎片内容

C6安全保证措施(建鸡高速)

您可能关注的文档

确认删除?
VIP
微信客服
  • 扫码咨询
会员Q群
  • 会员专属群点击这里加入QQ群
客服邮箱
回到顶部