电脑桌面
添加小米粒文库到电脑桌面
安装后可以在桌面快捷访问

汽车技术等级评定标准JT-T198-95(1)VIP免费

汽车技术等级评定标准JT-T198-95(1)_第1页
1/6
汽车技术等级评定标准JT-T198-95(1)_第2页
2/6
汽车技术等级评定标准JT-T198-95(1)_第3页
3/6
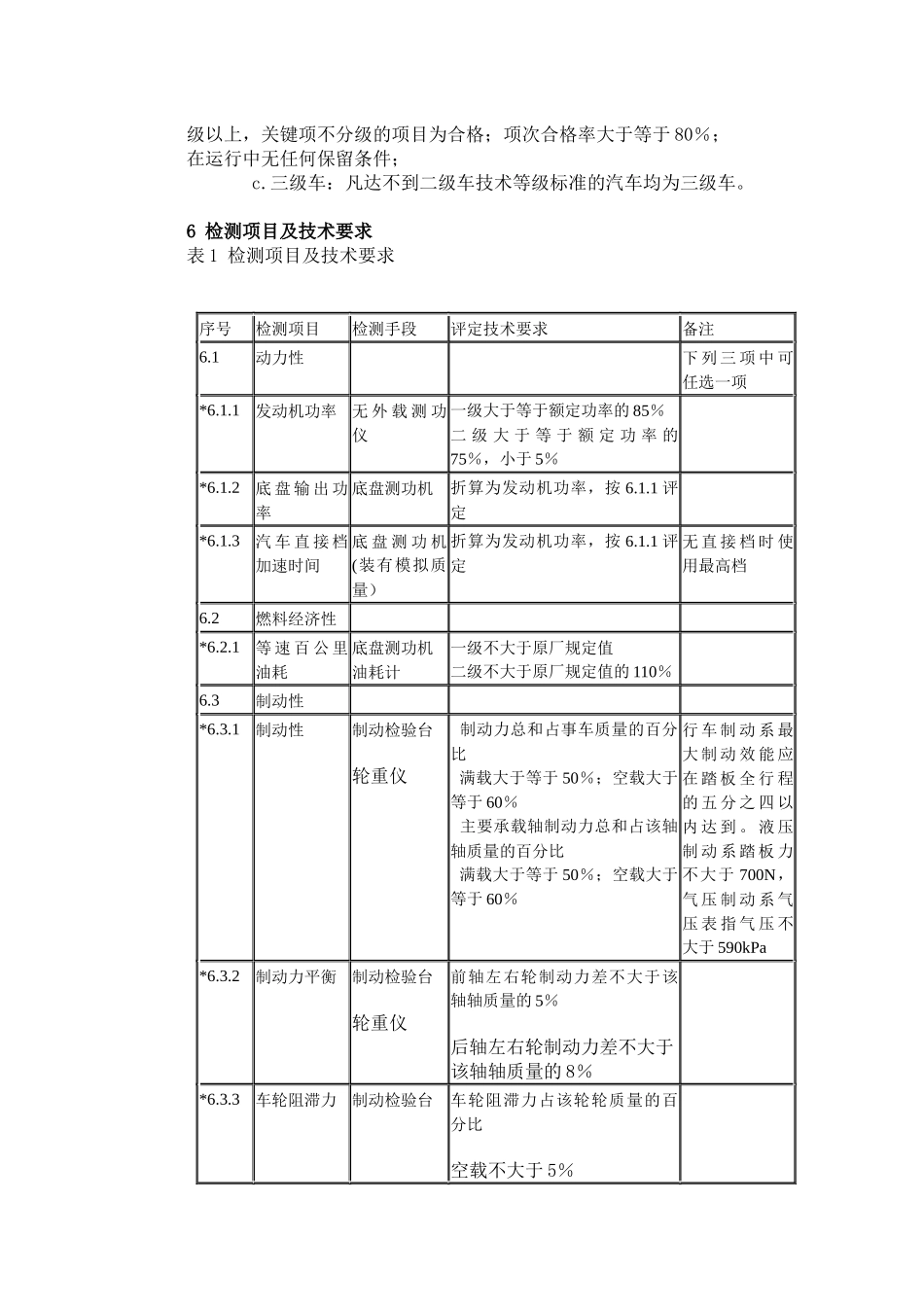
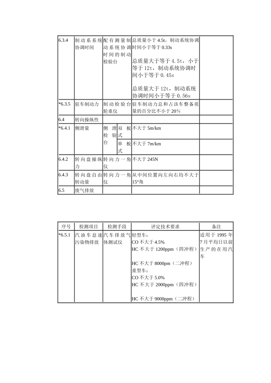
汽车技术等级评定标准JT/T198-951主题内容与适用范围本标准规定了汽车技术等级的评定内容、评定规则、检测项目及技术要求。本标准适用于公路及城市道路上行驶的总质量26t以下(含26t)的汽车和总质量45t以下面含45t)的汽车列车。2引用标准GB3798汽车大修竣工出厂技术条件GB4599汽车前照灯配光性能GB5624汽车维修术语GB7258机动车运行安全技术条件GB7454机动车前照灯使用和光束调整技术规定GB12481客车防雨密封性限值GB14661.5汽油车怠速污染物排放标准GB14761.6柴油车自由加速烟度排放标准3术语汽车技术等级technicalclassificationofmotor-vehicles评定汽车技术状况的技术分级。4评定内容4.1主要评定汽车的动力性、燃料经济性、制动性、转向操纵性、前照灯及喇叭噪声、废气排放、汽车防雨密封性、整车与外观。4.2汽车使用年限,按新车投入运行之日起核定。5评定规则5.14.1规定的内容是汽车技术等级评定的基本内容,其评定项目按重要程度分为“关键项”和“一般项”。5.2汽车技术等级评定采用汽车使用年限、关键项和项次合格率来衡量,分为一级车、二级车、三级车三个等级。5.3项次合格率计算方法NB=----×100%…………………………………(1)M式中:B-项次合格率;N-检测合格的项次数之和;M-检测的项次数之和。5.4汽车技术等级分级方法a.一级车:使用年限在七年以内;关键项分级的项目达到一级,关键项不分级的项目为合格;项次合格率大于等于90%;在运行中无任何保留条件。b.二级车:使用年限超过七年;关键项分级的项目达到二级以上,关键项不分级的项目为合格;项次合格率大于等于80%;在运行中无任何保留条件;c.三级车:凡达不到二级车技术等级标准的汽车均为三级车。6检测项目及技术要求表1检测项目及技术要求序号检测项目检测手段评定技术要求备注6.1动力性下列三项中可任选一项*6.1.1发动机功率无外载测功仪一级大于等于额定功率的85%二级大于等于额定功率的75%,小于5%*6.1.2底盘输出功率底盘测功机折算为发动机功率,按6.1.1评定*6.1.3汽车直接档加速时间底盘测功机(装有模拟质量)折算为发动机功率,按6.1.1评定无直接档时使用最高档6.2燃料经济性*6.2.1等速百公里油耗底盘测功机油耗计一级不大于原厂规定值二级不大于原厂规定值的110%6.3制动性*6.3.1制动性制动检验台轮重仪制动力总和占事车质量的百分比满载大于等于50%;空载大于等于60%主要承载轴制动力总和占该轴轴质量的百分比满载大于等于50%;空载大于等于60%行车制动系最大制动效能应在踏板全行程的五分之四以内达到。液压制动系踏板力不大于700N,气压制动系气压表指气压不大于590kPa*6.3.2制动力平衡制动检验台轮重仪前轴左右轮制动力差不大于该轴轴质量的5%后轴左右轮制动力差不大于该轴轴质量的8%*6.3.3车轮阻滞力制动检验台车轮阻滞力占该轮轮质量的百分比空载不大于5%6.3.4制动系系统协调时间配有测量制动系统协调时间的制动检验台总质量小于4.5t,制动系统协调时间小于等于0.33s总质量大于等于4.5t,小于等于12t,制动系统协调时间小于等于0.45s总质量大于12t,制动系统协调时间小于等于0.56s*6.3.5驻车制动力制动检验台轮重仪驻车制动力总和占该车整备质量的百分比不小于20%6.4转向操纵性*6.4.1侧滑量侧滑检验台双板式不大于5m/km单板式不大于7m/km6.4.2转向盘操纵力转向力一角仪不大于245N6.4.3转向盘自由转动量转向力一角仪从中间位置向左向右均不大于15°角6.5废气排放序号检测项目检测手段评定技术要求备注*6.5.1汽油车怠速污染物排放汽车排放气体测试仪轻型车:CO不大于4.5%HC不大于1200ppm(四冲程)HC不大于8000pm(二冲程)重型车:CO不大于5.0%HC不大于2000ppm(四冲程)HC不大于9000ppm(二冲程)适用于1995年7月平均日以前生产的在用汽车轻型车:CO不大于4.5%HC不大于900ppm(四冲程)HC不大于7500ppm(二冲程)重型车CO不大于4.5%HC不大于1200ppm(四冲程)HC不大于8000ppm(二冲程)适用于1995年7月平均日以后生产的在用汽车*6.5.2柴油车自由加速度排放烟度计不大于烟度值FSN5.0适用于1995年7月平均日以前生产的在用汽车不大于烟度值FSN4.5适用于1995年7月平均...

1、当您付费下载文档后,您只拥有了使用权限,并不意味着购买了版权,文档只能用于自身使用,不得用于其他商业用途(如 [转卖]进行直接盈利或[编辑后售卖]进行间接盈利)。
2、本站所有内容均由合作方或网友上传,本站不对文档的完整性、权威性及其观点立场正确性做任何保证或承诺!文档内容仅供研究参考,付费前请自行鉴别。
3、如文档内容存在违规,或者侵犯商业秘密、侵犯著作权等,请点击“违规举报”。

碎片内容

汽车技术等级评定标准JT-T198-95(1)

确认删除?
VIP
微信客服
  • 扫码咨询
会员Q群
  • 会员专属群点击这里加入QQ群
客服邮箱
回到顶部