电脑桌面
添加小米粒文库到电脑桌面
安装后可以在桌面快捷访问

公用工程车间题库AVIP免费

公用工程车间题库A_第1页
1/87
公用工程车间题库A_第2页
2/87
公用工程车间题库A_第3页
3/87
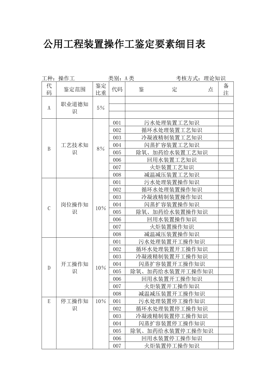
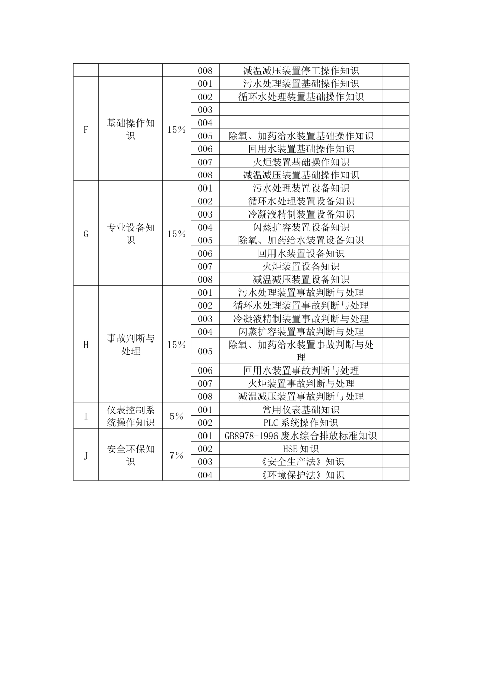
目录1.公用工程装置操作工鉴定要素细目表...................22.填空题.............................................43.单项选择题........................................124.判断题............................................355.简答题............................................476.计算题............................................527.技能操作试题......................................54公用工程装置操作工鉴定要素细目表工种:操作工类别:A类考核方式:理论知识代码鉴定范围鉴定比重代码鉴定点备注A职业道德知识5%B工艺技术知识8%001污水处理装置工艺知识002循环水处理装置工艺知识003冷凝液精制装置工艺知识004闪蒸扩容装置工艺知识005除氧、加药给水装置工艺知识006回用水装置工艺知识007火炬装置工艺知识008减温减压装置工艺知识C岗位操作知识10%001污水处理装置操作知识002循环水处理装置操作知识003冷凝液精制装置操作知识004闪蒸扩容装置操作知识005除氧、加药给水装置操作知识006回用水装置操作知识007火炬装置操作知识008减温减压装置操作知识D开工操作知识10%001污水处理装置开工操作知识002循环水处理装置开工操作知识003冷凝液精制装置开工操作知识004闪蒸扩容装置开工操作知识005除氧、加药给水装置开工操作知识006回用水装置开工操作知识007火炬装置开工操作知识008减温减压装置开工操作知识E停工操作知识10%001污水处理装置停工操作知识002循环水处理装置停工操作知识003冷凝液精制装置停工操作知识004闪蒸扩容装置停工操作知识005除氧、加药给水装置停工操作知识006回用水装置停工操作知识007火炬装置停工操作知识008减温减压装置停工操作知识F基础操作知识15%001污水处理装置基础操作知识002循环水处理装置基础操作知识003004005除氧、加药给水装置基础操作知识006回用水装置基础操作知识007火炬装置基础操作知识008减温减压装置基础操作知识G专业设备知识15%001污水处理装置设备知识002循环水处理装置设备知识003冷凝液精制装置设备知识004闪蒸扩容装置设备知识005除氧、加药给水装置设备知识006回用水装置设备知识007火炬装置设备知识008减温减压装置设备知识H事故判断与处理15%001污水处理装置事故判断与处理002循环水处理装置事故判断与处理003冷凝液精制装置事故判断与处理004闪蒸扩容装置事故判断与处理005除氧、加药给水装置事故判断与处理006回用水装置事故判断与处理007火炬装置事故判断与处理008减温减压装置事故判断与处理I仪表控制系统操作知识5%001常用仪表基础知识002PLC系统操作知识J安全环保知识7%001GB8978-1996废水综合排放标准知识002HSE知识003《安全生产法》知识004《环境保护法》知识填空题1、根据空气流动方向不同,()通风冷却塔又可分为横流式和()式。1、答:机械、逆流式(F002)2、冷却塔根据空气进入塔内的情况分为()通风和()通风两大类。2、答:自然、机械(B002)3、冷却水系统基本可分为()水系统和()水系统。3、答:直流、循环(B002)4、冷却塔的作用是用来冷却()水。4、答:循环(F002)5、按照水中阴离子的组成,可把硬度区分为()硬度和()硬度。5、答:碳酸盐、非碳酸盐(B002)6、碳酸盐硬度就是()和()的重碳酸盐和碳酸盐,碳酸盐硬度又称()。6、答:钙、镁、暂时硬度(B002)7、循环冷却水系统可分为()式循环冷却水系统和()式循环冷却水系统两种。7、答:密闭、敞开(G002)8、聚羧酸的阻垢和分散机理是()作用、()作用、()作用。8、答:增溶、晶格畸变、静电斥力(B002)9、旁流过滤处理按物理性质形态分为()处理和()处理两大类。9、答:悬浮固体、溶解固体(G002)10、敞开式循环冷却水在循环过程中共有四部分损失分别为()损失、()损失、()损失、()损失。10、答:蒸发、风吹、渗漏、排污(F002)11、在敞开式循环冷却水中的水垢主要成分为()、()、()、()、()。11、答:碳酸钙、硫酸钙、磷酸钙、镁盐、硅酸盐(D002)12、换热设备常用的物理清洗方法有()清洗、()清洗、()清洗、()清洗、()清洗、()清洗、()清洗。12、答...

1、当您付费下载文档后,您只拥有了使用权限,并不意味着购买了版权,文档只能用于自身使用,不得用于其他商业用途(如 [转卖]进行直接盈利或[编辑后售卖]进行间接盈利)。
2、本站所有内容均由合作方或网友上传,本站不对文档的完整性、权威性及其观点立场正确性做任何保证或承诺!文档内容仅供研究参考,付费前请自行鉴别。
3、如文档内容存在违规,或者侵犯商业秘密、侵犯著作权等,请点击“违规举报”。

碎片内容

公用工程车间题库A

确认删除?
VIP
微信客服
  • 扫码咨询
会员Q群
  • 会员专属群点击这里加入QQ群
客服邮箱
回到顶部