电脑桌面
添加小米粒文库到电脑桌面
安装后可以在桌面快捷访问

计量管理岗位说明书VIP免费

计量管理岗位说明书_第1页
1/3
计量管理岗位说明书_第2页
2/3
计量管理岗位说明书_第3页
3/3
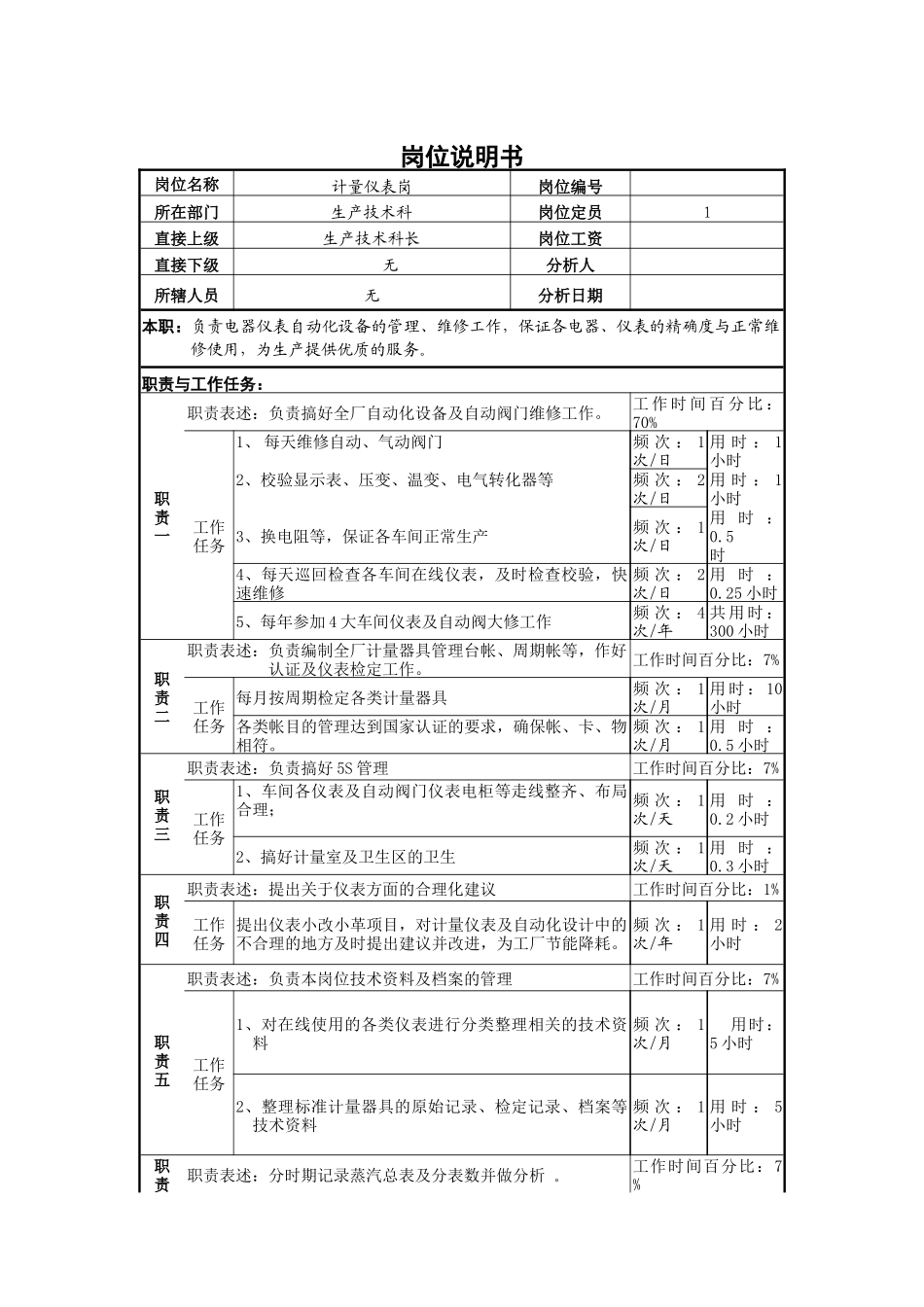
岗位说明书岗位名称计量仪表岗岗位编号所在部门生产技术科岗位定员1直接上级生产技术科长岗位工资直接下级无分析人所辖人员无分析日期本职:负责电器仪表自动化设备的管理、维修工作,保证各电器、仪表的精确度与正常维修使用,为生产提供优质的服务。职责与工作任务:职责一职责表述:负责搞好全厂自动化设备及自动阀门维修工作。工作时间百分比:70%工作任务1、每天维修自动、气动阀门频次:1次/日用时:1小时2、校验显示表、压变、温变、电气转化器等频次:2次/日用时:1小时3、换电阻等,保证各车间正常生产频次:1次/日用时:0.5时4、每天巡回检查各车间在线仪表,及时检查校验,快速维修频次:2次/日用时:0.25小时5、每年参加4大车间仪表及自动阀大修工作频次:4次/年共用时:300小时职责二职责表述:负责编制全厂计量器具管理台帐、周期帐等,作好认证及仪表检定工作。工作时间百分比:7%工作任务每月按周期检定各类计量器具频次:1次/月用时:10小时各类帐目的管理达到国家认证的要求,确保帐、卡、物相符。频次:1次/月用时:0.5小时职责三职责表述:负责搞好5S管理工作时间百分比:7%工作任务1、车间各仪表及自动阀门仪表电柜等走线整齐、布局合理;频次:1次/天用时:0.2小时2、搞好计量室及卫生区的卫生频次:1次/天用时:0.3小时职责四职责表述:提出关于仪表方面的合理化建议工作时间百分比:1%工作任务提出仪表小改小革项目,对计量仪表及自动化设计中的不合理的地方及时提出建议并改进,为工厂节能降耗。频次:1次/年用时:2小时职责五职责表述:负责本岗位技术资料及档案的管理工作时间百分比:7%工作任务1、对在线使用的各类仪表进行分类整理相关的技术资料频次:1次/月用时:5小时2、整理标准计量器具的原始记录、检定记录、档案等技术资料频次:1次/月用时:5小时职责职责表述:分时期记录蒸汽总表及分表数并做分析。工作时间百分比:7%六工作任务每天记录总蒸汽表及分表瞬时流量、压力、温度、累计量,并进行列表分析,以便及时发现问题,向班长、科长报告。频次:1次/日用时:0.5小时职责七职责表述:完成上级交办的其它工作工作时间百分比:1%权力:1、据检定计划及计量仪表维修计划有向车间要求配合检定与维修的权利2、有据计量器具管理规定要求操作按规定使用的权利3、对本岗位工作直接执行权4、有越级申诉权考核指标:1、在线仪表及自动阀维修,达到快速维修、准确可靠,不能耽误生产,2、在线计量器具完好率达到95%以上3、计量器具周期检定率100%4、计量器具周期送检率100%5、在线计量器具的台帐、周期帐的整理,帐、卡、物相符,字迹清楚6、卫生要求干净整洁,物品摆放有序7、工作达到领导要求工作协作关系:内部协调关系各车间、设备科、生产科外部协调关系市计量所任职资格:教育水平大专以上专业自动化仪表工作经验2年能力要求要求有专业维修及仪表操作能力,具有一定的专业英语水平,检定需要有检定员证个性特征责任心强、工作认真生理特征无所需培训专业上岗培训需3个月以上工作特点:工作场所各车间、计量室工作方式站着、坐着维修、检定,走动巡视工作时间特征白天,工作环境冷、热、异味、粉尘、燥声体力精力消耗精力高度集中工作环境室内外劳动保护接触380V以下的交流电、直流电,接触氨气、蒸汽、风压及车间杀菌用的漂白粉、甲醛等使用工具/设备电脑,标准计量器具,万用表,手钳,扳手,螺丝刀,管钳,锤子,电工刀等所需记录文档台帐、计划、各种记录备注:

1、当您付费下载文档后,您只拥有了使用权限,并不意味着购买了版权,文档只能用于自身使用,不得用于其他商业用途(如 [转卖]进行直接盈利或[编辑后售卖]进行间接盈利)。
2、本站所有内容均由合作方或网友上传,本站不对文档的完整性、权威性及其观点立场正确性做任何保证或承诺!文档内容仅供研究参考,付费前请自行鉴别。
3、如文档内容存在违规,或者侵犯商业秘密、侵犯著作权等,请点击“违规举报”。

碎片内容

计量管理岗位说明书

您可能关注的文档

墨香书阁+ 关注
实名认证
内容提供者

热爱教学事业,对互联网知识分享很感兴趣

确认删除?
VIP
微信客服
  • 扫码咨询
会员Q群
  • 会员专属群点击这里加入QQ群
客服邮箱
回到顶部