电脑桌面
添加小米粒文库到电脑桌面
安装后可以在桌面快捷访问

专用设备公司工艺员VIP免费

专用设备公司工艺员_第1页
1/2
专用设备公司工艺员_第2页
2/2
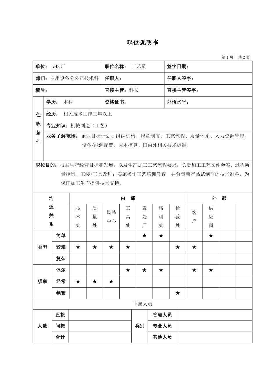
职位说明书第1页共2页单位:743厂职位名称:工艺员签字日期:部门:专用设备分公司技术科任职人:任职人签字:编号:直接主管:科长直接主管签字:任职条件学历:本科资格证书:外语水平:经历:相关技术工作三年以上专业知识:机械制造(工艺)业务了解范围:企业目标计划、组织机构、规章制度、工艺流程、质量体系、人力资源管理、设备/能源配置、成本核算、国内外相关技术标准。职位目的:根据生产经营目标和发展,以及生产加工工艺流程要求,负责加工工艺文件会签、过程质量控制、工装/工具改进;实施操作工艺培训教育,并负责新产品试制前的技术准备,为保证加工生产提供技术支持。沟通关系内部外部技术处质量处民品中心工具处表处厂培训处检验处客户供应商类型简单★★★较难★★★★★★复杂频率偶尔★★★★★经常★★★频繁★下属人员人数直接类别管理人员间接专业人员合计其他人员职位说明书第2页共2页职责范围说明:按职责重要程度列出每项职责及其目的责任程度衡量标准1.参与文件会签:根据产品图纸和技术要求,以及加工设备、能源、工装、人力,对新产品的工艺规程参与会签,并对加工试制过程中的问题,实施信息反馈,提出意见,协助工艺文件的改进,保证技术文件的合理性,可靠性,正确有效地指导生产。全责及时/合理2.过程质量控制:根据产品图纸技术要求,对工艺文件的执行情况实施跟踪,发现质量隐患和质量问题,提出措施,纠正和改进,严格工艺纪律、并跟踪指导在加工过程的实施,为产品质量提供支持。全责工艺贯彻率3.工装/夹具改进:根据生产加工要求和产品技术文件,对影响产品质量和劳动效率的工装、夹具,向主管技术部门,反馈信息,提出合理化建议,经审核后,实施设计改进,为加工生产提供技术服务。全责合理有效4.操作工艺培训:根据加工工艺和操作工人技能要求,对新工人和在岗工人组织实施培训,确定培训人员,编制培训计划,组织培训和理论考试,为技能提高、达标、上岗取证,适应生产技术要求提供保证。全责计划实现率5.新品技术准备:根据新产品图纸和技术要求,消化图纸,平衡工夹、量具、设备、人力文件,编制技术准备方案,实施工艺、工装设计,经文件会签、批准、审订后下发制作,为产品试制提供技术准备。全责计划实现率

1、当您付费下载文档后,您只拥有了使用权限,并不意味着购买了版权,文档只能用于自身使用,不得用于其他商业用途(如 [转卖]进行直接盈利或[编辑后售卖]进行间接盈利)。
2、本站所有内容均由合作方或网友上传,本站不对文档的完整性、权威性及其观点立场正确性做任何保证或承诺!文档内容仅供研究参考,付费前请自行鉴别。
3、如文档内容存在违规,或者侵犯商业秘密、侵犯著作权等,请点击“违规举报”。

碎片内容

专用设备公司工艺员

墨香书阁+ 关注
实名认证
内容提供者

热爱教学事业,对互联网知识分享很感兴趣

确认删除?
VIP
微信客服
  • 扫码咨询
会员Q群
  • 会员专属群点击这里加入QQ群
客服邮箱
回到顶部