电脑桌面
添加小米粒文库到电脑桌面
安装后可以在桌面快捷访问

安全生产责任制度999937685VIP免费

安全生产责任制度999937685_第1页
1/19
安全生产责任制度999937685_第2页
2/19
安全生产责任制度999937685_第3页
3/19
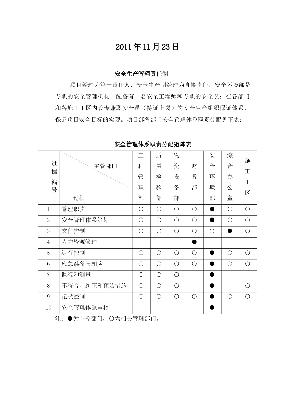
南水北调东线第一期工程洪泽湖抬高蓄水位影响处理五河县境内2011年度实施土建及设备采购安装Ⅱ标合同编号:AH-2011-13安全生产责任制度山东菏泽黄河工程局南水北调项目部2011年11月23日安全生产管理责任制项目经理为第一责任人,安全生产副经理为直接责任,安全环境部是专职的安全管理机构,配备有一名安全工程师和专职的安全员;在各部门和各施工工区内设专兼职安全员(持证上岗)的安全生产组织保证体系,保证项目安全目标的实现。项目部各部门安全管理体系职责分配见下表:安全管理体系职责分配矩阵表过程编号主管部门过程工程管理部质量检验部物资设备部财务部安全环境部综合办公室施工工区1管理职责○○○○●○○2安全管理体系策划○○○○●○○3文件控制○○○○○●○4人力资源管理●5运行控制○○○○●○○6应急准备与相应○○○○●○○7监视和测量○○○●8不符合、纠正和预防措施○○○●○9记录控制○○○○●○○10安全管理体系审核●注:●为主控部门,○为相关管理部门。其它经济奖惩安全生产保证体系思想保证组织保证技术保证经济保证普及教育专业教育特殊工种教育强化安全意识增强预防能力项目部安全领导小组安全环保科科部队安全领导小组专(兼)职安全员科(部)每季一次检查队每月一次检查工班每周一次检查班组每天检查定期检查不定期检查班组长义务安全员开展安全活动对安全隐患逐一落实解决逐级签订包保责任制经济兑现安全生产按规定提技术措施经费安全生产体系框图一、各级部门人员责任制为保证各级领导按章履行各自的职责,对各级领导及人员、部门的安全生产责任规定如下:1、决策层安全生产职责(1)项目经理是工程项目部安全生产的第一责任人,全面负责工程项目部的安全生产工作。贯彻落实国家有关安全生产的法律、法规、方针和业主单位的决议,建立、健全项目部安全管理体系,对安全工作规划、投入、重大举措进行决策,保证安全经费的投入,组织审定项目部安全管理规章制度,及时、如实报告安全生产事故。(2)项目副经理履行经理委托的相应职责,组织制定实施工程项目部的年度安全工作规划,组织安全生产方案的审定,组织较大事故的调查处理,参与重大事故的调查处理,组织每月的安全大检查及月例会。并协调与地方、业主、对口部门的工作。(3)项目总工程师承担安全生产技术管理、技术监督方面的安全职责,审定安全生产技术方案并指导现场安全技术方案的实施。组织编制并审批现场施工规程和规定,并根据情况及时组织修改、补充、完善。2、各部室安全生产职责安全生产要真正贯彻“安全第一,预防为主”的方针。各部门都对安全生产负有责任。各级人员到施工现场都要加强自我保护防范意识。机关各部门在安全上服从安全办的管理,做好有关安全生产的协作工作,凡由本部门范围内引起的安全事故,由部门正职负责。(1)安全环境部①积极贯彻执行国家行业有关安全生产的法律法规,积极贯彻执行业主单位、工程项目部有关安全生产的规章、制度、指令。制定项目部安全工作计划,进行目标管理。②支持、指导、监督管理项目部各部门及工区厂的安全管理工作。③制定项目部安全管理的计划与实施细则,落实审核安全措施.④抓好安全宣传教育,制定全员的安全培训计划,编写培训教材,组织工程项目部全员的安全培训教育,组织新进厂人员的“三级教育”。定期召开安全生产座谈会,倾听职工意见,研究安全生产形势,制定防范措施和解决方法,改善劳动环境。⑤负责生产区的安全生产日常巡查,周、月安全检查工作,监督员工遵守安全操作规章制度,制止“三违”,做好每天的安全记录,设立台帐。对查出的隐患下发安全指令限时整改,跟踪落实。⑥负责劳保用品、安全器材的采购计划及发放的审批,并与物资设备部共同进行质量会签,监督其符合要求。不断完善劳动条件,制定劳动保护技术措施计划,创造安全卫生的作业环境,防止和消灭职业病。在工程地区特别要做好夏季防暑降温监督检查工作,对各种违章、违纪行为进行处罚。⑦定期召开安全生产专题会,对每月的安全生产考评等情况进行通报,对下步的工作进行布署安排。⑧组织或参加伤亡事故调查,进行伤亡事故统计和分析,对事...

1、当您付费下载文档后,您只拥有了使用权限,并不意味着购买了版权,文档只能用于自身使用,不得用于其他商业用途(如 [转卖]进行直接盈利或[编辑后售卖]进行间接盈利)。
2、本站所有内容均由合作方或网友上传,本站不对文档的完整性、权威性及其观点立场正确性做任何保证或承诺!文档内容仅供研究参考,付费前请自行鉴别。
3、如文档内容存在违规,或者侵犯商业秘密、侵犯著作权等,请点击“违规举报”。

碎片内容

安全生产责任制度999937685

您可能关注的文档

确认删除?
VIP
微信客服
  • 扫码咨询
会员Q群
  • 会员专属群点击这里加入QQ群
客服邮箱
回到顶部