电脑桌面
添加小米粒文库到电脑桌面
安装后可以在桌面快捷访问

隧道施工全部检验批VIP免费

隧道施工全部检验批_第1页
1/97
隧道施工全部检验批_第2页
2/97
隧道施工全部检验批_第3页
3/97
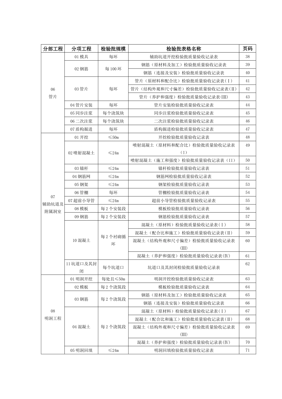
铁路工程施工质量验收标准隧道施工检验批隧道分部工程、分项工程、检验批划分及记录表分部工程分项工程检验批规模检验批表格名称页码01加固处理01地表注浆加固≤20m地表注浆加固检验批质量验收记录表102井点降水≤20m井点降水检验批质量验收记录表203旋喷桩≤20m旋喷桩检验批质量验收记录表304灰土挤密桩≤20m灰土挤密桩检验批质量验收记录表405洞内预注浆每个循环洞内预注浆检验批质量验收记录表502洞口及缓冲结构工程01开挖每个洞口洞口开挖检验批质量验收记录表602模板每个洞口模板检验批质量验收记录表703钢筋每个洞口钢筋(原材料及加工)检验批质量验收记录表8钢筋(连接及安装)检验批质量验收记录表904混凝土每个洞口混凝土(原材料)检验批质量验收记录表(Ⅰ)10混凝土(配合比和施工)检验批质量验收记录表(Ⅱ)11混凝土(结构外观和尺寸偏差)检验批质量验收记录表(Ⅲ)12混凝土(养护和强度)检验批质量验收记录表(Ⅳ)1305洞口防护每个洞口洞口防护检验批质量验收记录表1403预备洞、始发洞开挖01超前地质预报每次超前地质预报检验批质量验收记录表1501洞身开挖每个开挖循环洞身开挖检验批质量验收记录表1602隧底开挖每个开挖循环隧底开挖检验批质量验收记录表1703弃渣场防护每处弃碴场防护检验批质量验收记录表1804支护01监控量测每个断面处监控量测检验批质量验收记录表1902喷射混凝土≤24m喷射混凝土(原材料和配合比)检验批质量验收记录表(I)20喷射混凝土(施工和强度)检验批质量验收记录表(II)2103锚杆≤24m锚杆检验批质量验收记录表2204钢筋网≤24m钢筋网检验批质量验收记录表2305钢架≤24m钢架检验批质量验收记录表2406管棚每环管棚检验批质量验收记录表2507超前小导管≤24m超前小导管检验批质量验收记录表2608初期支护≤24m初期支护结构检验批质量验收记录表2705衬砌01模板每2个安装段模板检验批质量验收记录表2802钢筋每2个安装段钢筋(原材料及加工)检验批质量验收记录表29钢筋(连接及安装)检验批质量验收记录表3003混凝土每两个衬砌循环混凝土(原材料)检验批质量验收记录表(Ⅰ)31混凝土(配合比和施工)检验批质量验收记录表(Ⅱ)32混凝土(结构外观和尺寸偏差)检验批质量验收记录表(Ⅲ)33混凝土(养护和强度)检验批质量验收记录表(Ⅳ)3404回填注浆每两个衬砌循环回填注浆检验批质量验收记录表3505综合接地每两个衬砌循环综合接地检验批质量验收记录表3606沉降观测与评估每个单位工程沉降观测与评估检验批质量验收记录表37分部工程分项工程检验批规模检验批表格名称页码06管片01模具每环辅助坑道开挖检验批质量验收记录表3802钢筋每100环钢筋(原材料及加工)检验批质量验收记录表39钢筋(连接及安装)检验批质量验收记录表4003管片每环管片(原材料和配合比)检验批质量验收记录表(Ⅰ)41管片(结构外观和尺寸偏差)检验批质量验收记录表(Ⅱ)42管片(养护和强度)检验批质量验收记录表(Ⅲ)4304管片安装每环管片安装检验批质量验收记录表4405同步注浆每个浇筑块同步注浆检验批质量验收记录表4506二次注浆每个浇筑块二次注浆检验批质量验收记录表4607盾构掘进每环盾构掘进检验批质量验收记录表4707辅助坑道及附属洞室01开挖≤50m开挖检验批质量验收记录表4802喷射混凝土≤24m喷射混凝土(原材料和配合比)检验批质量验收记录表(I)49喷射混凝土(施工和强度)检验批质量验收记录表(II)5003锚杆≤24m锚杆检验批质量验收记录表5104钢筋网≤24m钢筋网检验批质量验收记录表5205钢架≤24m钢架检验批质量验收记录表5306管棚每环管棚检验批质量验收记录表5407超前小导管≤24m超前小导管检验批质量验收记录表5508模板每2个安装段模板检验批质量验收记录表5609钢筋每2个安装段钢筋检验批质量验收记录表5710混凝土每2个衬砌循环混凝土(原材料)检验批质量验收记录表(Ⅰ)58混凝土(配合比和施工)检验批质量验收记录表(Ⅱ)59混凝土(结构外观和尺寸偏差)检验批质量验收记录表(Ⅲ)60混凝土(养护和强度)检验批质量验收记录表(Ⅳ)6111坑道口及其封闭每个坑道口坑道口及其封闭检验批质量验收记录表6208明洞工程01明洞开挖每处且≤50m明洞开挖检验批质量验收记...

1、当您付费下载文档后,您只拥有了使用权限,并不意味着购买了版权,文档只能用于自身使用,不得用于其他商业用途(如 [转卖]进行直接盈利或[编辑后售卖]进行间接盈利)。
2、本站所有内容均由合作方或网友上传,本站不对文档的完整性、权威性及其观点立场正确性做任何保证或承诺!文档内容仅供研究参考,付费前请自行鉴别。
3、如文档内容存在违规,或者侵犯商业秘密、侵犯著作权等,请点击“违规举报”。

碎片内容

隧道施工全部检验批

确认删除?
VIP
微信客服
  • 扫码咨询
会员Q群
  • 会员专属群点击这里加入QQ群
客服邮箱
回到顶部