电脑桌面
添加小米粒文库到电脑桌面
安装后可以在桌面快捷访问

大型水闸施工方案培训资料VIP免费

大型水闸施工方案培训资料_第1页
1/101
大型水闸施工方案培训资料_第2页
2/101
大型水闸施工方案培训资料_第3页
3/101
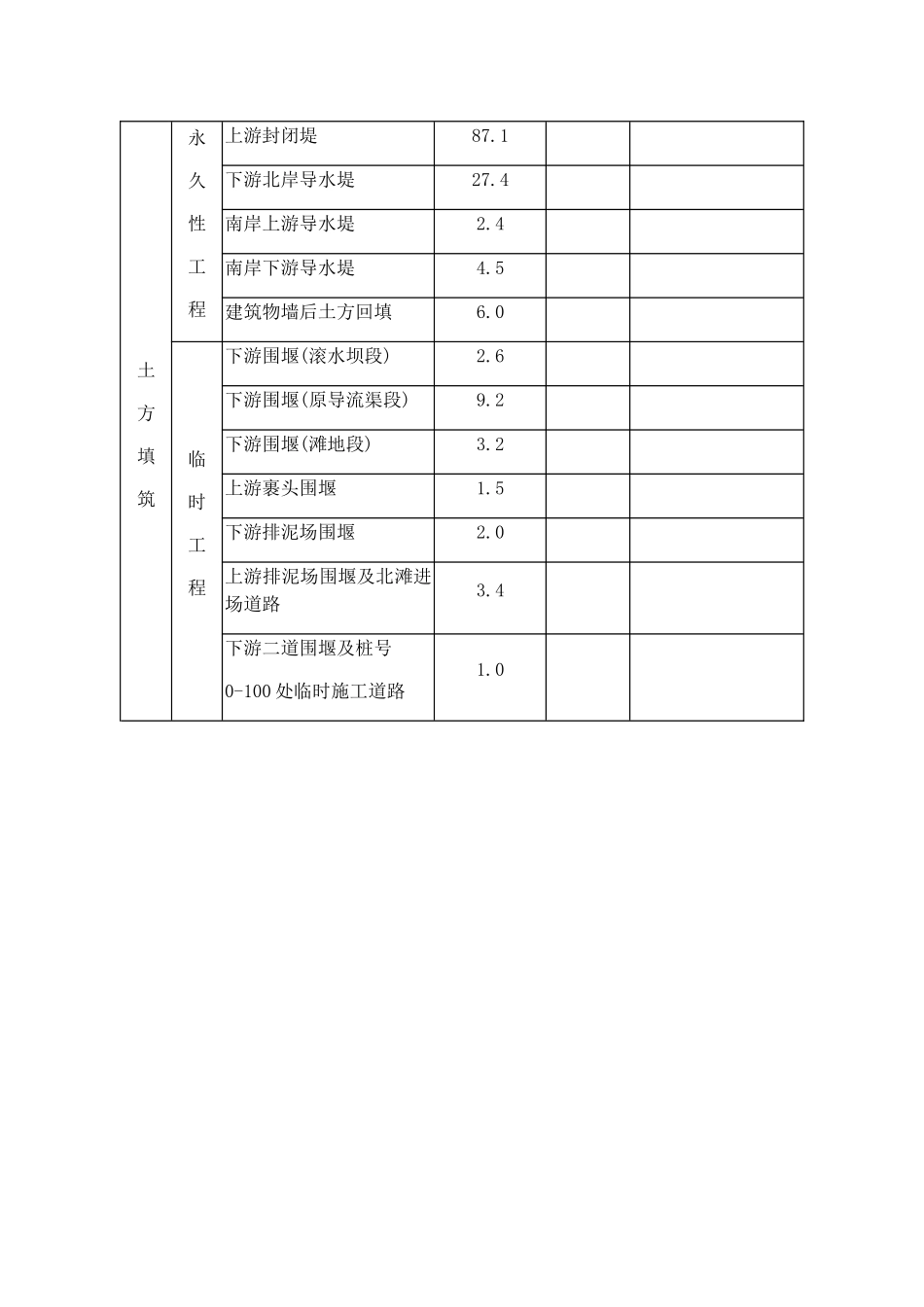
第六章土方工程施工方案6.1说明6.1.1.土方工程是xx闸扩建工程的一个重要组成部分,施工进度必须满足总体工程进度及阶段完成目标计划的要求。6.1.2.本段土方开挖方量为189.3万m3,回填方量为150.3万m3,清淤方量为30万m3,考虑到施工损耗及设计干容重同自然干容重的差异,土方平衡方案中挖填方的折算比例按1:1.25计算。6.1.3.本段土方工程施工范围土质较差,引河及闸基坑开挖区大部分土质为第⑴层的淤泥或中粉质壤土及第⑵层的淤泥质粉土和淤泥互层,干容重平均为1.38左右,含水量平均为36.6%左右,给施工带来较大困难,因此在考虑施工方案时,一方面从降排水措施上、一方面从施工方法的选择上着重考虑。6.1.4.本段工程跨汛期施工,上游围堰采用原封闭堤,下游围堰按十年一遇洪水位(21.42m)来设计,上游裹头围堰安排2001年汛后施工。6.1.5.在降排水措施上,闸基上部土方及上下游引河土方开挖采取明沟降水,闸基下部土方开挖采取深井降水方式。6.1.6.北封闭堤堤基清淤采用水力冲挖机施工,施工时排泥场的水位控制在16.0m高程以下,以减少排泥场蓄水对承压水头及闸基深井降水效果的影响。6.1.7.计算施工设备用量时,考虑到天气、施工干扰及其他不确定因素为确保工期,设备计划采用量增加25%左右的安全系数。6.2土方平衡方案表6-1土方平衡表工程项目名称工程量(万m3)施工运距(m)备注土方开挖土方开挖上游引河(桩号0-535.5~0-60.5)36.31.90500表土弃至北部滩地1.88300填筑上游裹头围堰3.00300填筑南岸上游导水堤29.50300填筑上游封闭堤新闸基坑(桩号0-60.5~0+89.5)25.71.20500表土填筑下游二道围堰、临时道路24.50400填筑上游封闭堤(其中7.9万方结合筑钻台平台)下游引河(桩号0+89.5~0+639.5)63.14.60500表土填筑排泥场围堰54.90600筑上游封闭堤3.60300填筑下游北岸导水堤下游引河(桩号0+639.5~0+914.5)29.41.60500填筑排泥场围堰3.20300填筑滚水坝段围堰11.50400填筑原导流渠段围堰5.60600填筑南岸下游导水堤7.50900建筑物墙后土方回填堤基清淤30.0弃至北部滩地借土(取自北部滩地)34.84.00300填筑滩地段围堰30.80500填筑下游北岸导水堤土方填筑永久性工程上游封闭堤87.1下游北岸导水堤27.4南岸上游导水堤2.4南岸下游导水堤4.5建筑物墙后土方回填6.0临时工程下游围堰(滚水坝段)2.6下游围堰(原导流渠段)9.2下游围堰(滩地段)3.2上游裹头围堰1.5下游排泥场围堰2.0上游排泥场围堰及北滩进场道路3.4下游二道围堰及桩号0-100处临时施工道路1.06.3施工进度计划6.3.12000年6月4日~6月18日,完成过原导流渠(桩号0-100)临时施工道路及排泥场围堰的填筑(开挖闸基方),2000年6月25日,填筑下游导流渠段围堰至18.0m高程,7月10日,完成下游施工围堰填筑。6.3.22000年6月18日~8月15日,完成(桩号0-100~0+140)段堤基清淤及闸基坑钻井平台填筑,以具备钻井条件,2000年9月16日完成闸基坑上部(10.0m高程以上)土方开挖。6.3.32000年6月19日~11月15日,完成上游封闭堤及北岸下游导水堤堤基清淤,并回填至12.6m高程。6.3.42000年9月16日~10月15日,完成闸基坑下部土方开挖。6.3.62000年11月15日~2001年6月15日,完成上游封闭堤及上下游导水堤22.0m高程以下的土方填筑任务,2001年6月30日完成所有筑堤任务。6.3.62001年1月10日~4月20日,完成建筑物墙后回填工程。6.3.72002年1月1日~1月15日,完成上游裹头围堰施工。6.4施工方法6.4.1施工围堰填筑上游围堰采用原封闭堤,下游围堰按十年一遇洪水位(21.42m)设计,施工时,首先填筑导流渠段围堰水下土方,尽早初步封闭施工场区,利用下游引河开挖方采用进占法挤淤施工,填筑至18.0m高程后,滩地段、滚水坝段围堰同步填筑,采用挖掘机配合自卸车施工;为加快导流渠排水进度,提前清淤时间,在下游施工围堰及下游导水堤间设一条下游二道围堰(位置见围堰布置图),排泥场围堰及下游二道围堰利用闸基坑开挖土方填筑,铲运机施工,以尽早排水、清淤,为主体工程按期施工创造条件。6.4.1.1排泥场围堰施工1、施工方法根据8月1日专家小组意见,导游渠内清淤工作仍按原设计方案进行,由于导游渠内现状水位为15.2m,因此北滩排泥场围堰填筑是在水下进行,考...

1、当您付费下载文档后,您只拥有了使用权限,并不意味着购买了版权,文档只能用于自身使用,不得用于其他商业用途(如 [转卖]进行直接盈利或[编辑后售卖]进行间接盈利)。
2、本站所有内容均由合作方或网友上传,本站不对文档的完整性、权威性及其观点立场正确性做任何保证或承诺!文档内容仅供研究参考,付费前请自行鉴别。
3、如文档内容存在违规,或者侵犯商业秘密、侵犯著作权等,请点击“违规举报”。

碎片内容

大型水闸施工方案培训资料

确认删除?
VIP
微信客服
  • 扫码咨询
会员Q群
  • 会员专属群点击这里加入QQ群
客服邮箱
回到顶部