电脑桌面
添加小米粒文库到电脑桌面
安装后可以在桌面快捷访问

大气污染源物分类及来源VIP免费

大气污染源物分类及来源_第1页
1/9
大气污染源物分类及来源_第2页
2/9
大气污染源物分类及来源_第3页
3/9
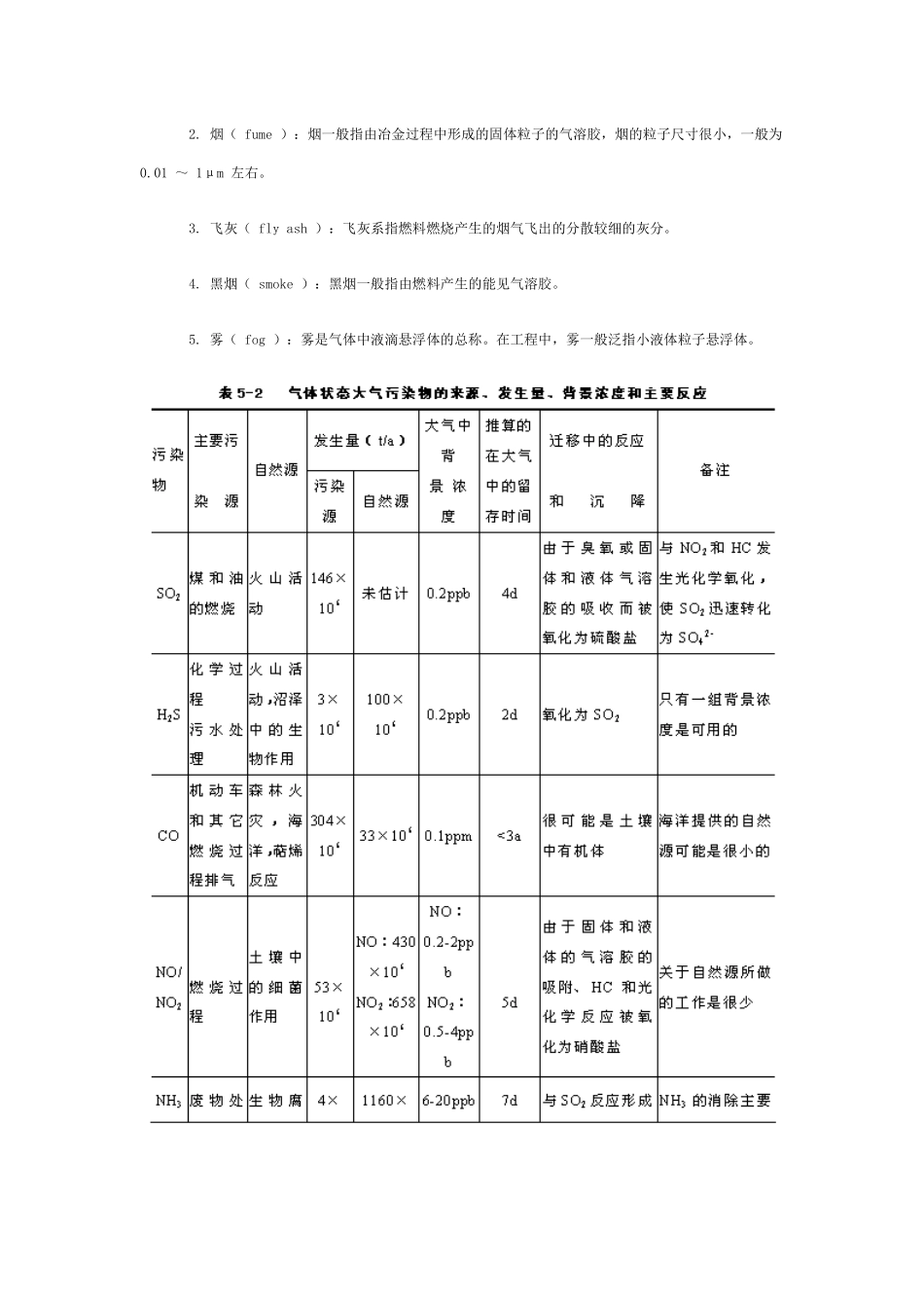
大气污染源物分类及来源按污染物质的来源可分为天然污染源和人为污染源,根据表5-2对主要大气污染物的分类统计分析,其主要来源为三大方面:①燃料燃烧;②工业生产过程;③交通运输。前两类污染源统称为固定源,交通运输工具(机动车、火车、飞机等)则称为流动源。•燃料燃烧煤、石油、天然气等燃料的燃烧过程是向大气输送污染物的重要发生源。煤是主要的工业和民用燃料,它的主要成分是碳,并含有氢、氧、氮、硫及金属化合物。煤燃烧时除产生大量烟尘外,在燃烧过程中还会形成一氧化碳、二氧化碳、二氧化硫、氮氧化物、有机化合物及烟尘等有害物质。家庭炉灶排气是一种排放量大、分布广、排放高度低、危害性不容忽视的空气污染源。•工业生产过程排放工业生产过程中排放到大气中的污染物种类多、数量大,是城市或工业区大气的重要污染源。工业生产过程中排放废气的工厂很多。例如,石油化工企业排放二氧化硫、硫化氢、二氧化碳、氮氧化物;有色金属冶炼工业排出的二氧化硫、氮氧化物以及含重金属元素的烟尘;磷肥厂排出氟化物;酸碱盐化工工业排出的二氧化硫、氮氧化物、氯化氢及各种酸性气体;钢铁工业在炼铁、炼钢、炼焦过程中排出粉尘、硫氧化物、氰化物、一氧化碳、硫化氢、酚、苯类、烃类等。总之,工业生产过程排放的污染物的组成与工业企业的性质密切相关。•交通运输过程中排放:汽车排气已构成大气污染的主要污染源。机动车的发展速度很快,1950年全球机动车保有量为7000万辆,1996年增长到7.1亿辆。汽油车排放的主要污染物是:CO,NOx,HC和铅(如果使用含铅汽油);柴油车排放的污染物主要有NOx,PM(细微颗粒物),HC,CO和SO2。同发达国家相比,我国机动车污染物排放量相当惊人。以日本东京为例,90年代东京拥有机动车400万辆,而CO和NOx的排放量基本稳定在10万吨和5万吨左右,而北京市1995年机动车仅为100万辆,CO和NOX的排放量却高达97.2万吨和9.8万吨。三、大气污染物大气污染物系指由于人类活动或自然过程排入大气的并对人或环境产生有害影响的物质。大气污染物的种类很多,按其存在状态可概括为二大类:气溶胶状态污染物、气体状态污染物。(一)气溶胶状态污染物在大气污染中,气溶胶系指固体、液体粒子或它们在气体介质中的悬浮体。其粒径约为0.002-100μm大小的液滴或固态粒子。大气气溶胶中各种粒子按其粒径大小可分为:1.总悬浮颗粒物(TSP):是分散在大气中的各种粒子的总称。是指用标准大容量颗粒采样器(流量在1.1-1.7m3/min)在滤膜上所收集到的颗粒物的总质量,其粒径大小,绝大多数在100μm以下,其中多数在10μm以下。也是目前大气质量评价中的一个通用的重要污染指标。2.飘尘:能在大气中长期飘浮的悬浮物质称为飘尘。其粒径主要是小于10μm的微粒。由于飘尘粒径小,能被人直接吸入呼吸道内造成危害;又由于它能在大气中长期飘浮,易将污染物带到很远的地方,导致污染范围扩大,同时在大气中还可以为化学反应提供反应载体。因此,飘尘是从事环境科学工作者所注目的研究对象之一。3.降尘:用降尘罐采集到的大气颗粒物称为降尘。在总悬浮颗粒物中一般直径大于30μm的粒子,由于其自身的重力作用会很快沉降下来,所以将这部分的微粒称为降尘。单位面积的降尘量可作为评价大气污染程度的指标之一。从大气污染控制的角度,按照气溶胶的来源和物理性质,又可分为如下几种。1.粉尘(dust):粉尘系指悬浮于气体介质中的小固体粒子,能因重力作用发生沉降。粉尘的粒子尺寸范围,在气体除尘技术中,一般为1~200μm左右。2.烟(fume):烟一般指由冶金过程中形成的固体粒子的气溶胶,烟的粒子尺寸很小,一般为0.01~1μm左右。3.飞灰(flyash):飞灰系指燃料燃烧产生的烟气飞出的分散较细的灰分。4.黑烟(smoke):黑烟一般指由燃料产生的能见气溶胶。5.雾(fog):雾是气体中液滴悬浮体的总称。在工程中,雾一般泛指小液体粒子悬浮体。(二)气体状态污染物气体状态污染物简称气态污染物,是以分子状态存在的污染物,大部分为无机气体。常见的有五大类;以SO2为主的含硫化合物,以NO和NO2为主的含氮化合物,COx、碳氢化合物以及卤素化合物等。目前已受...

1、当您付费下载文档后,您只拥有了使用权限,并不意味着购买了版权,文档只能用于自身使用,不得用于其他商业用途(如 [转卖]进行直接盈利或[编辑后售卖]进行间接盈利)。
2、本站所有内容均由合作方或网友上传,本站不对文档的完整性、权威性及其观点立场正确性做任何保证或承诺!文档内容仅供研究参考,付费前请自行鉴别。
3、如文档内容存在违规,或者侵犯商业秘密、侵犯著作权等,请点击“违规举报”。

碎片内容

大气污染源物分类及来源

您可能关注的文档

确认删除?
VIP
微信客服
  • 扫码咨询
会员Q群
  • 会员专属群点击这里加入QQ群
客服邮箱
回到顶部