电脑桌面
添加小米粒文库到电脑桌面
安装后可以在桌面快捷访问

移动模架施工工艺VIP免费

移动模架施工工艺_第1页
1/38
移动模架施工工艺_第2页
2/38
移动模架施工工艺_第3页
3/38
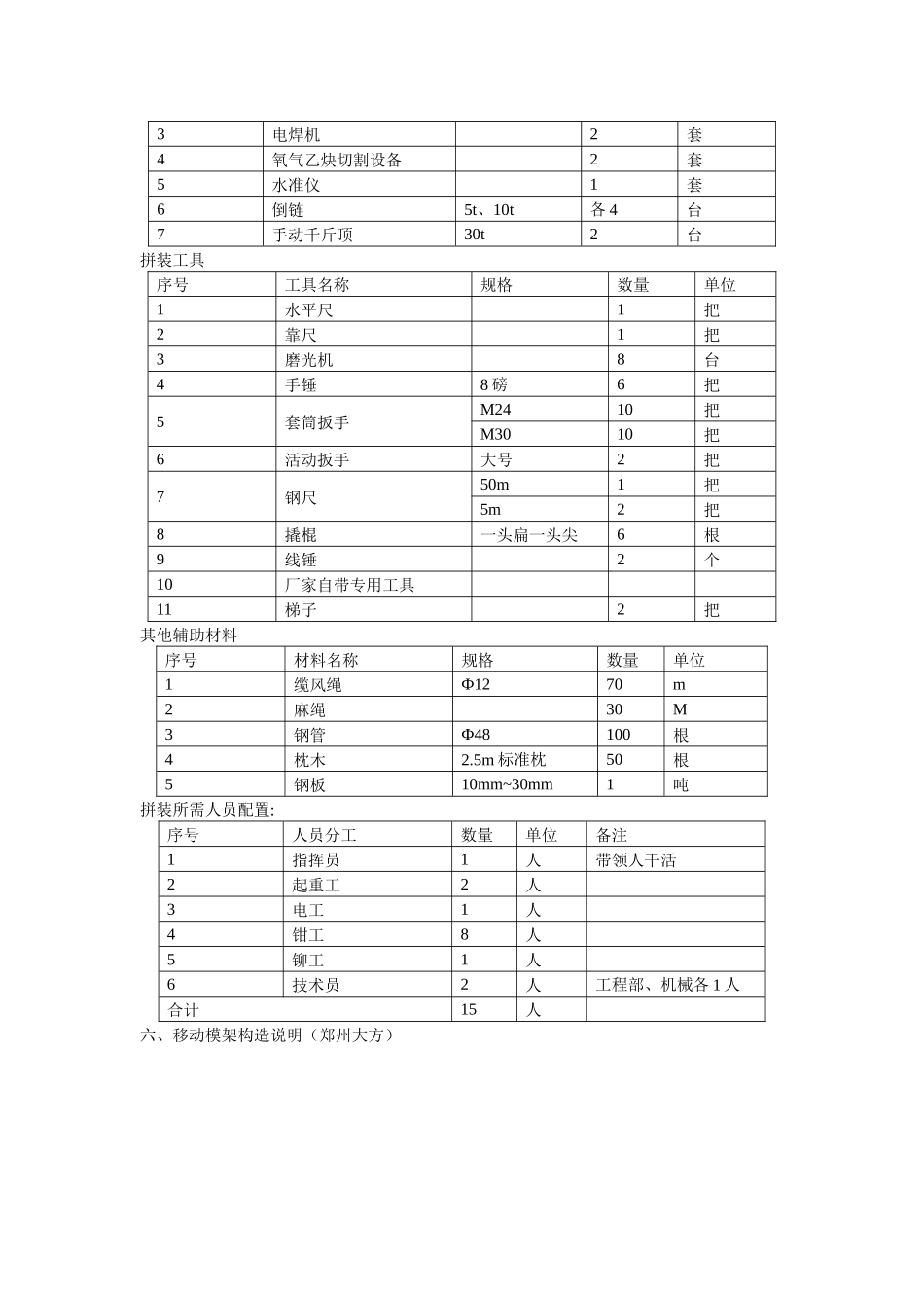
移动模架施工工艺一、DXZ32/900下承自行式移动模架设计目的DXZ32/900下承自行式移动模架设计主要目的是为了甬台温铁路客运专线中铁四局管段内双线32m及24m整孔箱梁原位现浇施工而设计的。二、移动模架的使用范围为了满足管段内32m、24m箱梁原位现浇,考虑工期安排要求,本标段工程共配置8台移动模架,具体配置及使用见下表:模架编号生产厂家进场时间模架生产覆盖范围及施工顺序备注1郑州大方2006年6月20日定头村大桥0#→12#→定头港特大桥1#→20#2郑州大方2006年8月20日定头港特大桥21#←22#←54#过23#~27#连续梁3南昌机电2006年8月30日雁荡山特大桥0#←30#宁波端征地拆迁困难4武汉桥机厂2006年8月30日清江特大桥0#→29#5南昌机电2006年7月25日清江特大桥30#←60#61#跨净空不足6武汉桥机厂2006年8月30日霞村特大桥16#←46#5#墩处高压线塔近期无法拆除7武汉通联2006年8月10日霞村特大桥51#→70#,东西干河特大桥23#→36#8武汉通联2006年7月24日东西干河特大桥37#→66#58#~68#为嵌岩桩,施工进度较慢三、主要技术标准(郑州大方模架)序号项目技术规格及特性1设备型号DXZ32/900下承自行式移动模架2施工使用工法逐跨整孔原位现浇3总体方案桥面下支撑,两根纵向主梁支撑模板系统4适用桥跨跨度≤32.7m,梁重小于900t/的简支或先简支后连续预应力混凝土双线整孔箱梁5适应桥墩高≥3米6适应纵坡2.0%7适应曲线半径2000m8环境风压要求移位时最大允许风压150N/m2浇注时最大允许风压800N/m2(否则锚固)9自动化方式竖向顶落用大吨位分离式千斤顶实现纵向移位用液压油缸完成模架横向开、合采用液压油缸完成支腿自动前行倒装10前主支腿最大支点反力2*377吨11后主支腿最大支点反力2*322吨12前辅助支腿最大支点反力2*40吨13中辅助支腿最大支点反力2*140吨14后辅助支腿最大支点反力2*110吨15整机使用总功率约95kW16动力条件~4AC、380V、50Hz17液压系统压力31.5MPa18移位速度0~1.0m/min19主梁挠度小于L/700(仅考虑混凝土荷载和内模的自重引起的挠度)20过孔稳定系数K>1.521运输条件最大单件重小于≤20t,最大单件尺寸小于12.5m×2.8m×1.72m,满足铁路、公路运输限界22单台总重量约520t(不含支座处散模)23设计施工周期20天/跨(按每天工作24小时计)四、移动模架工作环境DXZ32/900下承自行式移动模架适用于甬台温铁路中铁四局管段内32m和24m跨的简支箱梁原位现浇施工。适用工作环境:1、环境温度:-20C°~50C°2、环境风力:移位时≤6级,浇注时≤8级,非工作时≤12级3、电源:380V、50Hz、4AC4、支承移动模架的桥墩基础必须平整,现场无易燃、易爆、有毒等危险品及腐蚀性气体。五、移动模架资源配置序号设备名称规格数量单位1汽车吊50t1台25t1台2千斤顶60t穿心式2套3电焊机2套4氧气乙炔切割设备2套5水准仪1套6倒链5t、10t各4台7手动千斤顶30t2台拼装工具序号工具名称规格数量单位1水平尺1把2靠尺1把3磨光机8台4手锤8磅6把5套筒扳手M2410把M3010把6活动扳手大号2把7钢尺50m1把5m2把8撬棍一头扁一头尖6根9线锤2个10厂家自带专用工具11梯子2把其他辅助材料序号材料名称规格数量单位1缆风绳Ф1270m2麻绳30M3钢管Ф48100根4枕木2.5m标准枕50根5钢板10mm~30mm1吨拼装所需人员配置:序号人员分工数量单位备注1指挥员1人带领人干活2起重工2人3电工1人4钳工8人5铆工1人6技术员2人工程部、机械各1人合计15人六、移动模架构造说明(郑州大方)七、移动模架首孔预压试验1、空载试验.①拉线测量两根箱梁轨底相对高差;操作边主梁竖直油缸,使整个模床基本同步顶升120mm。停15分钟;再拉线测量中主梁的相对下沉量。然后分三次基本同步下落于滑座上。.②使两组模架向前移动过孔,并测量纵移速度,使两组主梁基本同步向前移动。.③回位后,用微调机构准确定位各梁的纵向位置。.④顶升模床到浇筑位置。.⑤在以上动作中,要同步检查电、液、机部分是否正常。记录油压表的读数。2、首孔堆载预压试验.①移动模架拼装后,在第一孔箱梁施工前要对移动模架进行预压试验。预压的目的主要有:a.检验移动模架主梁的实际抗弯能力。b.消除移动模架的非弹性变形。c.实测支点处的沉降值。d.实测跨中的挠度值,与理论计算跨...

1、当您付费下载文档后,您只拥有了使用权限,并不意味着购买了版权,文档只能用于自身使用,不得用于其他商业用途(如 [转卖]进行直接盈利或[编辑后售卖]进行间接盈利)。
2、本站所有内容均由合作方或网友上传,本站不对文档的完整性、权威性及其观点立场正确性做任何保证或承诺!文档内容仅供研究参考,付费前请自行鉴别。
3、如文档内容存在违规,或者侵犯商业秘密、侵犯著作权等,请点击“违规举报”。

碎片内容

移动模架施工工艺

您可能关注的文档

确认删除?
VIP
微信客服
  • 扫码咨询
会员Q群
  • 会员专属群点击这里加入QQ群
客服邮箱
回到顶部