电脑桌面
添加小米粒文库到电脑桌面
安装后可以在桌面快捷访问

变压器试验工-湖南省人力资源和社会保障厅VIP免费

变压器试验工-湖南省人力资源和社会保障厅_第1页
1/12
变压器试验工-湖南省人力资源和社会保障厅_第2页
2/12
变压器试验工-湖南省人力资源和社会保障厅_第3页
3/12
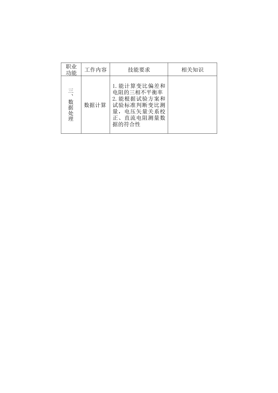
1.1职业名称变压器试验工。1.2职业定义使用变压器试验设备进行变压器性能的测试,并能分析试验结果准确性的人员。1.3职业等级本职业共设五个等级,分别为:初级(国家职业资格五级)、中级(国家职业资格四级)、高级(国家职业资格三级)、技级(国家职业资格二级)、高级技师(国家职业资格一级)。1.8.2申报条件——初级(具备以下条件之一者)(1)经本职业初级正规培训达规定标准学时数,并取得结业证书。(2)在本职业连续见习工作2年以上。——中级(具备以下条件之一者)(1)取得本职业初级职业资格证书后,连续从事本职业工作3年以上,经本职业中级正规培训达规定标准学时数,并取得结业证书。(2)取得本职业初级职业资格证书后,连续从事本职业工作5年以上。(3)连续从事本职业工作7年以上。(4)取得经劳动保障行政部门审核认定的、以中级技能为培训目标的中等以上职业学校本职业毕业证书。——高级(具备以下条件之一者)(1)取得本职业中级职业资格证书后,连续从事本职业工作4年以上,经本职业高级正规培训达规定标准学时数,并取得结业证书。(2)取得本职业中级职业资格证书后,连续从事本职业工作6年以上。(3)取得高级技工学校或经劳动保障行政部门审核认定的、以高级技能为培训目标的高等职业学校本职业(专业)毕业证书。(4)取得本职业中级职业资格证书的大专以上本专业或相关专业毕业生,连续从事本职业工作2年以上。——技师(具备以下条件之一者)(1)取得本职业高级职业资格证书后,连续从事本职业工作5年以上,经本职业技师正规培训达规定标准学时数,并取得结业证书。(2)取得本职业高级职业资格证书后,连续从事本职业工作7年以上。(3)取得本职业高级职业资格证书的高级技工学校本职业(专业)毕业生或大专以上本专业或相关专业毕业生,连续从事本职业工作时间2年以上。——高级技师(具备以下条件之一者)(1)取得本职业技师职业资格证书后,连续从事本职业工作3年以上,经本职业高级技师正规培训达规定标准学时数,并取得结业证书。(2)取得本职业技师职业资格证书后,连续从事本职业工作5年以上。3.工作要求本标准对初级、中级、高级、技师、高级技师的技能要求依次递进,高级别涵盖低级别的要求。3.1初级职业功能工作内容技能要求相关知识一、试验准备(一)技术准备1.能根据产品的试验方案和试验标准确定变比测量试验的数据偏差范围2.能根据产品的试验方案和试验标准确定直流电阻测量试验中电阻不平衡率的数值要求1.变压器试验标准中关于变比测量的条款2.变压器试验标准中关于直流电阻不平衡率的条款(二)设备准备1.能根据产品的型号和设计数据选择变压器变比测量和连接组标号检定的仪器2.能根据产品的设计数据选择直流电阻测量的仪器1.匝比仪的工作原理2.直流电阻测试仪的工作原理二、试验(一)试验接线1.能进行变压器变比测量试验的接线2.能进行变压器连接组别校正(电压矢量关系)试验的连线3.能进行变压器直流电阻测量的接线1.变压器变比测量试验的原理和方法2.三相变压器的组别连接和测量方法3.变压器直流电阻测量的原理和方法(二)试验操作1.能使用匝比仪进行变压器变比测量的数据采集2.能进行变压器电压矢量关系校正的数据采集3.能进行变压器直流电阻测量的数据采集1.匝比仪的使用方法2.试验标准中关于电压矢量关系校正的条款3.直流电阻测试仪的使用方法职业功能工作内容技能要求相关知识三、数据处理数据计算1.能计算变比偏差和电阻的三相不平衡率2.能根据试验方案和试验标准判断变比测量,电压矢量关系校正、直流电阻测量数据的符合性3.2中级职业功能工作内容技能要求相关知识一、试验准备(一)技术准备1.能根据产品的试验方案和试验标准确定变压器绝缘电阻测量的数值范围2.能根据产品的试验方案和试验标准确定变压器本体和电容式套管的介质损耗角数值要求3.能根据产品的试验方案和试验标准确定空载损耗测量和空载电流测量的数值要求4.能根据产品的试验方案和试验标准确定负载损耗和阻抗电压的数值要求5.能标准变压器变比测量和直流电阻测量的试验方案1.变压器试验标准中关于绝缘电阻测量的条款2.变压器试验标准中关于...

1、当您付费下载文档后,您只拥有了使用权限,并不意味着购买了版权,文档只能用于自身使用,不得用于其他商业用途(如 [转卖]进行直接盈利或[编辑后售卖]进行间接盈利)。
2、本站所有内容均由合作方或网友上传,本站不对文档的完整性、权威性及其观点立场正确性做任何保证或承诺!文档内容仅供研究参考,付费前请自行鉴别。
3、如文档内容存在违规,或者侵犯商业秘密、侵犯著作权等,请点击“违规举报”。

碎片内容

变压器试验工-湖南省人力资源和社会保障厅

您可能关注的文档

确认删除?
VIP
微信客服
  • 扫码咨询
会员Q群
  • 会员专属群点击这里加入QQ群
客服邮箱
回到顶部