电脑桌面
添加小米粒文库到电脑桌面
安装后可以在桌面快捷访问

安全系统工程试题汇总汇编VIP免费

安全系统工程试题汇总汇编_第1页
1/15
安全系统工程试题汇总汇编_第2页
2/15
安全系统工程试题汇总汇编_第3页
3/15
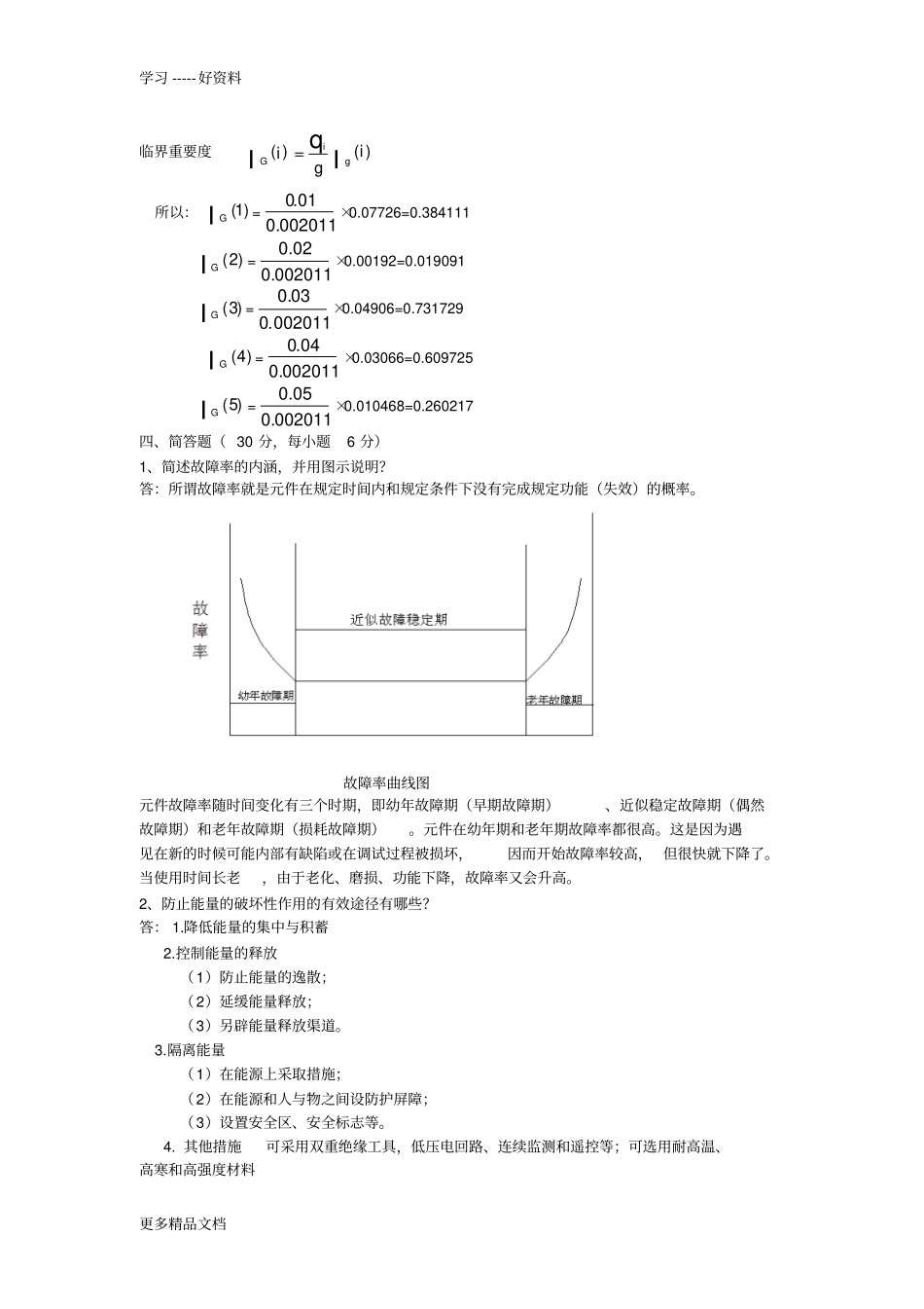
学习-----好资料更多精品文档安全系统工程试题一、填空题(30分,每空1.5分)1、系统的属性主要包括:整体性、相关性、有序性、目的性等四个方面。2、安全系统工程的研究对象是人-机-环境系统;主要研究内容包括系统安全分析;系统安全评价;安全决策与事故控制等三方面。3、在安全系统工程学分析方法中,通常CCA表示原因-后果分析法;FMEA表示故障类型和影响分析;ETA表示—事件树分析;FTA表示事故树分析;HAZOP表示危险性和可操作性研究。4、可靠度是指系统、设备或元件等在规定时间和规定的条件下,完成规定功能的能力。5、系统是由相互作用和相互依赖的若干组成部分结合成的具有特定功能的有机整体。6、DOW化学火灾爆炸指数评价法中物质系数是根据由美国消防协会规定的可燃性Nf和化学活性Nr求取的。7、PHA方法包括:准备、审查、结果汇总三个阶段。二、判断题(20分,正确的划√,错误的划X,每题答对得2分,答错扣2分)1、弹性原理不属于系统工程原理。(√)2、串联系统的失效概率等于各子系统失效概率的积。(×)3、定性方法和定量方法的合理结合是分析系统安全性的有效途径。(√)4、安全系统工程是在事故逼迫下产生的。(×)5、FTA方法既可用作定性分析,又能进行定量分析。(√)6、安全系统工程中最基本、最初步的一种形式是SCL(安全检查表)。(√)7、能量原理是安全评价的基本原理。(×)8、最小径集是保证顶上事件不发生的必要条件。(√)9、ICIMOND法和DOW化指数法的原理相同。(√)10、回归分析法是一种代表性的时间序列预测法。(√)三、计算题(40分)1、并联系统有n个子系统,可靠度值分别为R1,R2,⋯⋯,Rn,推导该并联系统的可靠度表达式;(5分)系统的故障概率为:P=)1(1niiR所以系统的可靠度为:R=1-P=1-)1(1niiR2、计算如下图所示的泵、阀门输送系统失败的概率:(5分)学习-----好资料更多精品文档失败的概率为P=1-A1B1C1=1-0.7695=0.23053、某事故树如下图所示,X1,X2,X3,X4,X5均为基本事件,其概率分别为0.01,0.02,0.03,0.04,0.05,求顶上事件发生的概率(10分)和各基本事件的概率重要度(10分)、临界重要度(10分)。答:因为M1、M2、M3、M4为最小割集顶事件的发生概率为:P(T)=1-(1-q1q3)(1-q2q4q5)(1-q1q5)(1-q3q4)=q1q3+q1q5+q3q4+q2q4q5-q1q3q5-q1q3q4-q1q2q4q5-q2q3q4q5=0.002011概率重要度qIigTPi)()(所以X1的重要度)1(Ig=q3+q5-q3q5-q3q4-q2q4q5=0.07726X2的重要度)2(Ig=q4q5-q1q4q5-q3q4q5=0.00192X3的重要度)3(Ig=q1+q4-q1q5-q1q4-q2q4q5=0.04906X4的重要度)4(Ig=q3+q2q5-q1q3-q1q2q5-q2q3q5=0.03066X5的重要度)5(Ig=q1+q2q4-q1q3-q1q2q4-q2q3q4=0.010468学习-----好资料更多精品文档临界重要度)()(igiIqIgiG所以:)1(IG=002011.001.0×0.07726=0.384111)2(IG=002011.002.0×0.00192=0.019091)3(IG=002011.003.0×0.04906=0.731729)4(IG=002011.004.0×0.03066=0.609725)5(IG=002011.005.0×0.010468=0.260217四、简答题(30分,每小题6分)1、简述故障率的内涵,并用图示说明?答:所谓故障率就是元件在规定时间内和规定条件下没有完成规定功能(失效)的概率。故障率曲线图元件故障率随时间变化有三个时期,即幼年故障期(早期故障期)、近似稳定故障期(偶然故障期)和老年故障期(损耗故障期)。元件在幼年期和老年期故障率都很高。这是因为遇见在新的时候可能内部有缺陷或在调试过程被损坏,因而开始故障率较高,但很快就下降了。当使用时间长老,由于老化、磨损、功能下降,故障率又会升高。2、防止能量的破坏性作用的有效途径有哪些?答:1.降低能量的集中与积蓄2.控制能量的释放(1)防止能量的逸散;(2)延缓能量释放;(3)另辟能量释放渠道。3.隔离能量(1)在能源上采取措施;(2)在能源和人与物之间设防护屏障;(3)设置安全区、安全标志等。4.其他措施可采用双重绝缘工具,低压电回路、连续监测和遥控等;可选用耐高温、高寒和高强度材料学习-----好资料更多精品文档3、安全决策的基本过程是什么?答:1.确定目标;2.区分目标;3.指定对策;4.衡量评价对策方案;5.被选决策方案;6.技术评价与潜...

1、当您付费下载文档后,您只拥有了使用权限,并不意味着购买了版权,文档只能用于自身使用,不得用于其他商业用途(如 [转卖]进行直接盈利或[编辑后售卖]进行间接盈利)。
2、本站所有内容均由合作方或网友上传,本站不对文档的完整性、权威性及其观点立场正确性做任何保证或承诺!文档内容仅供研究参考,付费前请自行鉴别。
3、如文档内容存在违规,或者侵犯商业秘密、侵犯著作权等,请点击“违规举报”。

碎片内容

安全系统工程试题汇总汇编

您可能关注的文档

确认删除?
VIP
微信客服
  • 扫码咨询
会员Q群
  • 会员专属群点击这里加入QQ群
客服邮箱
回到顶部