电脑桌面
添加小米粒文库到电脑桌面
安装后可以在桌面快捷访问

理化分析岗位说明书VIP免费

理化分析岗位说明书_第1页
1/4
理化分析岗位说明书_第2页
2/4
理化分析岗位说明书_第3页
3/4
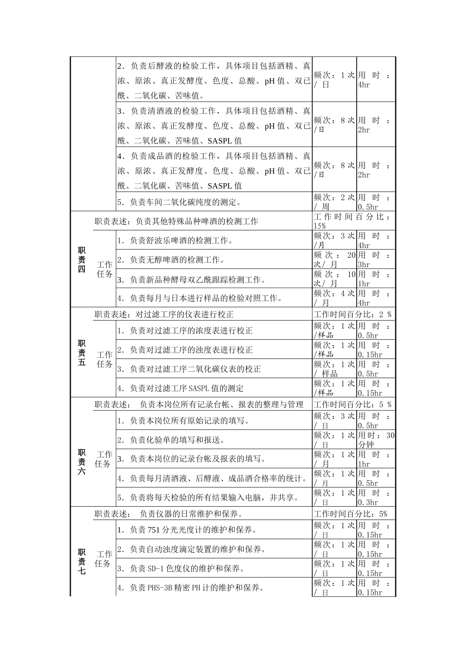
岗位说明书岗位名称理化分析化验岗岗位编号所在部门生产技术科岗位定员4人直接上级化验室主任岗位工资直接下级无分析人王华栋、郭惠英所辖人员无分析日期本职:负责啤酒半成品、成品的理化分析(由包括化验室主任在内的5人共同完成)职责与工作任务:职责一职责表述:负责理化分析药品的配制。工作时间百分比:6%工作任务1.50克/升氢氧化钠的配制。频次:1次/日用时:0.15hr2.氢氧化钡的配制。频次:2次/周用时:1.5hr3.40%氢氧化钾的配制。频次:2次/周用时:0.2hr4.邻苯二胺的配制。频次:1次/日用时:0.5hr5.4摩尔/升盐酸的配制。频次:2次/周用时:0.4hr6.6摩尔/升盐酸的配制。频次:1次/周用时:0.3hr7.0.1摩尔/升盐酸的配制。频次:2次/周用时:0.2hr8.硫酸铵的配制。频次:1次/周用时:0.5hr9.PH4.00邻苯二甲酸氢钾标准液的配制。频次:1次/月用时:0.4hr10.PH6.86混合磷酸盐标准液的配制。频次:1次/月用时:0.3hr11.PH9.18四硼酸钠标准液的配制。频次:1次/月用时:0.3hr12.氯化钾饱和溶液的配制。频次:1次/月用时:0.3hr13.酚酞指示剂的配制。频次:1次/月用时:0.3hr14.10%硫酸的配制。频次:1次/周用时:0.3hr职责二职责表述:负责样品的采集工作。工作时间百分比:5%工作任务1.负责前酵液的取样工作。频次:1次/日用时:0.7hr2.负责后酵液的取样工作。频次:1次/日用时:0.6hr3.负责清酒液的取样工作。频次:8次/日用时:0.3hr4.负责成品酒的取样工作。频次:8次/日用时:0.1hr职责三职责表述:负责啤酒理化指标的化验工作时间百分比:40%工作任务1.负责啤酒前酵液双乙酰的检验。频次:1次/日用时:3hr2.负责后酵液的检验工作,具体项目包括酒精、真浓、原浓、真正发酵度、色度、总酸、pH值、双已酰、二氧化碳、苦味值。频次:1次/日用时:4hr3.负责清酒液的检验工作,具体项目包括酒精、真浓、原浓、真正发酵度、色度、总酸、pH值、双已酰、二氧化碳、苦味值、SASPL值频次:8次/日用时:2hr4.负责成品酒的检验工作,具体项目包括酒精、真浓、原浓、真正发酵度、色度、总酸、pH值、双已酰、二氧化碳、苦味值、SASPL值频次:8次/日用时:2hr5.负责车间二氧化碳纯度的测定。频次:2次/周用时:0.5hr职责四职责表述:负责其他特殊品种啤酒的检测工作工作时间百分比:15%工作任务1.负责舒波乐啤酒的检测工作。频次:3次/月用时:4hr2.负责无醇啤酒的检测工作。频次:20次/月用时:3hr3.负责新品种酵母双乙酰跟踪检测工作。频次:10次/月用时:1hr4.负责每月与日本进行样品的检验对照工作。频次:4次/月用时:4hr职责五职责表述:对过滤工序的仪表进行校正工作时间百分比:2%工作任务1.负责对过滤工序的浓度表进行校正频次:1次/样品用时:0.5hr2.负责对过滤工序的浊度表进行校正频次:1次/样品用时:0.15hr3.负责对过滤工序二氧化碳仪表的校正频次:1次/样品用时:0.5hr4.负责对过滤工序SASPL值的测定频次:1次/样品用时:0.15hr职责六职责表述:负责本岗位所有记录台帐、报表的整理与管理工作时间百分比:5%工作任务1.负责本岗位所有原始记录的填写。频次:3次/日用时:0.5hr2.负责化验单的填写和报送。频次:1次/日用时:30分钟3.负责本岗位的记录台帐及报表的填写。频次:1次/月用时:1hr4.负责每月清酒液、后酵液、成品酒合格率的统计。频次:1次/月用时:0.5hr5.负责将每天检验的所有结果输入电脑,并共享。频次:1次/日用时:0.3hr职责七职责表述:负责仪器的日常维护和保养。工作时间百分比:5%工作任务1.负责751分光光度计的维护和保养。频次:1次/日用时:0.15hr2.负责自动浊度滴定装置的维护和保养。频次:1次/日用时:0.15hr3.负责SD-1色度仪的维护和保养。频次:1次/日用时:0.15hr4.负责PHS-3B精密PH计的维护和保养。频次:1次/日用时:0.15hr5.负责PHS-3C精密PH计的维护和保养。频次:1次/日用时:0.15hr6.负责RC-2型二氧化碳收集测定仪的维护和保养。频次:1次/日用时:0.2hr7.负责电热恒温水浴锅的维护和保养。频次:1次/日用时:0.2hr8.负责浊度计的维护和保养。频次:1次/日用时:0.2hr9.负责Haffmans...

1、当您付费下载文档后,您只拥有了使用权限,并不意味着购买了版权,文档只能用于自身使用,不得用于其他商业用途(如 [转卖]进行直接盈利或[编辑后售卖]进行间接盈利)。
2、本站所有内容均由合作方或网友上传,本站不对文档的完整性、权威性及其观点立场正确性做任何保证或承诺!文档内容仅供研究参考,付费前请自行鉴别。
3、如文档内容存在违规,或者侵犯商业秘密、侵犯著作权等,请点击“违规举报”。

碎片内容

理化分析岗位说明书

确认删除?
VIP
微信客服
  • 扫码咨询
会员Q群
  • 会员专属群点击这里加入QQ群
客服邮箱
回到顶部