电脑桌面
添加小米粒文库到电脑桌面
安装后可以在桌面快捷访问

短流程炼钢技术发展概论VIP专享VIP免费

短流程炼钢技术发展概论_第1页
1/32
短流程炼钢技术发展概论_第2页
2/32
短流程炼钢技术发展概论_第3页
3/32
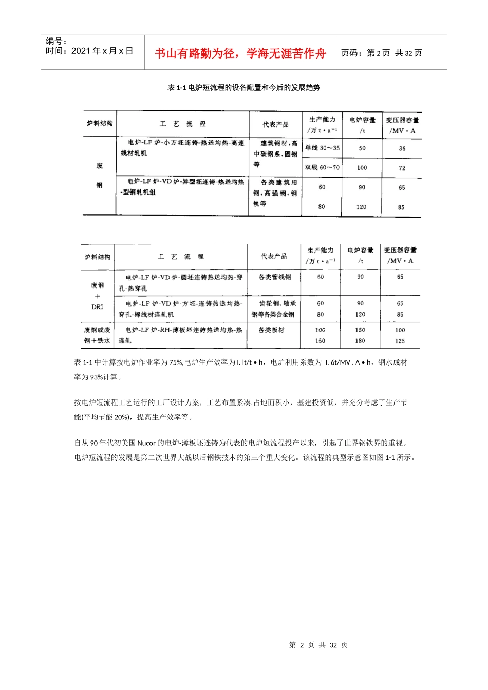
第1页共32页编号:时间:2021年x月x日书山有路勤为径,学海无涯苦作舟页码:第1页共32页短流程炼钢技术发展概论电炉的出现是为了经济地回收利用废钢并生产结构钢。从60年代起,对电炉炼钢需求增加,导致了超高功率电炉的开发,促进了各种新技术的出现,如泡沫渣和长弧操作、水冷炉壁和水冷炉盖部件、喷嘴燃烧和无渣出钢等。总体而言,电炉炼钢的发展方向如下:(1)进一步提高现有电炉和新建电炉的生产效率;(2)通过废钢预热,降低消耗,从而减小生产成本的压力;(3)灵活使用不同装炉原料的需求;(4)电能的替代和一次能源的使用。1.1短流程炼钢技术现状11.1短流程炼钢技术的发展电炉短流程亦称紧凑式电炉流程,国外通称为“Mimnill'电炉短流程将是21世纪以废钢为主原料的钢铁生产新流程。其主要特点是:(1)采用连续化生产,形成“电炉一精炼炉一连铸一连轧”四位一体的生产模式,(2)生产流程短,工艺布置紧凑,生产周期(从废钢至成品)一般只需3〜4h;(3)生产品种比较单一,适宜专业化生产;(4)生产效率高,全员劳动生产率达到2700t/人•a以上。1.12电炉短流程的设备配置电炉短流程的设备配置一般应遵循以下原则:(1)单机匹配:即一台超高功率电炉配一套精炼设施、一台连铸机和一套主力轧机;(2)广泛采用近终形连铸技术和连轧技术;(3)采用连铸坯热送和直轧技术;(4)以轧定产,即根据轧钢机的生产能力合理配备各工序设备a电炉短流程的设备配置情况和代表性工艺见表1-1。第2页共32页第1页共32页编号:时间:2021年x月x日书山有路勤为径,学海无涯苦作舟页码:第2页共32页表1-1电炉短流程的设备配置和今后的发展趋势表1-1中计算按电炉作业率为75%,电炉生产效率为I.lt/t•h,电炉利用系数为I.6t/MV.A•h,钢水成材率为93%计算。按电炉短流程工艺运行的工厂设计力案,工艺布置紧凑,占地面积小,基建投资低,并充分考虑了生产节能(平均节能20%),提高生产效率等。自从90年代初美国Nucor的电炉-薄板坯连铸为代表的电炉短流程投产以来,引起了世界钢铁界的重视。电炉短流程的发展是第二次世界大战以后钢铁技木的第三个重大变化。该流程的典型示意图如图1-1所示。第3页共32页第2页共32页编号:时间:2021年x月x日书山有路勤为径,学海无涯苦作舟页码:第3页共32页1.1.3当代电炉技木的发展近20年来电炉炼钢技术迅速发展,主要表现在以下两个方面:其一,电炉生产技术本身逐步发展完善,以电炉强化冶炼为中心,提高熔池能量输人密度T缩短冶炼周期,先后开发出超髙功率供电、水冷炉壁(盖)、偏心炉底出钢、直流或髙阻抗供电以及导电横臂等先进技术。其二,现代电炉技木大量借鉴、吸收和融合了各项转炉强化冶炼技术,如炉内氧气-燃料助熔、熔池喷炭增加热源、炉气二次燃烧和废钢在线预热等。如著名的Danarc电炉是以高阻抗供电技术与K-ES喷炭、二次燃烧技术结合的产物。竖炉电炉的开发则借鉴了kV•A和EOF炉等工艺技术经验。近代电炉炼钢技术的特点是:(1)冶炼强度提高,冶炼时间缩短。电炉经过了30年的发展,熔化功率从300kV•AA提高到IOOOkV•A八,冶炼强度提高了2倍以上,冶炼周期从180min缩短到53min,使电炉的生产能力相应提高了3.4倍。第4页共32页第3页共32页编号:时间:2021年x月x日书山有路勤为径,学海无涯苦作舟页码:第4页共32页(2)热、电效率提高,能置消耗降低。由于冶炼时间大幅度缩短,电炉的热效率明显提高(从54,3%提高到71.7%),使电炉冶炼总能耗从700kW·h/t下降到530kW•h/t,下降了24.3%。(3)化学能输入比例提高,电耗降低。在标准状态下,电炉冶炼的氧气消耗从8m3/t增加到40m3/t,化学能的输入比例从5.1%提高到35.8%,而冶炼电耗从630kW•h/t下降到340kW·h/t。随着化学能输入比例的提高,电炉的利用系数明显提高,达到I.51t/MV·A·h国外电炉近30年生产技术的发展见表I-2。表1-2国外电炉生产技术的发展1.2电炉生产技术发展趋势1.2.1电炉强化冶炼技术电炉强化冶炼技术是电炉生产技术发展的核心,也是今后电炉技术进步的关键。分析世界上最先进的电炉技术参数和经济指标,见表1-3,可见电炉强化治炼技术发展趋势有以下特点:(1)生产高效化。通过采取扩大炉容,采用超高功率缩短冶炼...

1、当您付费下载文档后,您只拥有了使用权限,并不意味着购买了版权,文档只能用于自身使用,不得用于其他商业用途(如 [转卖]进行直接盈利或[编辑后售卖]进行间接盈利)。
2、本站所有内容均由合作方或网友上传,本站不对文档的完整性、权威性及其观点立场正确性做任何保证或承诺!文档内容仅供研究参考,付费前请自行鉴别。
3、如文档内容存在违规,或者侵犯商业秘密、侵犯著作权等,请点击“违规举报”。

碎片内容

短流程炼钢技术发展概论

确认删除?
VIP
微信客服
  • 扫码咨询
会员Q群
  • 会员专属群点击这里加入QQ群
客服邮箱
回到顶部