电脑桌面
添加小米粒文库到电脑桌面
安装后可以在桌面快捷访问

移动电力引入申请投标书VIP专享VIP免费

移动电力引入申请投标书_第1页
1/45
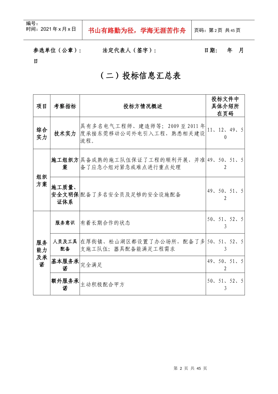
移动电力引入申请投标书_第2页
2/45
移动电力引入申请投标书_第3页
3/45
第1页共45页编号:时间:2021年x月x日书山有路勤为径,学海无涯苦作舟页码:第1页共45页电力引入投标书(一)投标申请书致:************我方收到贵方的******基站电力引入项目施工单位招标文件。经研究,决定投标我方投标的法人授权代表为******,身份证号码为******,身份证复印件附后。所递交的投标文件为壹份正本、壹份副本和副本电子光盘壹份及副本U盘存储壹份,正本包括以下十一项内容,副本包括以下除第(十)外的十项内容:(一)投标申请书;(二)投标信息汇总表;(三)全套资格证明文件复印件;(四)优良业绩获奖证明复印件;(五)点对点应答;(六)投标单位简介;(七)服务承诺书;(八)施工组织方案;(九)工程保修承诺;(十)投标报价书[已单独密封并放入投标文件正本内](十一)补充内容我方已完全明白《招标文件》所有条款要求,并重申以下几点:一、我方对本工程的服务承诺详见服务承诺书,报价详见投标报价书;二、我方完全同意并认可贵公司的评标办法;三、本投标文件的有效期为开标之日起计90天内有效;四、我方同意应贵方要求提供与投标有关的一切数据或资料,并理解贵方不一定接受最低报价的投标,或其他任何投标。五、若我单位中标,我方将保证根据《招标文件》、《招标答疑》和《招标修订文件》中的要求,以及《投标文件》和《投标澄清文件》中的承诺,按《中标通知书》要求签订合约,并严格按合约履行责任。第2页共45页第1页共45页编号:时间:2021年x月x日书山有路勤为径,学海无涯苦作舟页码:第2页共45页参选单位(公章):法定代表人(签字):日期:年月日(二)投标信息汇总表项目考察指标投标方情况概述投标文件中具体介绍所在页码综合实力技术实力具有多名电气工程师、建造师等;2009至2011年度承接东莞移动公司外电引入工程,熟悉相关建设流程。11、12、49、50组织方案施工组织方案具备成熟的施工队伍保证了工程的顺利开展,并准备了应急小组对紧急或难点进行重点处理49、50、51、52施工质量、安全文明保证体系配备了多名安全员及足够的安全设施配备49、50、51、52服务能力及承诺服务意识有着长期合作的状态50、51、52、53人员及工具配备在厚街镇、松山湖区都设置了办公场所,配备了多支施工队伍;器具配备能满足工程需求50、51、52、53基本服务承诺完全满足49、50、51、52额外服务承诺主动积极配合甲方50、51、52、53第3页共45页第2页共45页编号:时间:2021年x月x日书山有路勤为径,学海无涯苦作舟页码:第3页共45页参选单位(公章):法定授权代表人(签字):日期:年月日(三)全套资格证明文件复印件法人代表证明书本法人代表证明书声明:(姓名)******,身份证号:******。住所:******。为我公司法定代表人,机构名称:******。注册号:******。特此证明2011年1月10日第4页共45页第3页共45页编号:时间:2021年x月x日书山有路勤为径,学海无涯苦作舟页码:第4页共45页法人代表授权委托书本授权委托书声明:我******系******的法定代表人,现授权委托******的叶惠强为我的代理人,以本公司的名义参加******基站电力引入项目的相关所有工作。代理人无转委权,特此委托。******2011年1月10日第5页共45页第4页共45页编号:时间:2021年x月x日书山有路勤为径,学海无涯苦作舟页码:第5页共45页法人身份证复印件法人代表身份证复印件企业营业执照正本复印件企业营业执照副本复印件企业资质证书正本复印件企业资质证书副本复印件项目负责人资质证书复印件特种作业人员从业资格证书复印件(四)优良业绩获奖证明复印件表12009年-2011年GSM无线网及TD基站电力引入项目获奖情况:序号工程名称颁奖机构获奖级别1东莞GSM13期无线扩容工程东莞移动工程管理中心优异表现奖2东莞GSM13期无线扩容工程东莞移动工程管理中心突出贡献奖第6页共45页第5页共45页编号:时间:2021年x月x日书山有路勤为径,学海无涯苦作舟页码:第6页共45页表22009年-2011年GSM无线网及TD基站电力引入项目施工情况:序号工程名称建设单位名称合同金额1东莞移动32000002东莞移动30000003东莞移动44000004东莞移动62000005东莞移动30000006东莞移动20000007东莞移动18000008...

1、当您付费下载文档后,您只拥有了使用权限,并不意味着购买了版权,文档只能用于自身使用,不得用于其他商业用途(如 [转卖]进行直接盈利或[编辑后售卖]进行间接盈利)。
2、本站所有内容均由合作方或网友上传,本站不对文档的完整性、权威性及其观点立场正确性做任何保证或承诺!文档内容仅供研究参考,付费前请自行鉴别。
3、如文档内容存在违规,或者侵犯商业秘密、侵犯著作权等,请点击“违规举报”。

碎片内容

移动电力引入申请投标书

中小学文库+ 关注
实名认证
内容提供者

精品资料应用尽有

确认删除?
VIP
微信客服
  • 扫码咨询
会员Q群
  • 会员专属群点击这里加入QQ群
客服邮箱
回到顶部