电脑桌面
添加小米粒文库到电脑桌面
安装后可以在桌面快捷访问

常用建筑材料图例整理VIP专享VIP免费

常用建筑材料图例整理_第1页
1/8
常用建筑材料图例整理_第2页
2/8
常用建筑材料图例整理_第3页
3/8
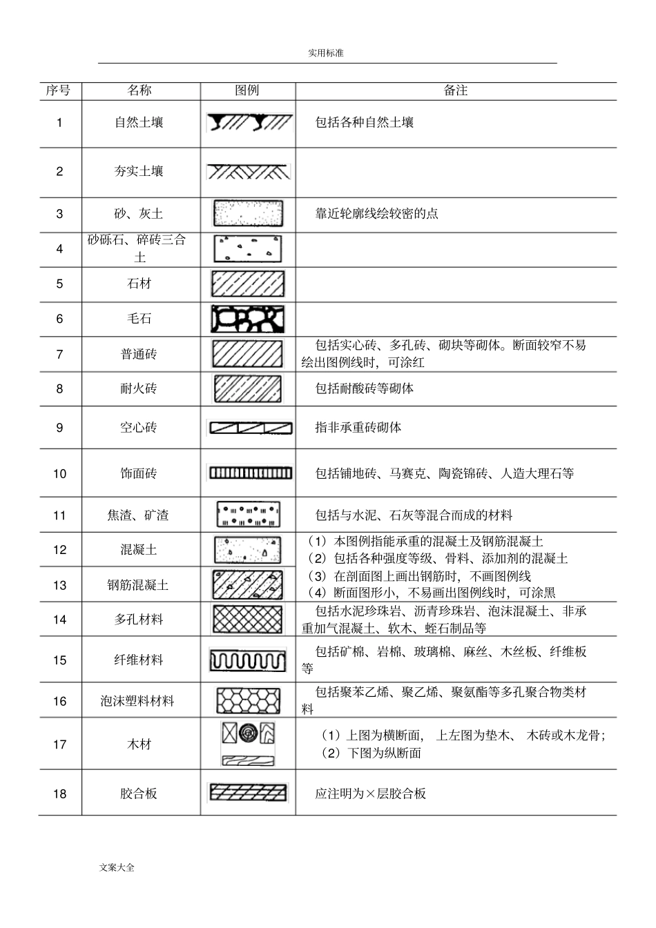
实用标准文案大全序号名称图例备注1自然土壤包括各种自然土壤2夯实土壤3砂、灰土靠近轮廓线绘较密的点4砂砾石、碎砖三合土5石材6毛石7普通砖包括实心砖、多孔砖、砌块等砌体。断面较窄不易绘出图例线时,可涂红8耐火砖包括耐酸砖等砌体9空心砖指非承重砖砌体10饰面砖包括铺地砖、马赛克、陶瓷锦砖、人造大理石等11焦渣、矿渣包括与水泥、石灰等混合而成的材料12混凝土(1)本图例指能承重的混凝土及钢筋混凝土(2)包括各种强度等级、骨料、添加剂的混凝土(3)在剖面图上画出钢筋时,不画图例线(4)断面图形小,不易画出图例线时,可涂黑13钢筋混凝土14多孔材料包括水泥珍珠岩、沥青珍珠岩、泡沫混凝土、非承重加气混凝土、软木、蛭石制品等15纤维材料包括矿棉、岩棉、玻璃棉、麻丝、木丝板、纤维板等16泡沫塑料材料包括聚苯乙烯、聚乙烯、聚氨酯等多孔聚合物类材料17木材(1)上图为横断面,上左图为垫木、木砖或木龙骨;(2)下图为纵断面18胶合板应注明为×层胶合板实用标准文案大全序号名称图例备注19石膏板包括圆孔、方孔石膏板、防水石膏板等20金属(1)包括各种金属(2)图形小时,可涂黑21网状材料(1)包括金属、塑料网状材料(2)应注明具体材料名称22液体应注明具体液体名称23玻璃包括平板玻璃、磨砂玻璃、夹丝玻璃、钢化玻璃、中空玻璃、加层玻璃、镀膜玻璃等24橡胶25塑料包括各种软、硬塑料及有机玻璃等26防水材料构造层次多或比例大时,采用上面图例27粉刷本图例采用较稀的点28毛石混凝土29新设计的建筑物1.需要时,可用▲表示出入口,可在图形内右上角用点数或数字表示层数2.建筑物外形(一般以±0.00高度处的外墙定位轴线或外墙面线为准)用粗实线表示,需要时,地面以上建筑用中粗实线表示,地下以下建筑用细虚线表示30原有的建筑物用细实线表示31计划扩建的建筑物用中粗虚线表示32拆除的建筑物用细实线表示实用标准文案大全序号名称图例备注33道路34公路桥35砖石、混凝土围墙36铁丝网、蓠笆等37河流38等高线39边坡40风向频率玫瑰图41新设计的墙42墙上预留洞口43土墙44板条墙45入口坡道46底层楼梯47中间楼梯实用标准文案大全序号名称图例备注48顶层楼梯49单扇门50双扇门51双扇推位门52单扇双面弹簧门53双扇双面弹簧门54单层固定窗55检查孔(地面、吊顶)56烟道57空门洞58单层外开上悬窗59单层中悬窗60水平推拉窗61平开窗62建筑物下面的通道实用标准文案大全序号名称图例备注63散状材料露天堆场需要时可注明材料名称64其他材料露天堆场或露天作业场65铺砌场地66敞棚或敞廊67高架式料仓6869漏斗式贮仓左、右图为底卸式中图为侧卸式70冷却塔(池)应注明冷却塔或冷却池71水塔、贮罐左图为水塔或立式贮罐右图为卧式贮罐72水池、坑槽也可以不涂黑73明溜矿槽(井)74斜井或平涧75烟囱实线为烟囱下部直径,虚线为基础,必要时可注写烟囱高度和上、下口直径76围墙及大门实体性质的围墙,77通透性质的围墙,若仅表示围墙时不画大门实用标准文案大全序号名称图例备注78挡土墙被挡土在“突出”的一侧79挡土墙上设围墙80台阶箭头指向表示向下81露天桥式起重机“+”为柱子位置82露天电动葫芦“+”为支架位置8384门式起重机有外伸臂85无外伸臂86架空索道“I”为支架位置87斜坡卷扬机道88斜坡栈桥(皮带廊等)细实线表示支架中心线位置89坐标测量坐标90建筑坐标91方格网交叉点标高“78.85”为原地面标高“77.85”为设计标高“-0.50”为施工高度“-”表示挖方(“+”表示填方)实用标准文案大全序号名称图例备注92填方区、挖方区、未整平区及零点线“+”表示填方区“-”表示挖方区中间为未整平区点划线为零点线93填挖边坡1.边坡较长时,可在一端或两端局部表示2.下边线为虚线时表示填方94护坡95分水脊线与谷线脊线96谷线97洪水淹没线阴影部分表示淹没区(可在底图背面涂红)98排水明沟1.上图用于比例较大的图面,下图用于比例较小的图面2.“1”表示1%的沟底纵向坡度,“40.00”表示变坡点间距离,箭头表示水流方向3.“107.50”表示沟底标高99100铺砌的排水明沟1.上图用于比例较大的图面,下图用于比例较小的图面2.“1”表示1%的沟底纵向坡度,“40.00”表示变坡点间距...

1、当您付费下载文档后,您只拥有了使用权限,并不意味着购买了版权,文档只能用于自身使用,不得用于其他商业用途(如 [转卖]进行直接盈利或[编辑后售卖]进行间接盈利)。
2、本站所有内容均由合作方或网友上传,本站不对文档的完整性、权威性及其观点立场正确性做任何保证或承诺!文档内容仅供研究参考,付费前请自行鉴别。
3、如文档内容存在违规,或者侵犯商业秘密、侵犯著作权等,请点击“违规举报”。

碎片内容

常用建筑材料图例整理

确认删除?
VIP
微信客服
  • 扫码咨询
会员Q群
  • 会员专属群点击这里加入QQ群
客服邮箱
回到顶部