电脑桌面
添加小米粒文库到电脑桌面
安装后可以在桌面快捷访问

中考总复习:电压电阻(提高)知识讲解VIP免费

中考总复习:电压电阻(提高)知识讲解_第1页
1/7
中考总复习:电压电阻(提高)知识讲解_第2页
2/7
中考总复习:电压电阻(提高)知识讲解_第3页
3/7
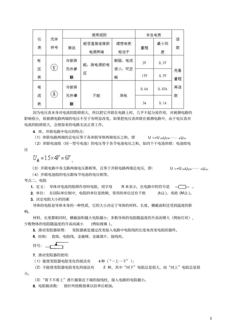
1中考总复习:电压电阻(提高)【考纲要求】1、掌握电压表的使用方法,能识别电压表测的是哪段电路两端的电压;2、能熟练运用串并联电路中的电压规律解题;3、会用控制变量法探究影响电阻大小的几个因素,掌握滑动变阻器的使用方法及在电路中的作用。【知识网络】【考点梳理】考点一、电压1.概念:电源在工作中不断地使正极聚积正电荷,负极聚积负电荷,保持电路两端有一定的电压,使闭合电路中有持续的电流。电压使电路中形成电流,而电源是提供电压的装置。2.电压的国际单位:伏特,用“V”表示。其它常用单位:千伏,“kV”;毫伏,“mV”;微伏,“V”。换算:不同的电源在电路两端产生的电压不同。一节干电池的电压是1.5V;家庭电路的电压是220V;对人体安全的电压是不高于36V。3.电压表(伏特表):测量电压的仪表。电路符号:比较使用电压表和电流表的异同:2因为电压表本身对电流的阻碍很大,所以把它并联在电路上时,几乎不起分流作用,对被测电路的影响很小,原被测电路两端的电压不至于有明显改变。如果把电压表串联在被测电路中,由于电压表对电流的阻碍很大,会使原来的电路无法正常工作。4.串、并联电路中电压的特点:(1)串联电路两端的总电压等于各串联导体两端电压之和,即U总=UI+U2+⋯⋯+Un。(2)串联电池组(同一型号电池)的电压等于各节电池电压之和,如四个干电池串联:电池组电压。(3)并联电路中各支路两端电压都相等,且等于并联电路两端总电压,即:U总=UI=U2=⋯⋯=Un。(4)并联电池组的电压跟每节电池的电压相等。考点二、电阻1、定义:导体对电流的阻碍作用叫电阻,用字母R来表示,在电路中的符号是。2、单位:在国际单位制中,电阻的单位是欧姆,常用的单位还有千欧(kΩ)、兆欧(MΩ)。3、决定电阻大小的因素导体的电阻是导体本身的一种性质,它的大小决定于导体的材料、长度、横截面积还受到温度的影响。材料、长度都相同时,横截面积越大电阻越小;多数导体的电阻随温度的升高而增大(例如灯丝),少数物体的电阻随温度的升高而减小(例如玻璃)。5、滑动变阻器原理:变阻器就是通过改变接入电路中电阻线的长度来改变电阻的器件。6、结构:瓷筒、电阻线、金属棒、金属滑片、接线柱。符号:7、滑动变阻器的使用:(1)能使变阻器电阻变化的接法有4种(“一上一下”);(2)不能使变阻器电阻变化的接法有2种,其中“同下”电阻总是很大,而“同上”电阻总是很小。(3)“看下不看上”滑片越靠近下端的接线柱,接入电路的电阻越小。8、电阻箱读数:指针所指数值乘以倍率后相加。3【典型例题】类型一、基础知识1、若用电压表测出三节干电池的电压是1.5V、1.4V、1.3V,则这三节干电池串联后,电池组的电压是()A.1.5VB.1.4VC.4.2VD.4.5V【思路点拨】已知三节电池的电压值,然后根据串联电池的总电压等于各节串联电池电压之和的规律即可求解。【答案】C【解析】已知三节干电池的电压分别为1.5V、1.4V、1.3V,则这三节干电池串联后,电池组的电压:U=1.5V+1.4V+1.3V=4.2V【总结升华】本题主要考查对电池电压以及串联电源电压特点的记忆;注意干电池电压不是一定是1.5V,即使用过的电池电压会小于1.5V。2、如图所示电路,电源两端的电压一定,当开关s1闭合、s2断开时,电流表和电压表示数分别为I1、U1;当再闭合s2,且将滑片P适当右移后,电流表和电压表示数分别为I2、U2,则下列叙述一定正确的是()A.I1>I2,U1>U2B.I1>I2,U1大于、小于或等于U2都有可能C.U1<U2,I1=I2D.U1<U2,I1大于、小于或等于I2都有可能【思路点拨】当开关S1闭合、S2断开时,灯泡L和电阻R串联,电流表测串联电路的电流,电压表测电阻R两端电压;当S2闭合后,灯泡L被短路,电流表测电路电流,电压表测电源电压;根据串并联电路的特点和欧姆定律分析。【答案】D【解析】开关s2闭合前后,电压表测量的对象发生了变化,电源电压一定,s2闭合前测的是滑动变阻器两端的电压,闭合后测的是电源电压,所以U1<U2;因为滑片发生了移动,即电阻发生了变化,故无法判断电流的大小。【总结升华】解决本题的关键是要清楚开关s2闭合前后电流表和电压表分别测的是哪一个的电流...

1、当您付费下载文档后,您只拥有了使用权限,并不意味着购买了版权,文档只能用于自身使用,不得用于其他商业用途(如 [转卖]进行直接盈利或[编辑后售卖]进行间接盈利)。
2、本站所有内容均由合作方或网友上传,本站不对文档的完整性、权威性及其观点立场正确性做任何保证或承诺!文档内容仅供研究参考,付费前请自行鉴别。
3、如文档内容存在违规,或者侵犯商业秘密、侵犯著作权等,请点击“违规举报”。

碎片内容

中考总复习:电压电阻(提高)知识讲解

您可能关注的文档

爱的疯狂+ 关注
实名认证
内容提供者

该用户很懒,什么也没介绍

确认删除?
VIP
微信客服
  • 扫码咨询
会员Q群
  • 会员专属群点击这里加入QQ群
客服邮箱
回到顶部