电脑桌面
添加小米粒文库到电脑桌面
安装后可以在桌面快捷访问

交通信号灯控制电路设计和实现 通信工程专业VIP免费

交通信号灯控制电路设计和实现  通信工程专业_第1页
1/8
交通信号灯控制电路设计和实现  通信工程专业_第2页
2/8
交通信号灯控制电路设计和实现  通信工程专业_第3页
3/8
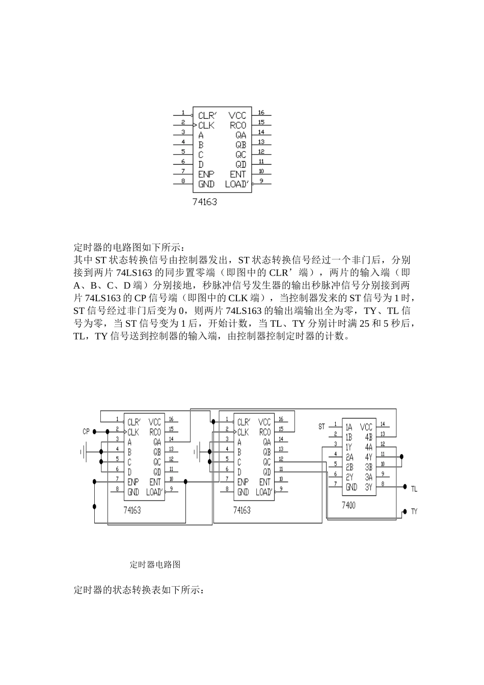
交通信号灯控制电路一、设计任务与要求1.设计一个十字路口的交通信号灯控制电路,要求甲车道和乙车道两条交叉道路上的车交替运行。2.要求黄灯先亮5秒,才能变换行车道。3.黄灯亮时,要求每秒钟闪亮一次。二、实验设备1.数字双踪示波器2.74LS00、74LS20、74LS74、74LS153、74LS163、74LS138、NE555、发光二极管、电阻、电容三、实验原理与实验电路1.实验原理简介实验电路主要由控制器、定时器、译码器和秒脉冲信号发生器等部分组成。秒脉冲发生器是该系统中定时器和控制器的标准时钟信号源,译码器输出组信号灯的控制信号,经驱动电路后驱动信号灯工作,控制器是系统的主要部分,由它控制定时器和译码器的工作。下面简要介绍个控制信号的意义:TL:表示甲车道或乙车道绿灯亮的时间间隔是25秒,即两车道正常通行的时间间隔。定时器时间到,TL=1,否则,TL=0。TY:表示黄灯亮的时间间隔是5秒,定时时间到,TY=1.,否则,TY=0。ST:表示定时器到了规定的时间后,由控制器发出状态转换信号。由他控制定时器开始下个工作状态的定时。AG=1:表示甲车道绿灯亮;BG=1:乙车道绿灯亮;AY=1:表示甲车道黄灯亮;BG=1:乙车道黄灯亮;AR=1:表示甲车道红灯亮;BR=1:乙车道红灯亮;假设交通信号灯由四种状态组成:第一种状态:甲车道绿灯亮,乙车道红灯亮。表示甲车道的车辆允许通行,乙车道的车辆禁止通行。绿灯亮足够时间间隔TL时,控制器发出状态信号ST,转到下一个工作状态。二种状态:甲车道黄灯亮,乙车道红灯亮。表示甲车道上为过停车线的车辆停止通行,已过停车线的车辆继续通行,乙车道禁止通行。黄灯亮足够的时间间隔TY时,控制器发出状态转换信号ST,转到下一个工作状态。三种状态:甲车道红灯亮,乙车道黄灯亮。表示甲车道禁止通行,乙车道的车辆可以通过。绿灯亮足够规定时间间隔时,控制器发出状态转换信号ST,转到下一工作状态。四种状态:甲车道红灯来亮,乙车道黄灯亮。表示甲车道禁止通行,乙车道未过停车线的车辆停止通行,已过停车线的车辆继续通行。黄灯亮足规定的时间间隔TY时,控制器发出状态转换信号ST,系统又转换到第一种工作状态。通信号灯以上四种工作状态是由控制器进行控制的。设控制器的四种状态编码为00、01、11、10,分别用S0、S1、S2、S3表示,则控制器的工作状态即功能表如下所示:控制状态信号灯状态车道运行状态S0(00)甲绿,乙红甲车道通行,乙车道禁止通行S1(01)甲黄,乙红甲车道缓行,乙车道禁止通行S2(11)甲红,乙绿甲车道禁止通行,乙车道通行S2(10)甲红,乙黄甲车道禁止通行,一车道缓行2.各单元电路的设计1)秒脉冲信号的设计:设计电路图如下,选用LM555CM芯片,只要控制信号发生器的频率、电压以及电阻乘以电容的值RC,在555芯片的输出端(2端)就能得出周期为一秒的秒脉冲波形,该波形就是系统中定时器和控制器的标准时钟信号源,由他控制定时器和译码器的工作。U1LM555CMGND1DIS7OUT3RST4VCC8THR6CON5TRI2D11N3208R11kΩC1100nFV15Vrms50Hz0°VDD5V21VDD3XSC1ABExtTrig++__+_40脉冲信号发生器2)定时器的设计:定时器由于系统脉冲(由时钟脉冲产生器提供)同步的计数器构成,计数器在状态信号ST作用下,首先清零,然后再时钟脉冲上升沿作用下,计数器从零开始进行增1计数,向控制器提供模5的定时信号TY和模25的定时信号TL。计数器选用集成电路74LS163设计。74LS163是4位二进制同步计数器,它具有同步清零、同步置数的功能。74LS163的功能表如下所示:输入输出CRLDCTPCTTCPDADBDCDDQAQBQCQD0×××↑××××000010××↑ABCDABCD1111↑××××计数110×↑××××计数11×0×××××计数74LS的引脚排列图如下所示:定时器的电路图如下所示:其中ST状态转换信号由控制器发出,ST状态转换信号经过一个非门后,分别接到两片74LS163的同步置零端(即图中的CLR’端),两片的输入端(即A、B、C、D端)分别接地,秒脉冲信号发生器的输出秒脉冲信号分别接到两片74LS163的CP信号端(即图中的CLK端),当控制器发来的ST信号为1时,ST信号经过非门后变为0,则两片74LS163的输出端输出全为零,TY、TL信号为零,当ST信号变为1后,开始计数...

1、当您付费下载文档后,您只拥有了使用权限,并不意味着购买了版权,文档只能用于自身使用,不得用于其他商业用途(如 [转卖]进行直接盈利或[编辑后售卖]进行间接盈利)。
2、本站所有内容均由合作方或网友上传,本站不对文档的完整性、权威性及其观点立场正确性做任何保证或承诺!文档内容仅供研究参考,付费前请自行鉴别。
3、如文档内容存在违规,或者侵犯商业秘密、侵犯著作权等,请点击“违规举报”。

碎片内容

交通信号灯控制电路设计和实现 通信工程专业

确认删除?
VIP
微信客服
  • 扫码咨询
会员Q群
  • 会员专属群点击这里加入QQ群
客服邮箱
回到顶部