电脑桌面
添加小米粒文库到电脑桌面
安装后可以在桌面快捷访问

油库生产及消防涉及的设计及计算VIP免费

油库生产及消防涉及的设计及计算_第1页
1/38
油库生产及消防涉及的设计及计算_第2页
2/38
油库生产及消防涉及的设计及计算_第3页
3/38
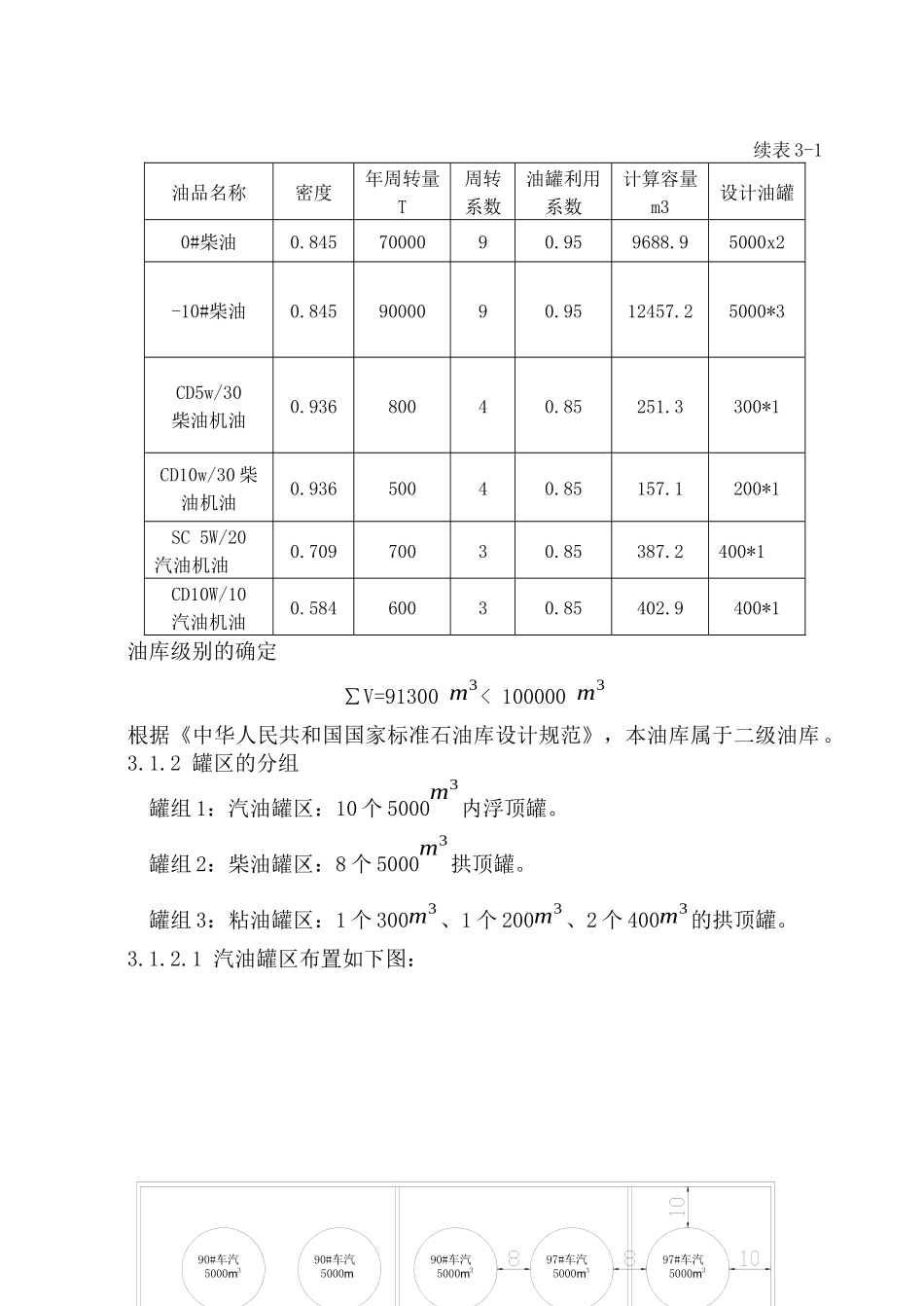
第3章基本参数的确定3.1油库容量的确定3.1.1油库单罐容量的计算由《油库设计》规范推荐的油罐容量的计算公式,可得各种油品的储存容量;计算公式:Vs=G/kρη(3-1)其中:Vs——某种油品的设计容量,m3;G——该种油品的年周转量,t;ρ——该种油品的密度,t/m3;k——该种油品的周转系数;η——有关利用系数,对轻油取0.95,粘油取0.85;计算:(93#汽油为例)由式(3-1)Vs=G/kρη=100000/10x0.726x0.95=14519.6m3根据《油库设计》可以选用3个5000m3内浮顶油罐。表3-1其余各种油品计算结果见油品名称密度年周转量T周转系数油罐利用系数计算容量m3设计油罐97#汽油0.72712000090.9519305.55000x490#汽油0.72590000100.9513067.25000x310#轻柴油0.8458000070.9514236.85000x3续表3-1油品名称密度年周转量T周转系数油罐利用系数计算容量m3设计油罐0#柴油0.8457000090.959688.95000x2-10#柴油0.8459000090.9512457.25000*3CD5w/30柴油机油0.93680040.85251.3300*1CD10w/30柴油机油0.93650040.85157.1200*1SC5W/20汽油机油0.70970030.85387.2400*1CD10W/10汽油机油0.58460030.85402.9400*1油库级别的确定∑V=91300m3<100000m3根据《中华人民共和国国家标准石油库设计规范》,本油库属于二级油库。3.1.2罐区的分组罐组1:汽油罐区:10个5000m3内浮顶罐。罐组2:柴油罐区:8个5000m3拱顶罐。罐组3:粘油罐区:1个300m3、1个200m3、2个400m3的拱顶罐。3.1.2.1汽油罐区布置如下图:97#车汽5000m3397#车汽5000m97#车汽5000m3397#车汽5000m390#车汽5000m90#车汽5000m90#车汽5000m393#车汽5000m393#车汽5000m393#车汽5000m3.1.2.2柴油罐区布置如下图:3.1.2.3粘油罐区布置如下图:3.2防火堤高度的确定3.2.1各容积油罐的高度和直径尺寸如下表:表3-2油罐型号和尺寸罐类型罐容(m3)数量壁板高(m)罐直径(m)内浮顶罐50001016.0820.00拱顶罐5000816.0820.00拱顶罐20019.066.00300110.326.50400211.237.503.2.2各管区防火堤的高度计算:3.2.2.1汽油罐区:罐区长=10+20+8+20+8+20+8+20+8+20+10=172m罐区宽=10+20+8+20+10=68m有效面积:S=172*68-10*3.14*202/4=8556有效体积:V=5000防火堤的高度计算:h=V/S=5000/8556=0.584实际防火堤的高度:H=0.584+0.2=0.784取H=1m隔堤的高度:H-0.2=0.8m3.2.2.2柴油罐区:罐区长=10+20+8+20+8+20+8+20+10=124m罐区宽=10+20+8+20+10=68m有效面积:S=124*68-8*3.14*202/4=5920有效体积:V=5000防火堤的高度计算:h=V/S=5000/5920=0.84实际防火堤的高度:H=h+0.2=1.04取H=1.2m隔堤的高度:H-0.2=1.0m3.2.2.3粘油罐区罐区长=5+6.5+2+6+2+7.5+2+7.5+6=44.5m罐区宽=6+7.5+6=19.5m有效面积:S=44.5*19.5-2*3.14*7.52/4-3.14*62/4-3.14*6.52/4=727.0有效体积:V=400防火堤的高度计算:h=V/S=400/727.0=0.55实际防火堤的高度:H=h+0.2=0.75取H=1m隔堤的高度:H-0.2=0.8m3.3铁路作业区的计算3.3.1鹤管数的确定:3.3.1.1根据牵引定数确定最大车位:计算公式为:n¿=机车牵引定数/(自重+标记载重)(3-2)=3500*(22+50)=48.6向下取整取n¿=483.3.1.2根据作业情况确定每天到库的车位数:计算公式:n=KG/360ρV(3-3)公式中:n——每天到库最大车数;K——收油不均匀系数K=2G——该种油品散装铁路收油的计划年周转量t/y;V——一辆油罐车的容积V=50m3ρ——该种油品的密度,t/m3360——一年工作日;以97#车用汽油计算为例:n=2*120000/(360*0.73*50)=18.26取19其余油品计算结果如下表:表3-3其余油品计算结果油品种类年周转量计算容量收油不均匀系数计算结果鹤管数97#汽油12000050218.261990#汽油9000050213.691410#轻柴油8000050210.5110#柴油700005029.1510-10#柴油9000050211.7612CD5w/30柴油机油8005020.091CD10w/30柴油机油5005020.061SC5W/20汽油机油7005020.081SD10W/10汽油机油6005020.071由于铁路卸油量远大于发油量所以发油和卸油共用一个鹤管计算一卸油为准,可以不考虑发油n=19+14+11+10+12+1+1+1+1=70实际每天一次到库车位数:n=min{n,n¿}=min{70,48}=48所以,一次到库最多油罐车数为49节。粘油取下卸器三个,其中一个为变压器油专用,航空汽油取2个鹤...

1、当您付费下载文档后,您只拥有了使用权限,并不意味着购买了版权,文档只能用于自身使用,不得用于其他商业用途(如 [转卖]进行直接盈利或[编辑后售卖]进行间接盈利)。
2、本站所有内容均由合作方或网友上传,本站不对文档的完整性、权威性及其观点立场正确性做任何保证或承诺!文档内容仅供研究参考,付费前请自行鉴别。
3、如文档内容存在违规,或者侵犯商业秘密、侵犯著作权等,请点击“违规举报”。

碎片内容

油库生产及消防涉及的设计及计算

确认删除?
VIP
微信客服
  • 扫码咨询
会员Q群
  • 会员专属群点击这里加入QQ群
客服邮箱
回到顶部