电脑桌面
添加小米粒文库到电脑桌面
安装后可以在桌面快捷访问

对外业务人员申请贷款购买机器脚踏车办法VIP免费

对外业务人员申请贷款购买机器脚踏车办法_第1页
1/2
对外业务人员申请贷款购买机器脚踏车办法_第2页
2/2
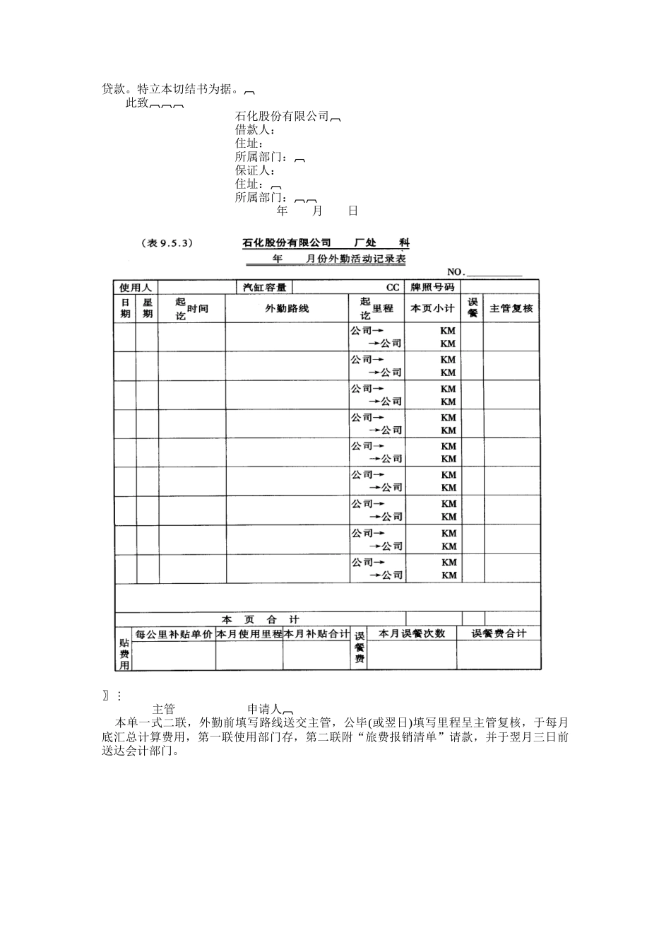
对外业务人员申请贷款购买机器脚踏车办法第一条贷款对象本办法对外业务人员因业务需要,向公司申请贷款购买机器脚踏车(以下简称机车)使用。第二条申请对外业务人员需要申请贷款购买机车者,应填具“对外业务人员贷款购买机车申请书”(表9.5.1)及“切结书”(表9.5.2)呈经理核准后交总务部门。“对外业务人员贷款购买机车申请书”一式二联,第一联送会计部门存查,第二联存总务部门凭以办理请购、所有权登记、扣款及投保等事宜。第三条贷款标准及偿还方式机车统由公司采购,其贷款额以90cc为原则,如有超出部分由申请人自行筹款。机车款以无息方式贷与,每月由薪津内扣缴500元至全部缴清为止。第四条所有权归属机车R所有权登记予申请人,机车牌照申请书等附件则于办理登记后由总务部门保管至贷款还清后发还。第五条机车费用补贴标准因公使用机车其耗用的汽油、机油及修护(含折旧)费等按下列标准由公司补贴给使用人:1.每行驶150公里补贴1加仑汽油费。2.每行驶100公里补贴1公升机油费。3.每行驶100公里补贴70元修护(含折旧)费。第六条费用申请方式机车使用人外出时应登记“外勤活动记录表”一式二联(表9.5.3)写明去处送交主管,公毕(或翌日)填写里程呈主管复核,于每月底汇总计算费用。第一联使用部门存,第二联附“旅费报销清单”请款并于翌月3日前送达会计部门。第七条离职或职务变动的处理使用人于机车款付清而于中途离职时,应将尾款一次付清。如因职务变动再无外勤必要,其机车费用的补贴(含税捐、保险费)应即停支,未付清的机车贷款仍应按月扣缴。第八条违警事项的处理使用机车人员应遵守法令及交通规则,如有违罚款等情形,使用人应自行负责。第九条保险费的负担汽车保险费按公司支付补贴30%支给使用人,由使用人直接支付。(表9.5.2)切结书借款人因对外业务的需要,向本公司申请贷款元购买机器脚踏车,愿遵照“对外业务人员申请贷款购买机器脚踏车办法”的规定履行偿还贷款之义务。如有违背时,保证人愿与借款人连带负偿还责任,并任由公司自其薪津或退职酬劳金扣取抵缴贷款。特立本切结书为据。此致石化股份有限公司借款人:住址:所属部门:保证人:住址:所属部门:年月日〗主管申请人本单一式二联,外勤前填写路线送交主管,公毕(或翌日)填写里程呈主管复核,于每月底汇总计算费用,第一联使用部门存,第二联附“旅费报销清单”请款,并于翌月三日前送达会计部门。

1、当您付费下载文档后,您只拥有了使用权限,并不意味着购买了版权,文档只能用于自身使用,不得用于其他商业用途(如 [转卖]进行直接盈利或[编辑后售卖]进行间接盈利)。
2、本站所有内容均由合作方或网友上传,本站不对文档的完整性、权威性及其观点立场正确性做任何保证或承诺!文档内容仅供研究参考,付费前请自行鉴别。
3、如文档内容存在违规,或者侵犯商业秘密、侵犯著作权等,请点击“违规举报”。

碎片内容

对外业务人员申请贷款购买机器脚踏车办法

文泉书屋+ 关注
实名认证
内容提供者

热爱教学事业,对互联网知识分享很感兴趣

确认删除?
VIP
微信客服
  • 扫码咨询
会员Q群
  • 会员专属群点击这里加入QQ群
客服邮箱
回到顶部