电脑桌面
添加小米粒文库到电脑桌面
安装后可以在桌面快捷访问

自我素質管理與PDCAVIP免费

自我素質管理與PDCA_第1页
1/4
自我素質管理與PDCA_第2页
2/4
自我素質管理與PDCA_第3页
3/4
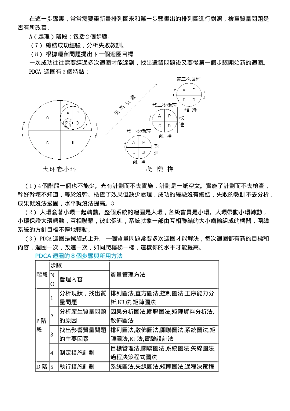
成功者素質自我管理開始訓練成功者素質一個人就象一塊磁鐵,總愛吸附與自己品性相近的東西。我們應該吸附哪些成功者的高貴品質呢?所有成功學大師沒有一個教給我們用一般人認爲的自私自利、剝削別人、坑蒙拐騙這種方法致富的。那些幹成大事業的成功者都具備常人沒有的非凡的高貴品質,總是先替他人著想,因爲他們認識到成功不靠自己,而是靠別人。靠別人的幫助,靠別人捧場。要想致富,就先想一想,自己把什麽帶給別人得到好處了,只有你的價值得到社會、大家承認了,大家才心甘情願地掏錢。拿破侖·希爾思考致富的12步:欲望信心自我暗示專業知識想象力計劃決心毅力智囊潛意識頭腦第六感N·克萊門特·斯通16項成功原則:積極的心態確定的目標多走些路正確的思考自我控制集體心理應用信心令人愉快的性格個人的首創精神熱情集中注意力協作精神總結經驗教訓創造性的見識預算時間和金錢保持身心健康造船大王亨利·開賽的7個成功秘訣:1.發揮100%的潛能2.百折不撓的毅力3.確定自己的夢想4.滿足大衆的需要5.善於運用部屬的才幹與智慧6.凡事全力以赴7.決定了,立刻行動美國著名學者戴路畢生研究偉人與企業家成功致富之道。最後,他給成功致富下了一個公式:成功致富=(EE+CT+SP)DD的b次方EE=教育與經驗CT=創造性的思考能力SP=推銷的人格特質DD=固定努力的方向b=機運自我管理世界上最難管理的是自己,如果能夠把自己征服,我們便成功了一半。管理自己的4要訣:1.要立個目標,使自己有個計劃,好努力去完成,也能夠由此看出自己的成績和缺點2.有恒心3.由少到多,由簡而繁,由約而博的循序漸進4.靈活性馬爾騰博士爲成功人士定出了一種日記簿,他把作領袖和成功所必備的7種美德,列爲每天反省的資料:1.意志力2.知識3.熱誠4.自信心5.毅力6.責任感7.勇氣中國最早提倡科學管理的王雲五先生把科學管理分成7個問題:1.做什麽?確定做事的目標2.怎麽做?對所做的事加以設計,定出進行程式與完成時間3.用什麽去做?對所需的工具、材料和設備加以研究,作出適當的配置4.由誰去做?考慮誰是這件事的適當人選5.需要多少錢?指對於所需經費的預算6.如何做得快?是科學管理的出發點7.如何做得好?歸納爲幾句話:"以一種科學的精神,在最低疲勞與最高效率的兩條界限間,兼顧勞、資與社會三方面的利益,針對四個物件,運用五個連環,按照六個重要原則,解答七個問題,是爲科學管理。"PDCA迴圈把日常管理工作具體分成8個步驟:P(計劃)階段:包括4個步驟。(1)找出存在的問題,通過資訊反饋瞭解。(2)找出産生問題的原因,可利用因果圖進行分析(3)找出影響的主要原因(4)研究對策措施,指定對策計劃表制定對策計劃表是PDCA迴圈很關鍵的一步,它是針對影響質量的主要原因而制定的。它的內容包括:Why(爲什麽幹),說明原因Where(哪里幹),說明地點、現狀What(幹到什麽程度),說明達到的標準Who(誰來幹),說明對策負責人When(何時完成),說明執行決策進度How(怎麽幹),說明對策內容以上內容通稱5W1H。顯然,對策計劃表實際上就是解決質量問題的任務書。D(實施)階段:只有一個步驟。(5)實施對策計劃表,在實施過程中要認真做好原始記錄C(檢查)階段:只有一個步驟。(6)按標準檢查實施對策計劃表的效果在這一步驟裏,常常需要重新畫排列圖來和第一步驟畫出的排列圖進行對照,檢查質量問題是否有所改善。A(處理)階段:包括2個步驟。(7)總結成功經驗,分析失敗教訓。(8)根據遺留問題提出下一個迴圈目標一次成功往往需要經過多次迴圈才能達到,找出遺留問題後又要從第一個步驟開始新的迴圈。PDCA迴圈有3個特點:(1)4個階段一個也不能少。光有計劃而不去實施,計劃是一紙空文。實施了計劃而不去檢查,幹好幹壞不知道,等於沒幹。檢查了效果但缺少處理,成功的經驗沒有總結,失敗的教訓不去分析,成果就沒法鞏固,水平就沒法提高。3(2)大環套著小環一起轉動。整個系統的迴圈是大環,各級會員是小環。大環帶動小環轉動,小環保證大環轉動,互相聯繫,彼此促進,系統就象一部由互相聯結的大小齒輪組成的機器,圍繞系統的方針目標不停地轉動。(3)PDCA迴圈...

1、当您付费下载文档后,您只拥有了使用权限,并不意味着购买了版权,文档只能用于自身使用,不得用于其他商业用途(如 [转卖]进行直接盈利或[编辑后售卖]进行间接盈利)。
2、本站所有内容均由合作方或网友上传,本站不对文档的完整性、权威性及其观点立场正确性做任何保证或承诺!文档内容仅供研究参考,付费前请自行鉴别。
3、如文档内容存在违规,或者侵犯商业秘密、侵犯著作权等,请点击“违规举报”。

碎片内容

自我素質管理與PDCA

您可能关注的文档

确认删除?
VIP
微信客服
  • 扫码咨询
会员Q群
  • 会员专属群点击这里加入QQ群
客服邮箱
回到顶部