电脑桌面
添加小米粒文库到电脑桌面
安装后可以在桌面快捷访问

道路工程监理投标书VIP免费

道路工程监理投标书_第1页
1/34
道路工程监理投标书_第2页
2/34
道路工程监理投标书_第3页
3/34
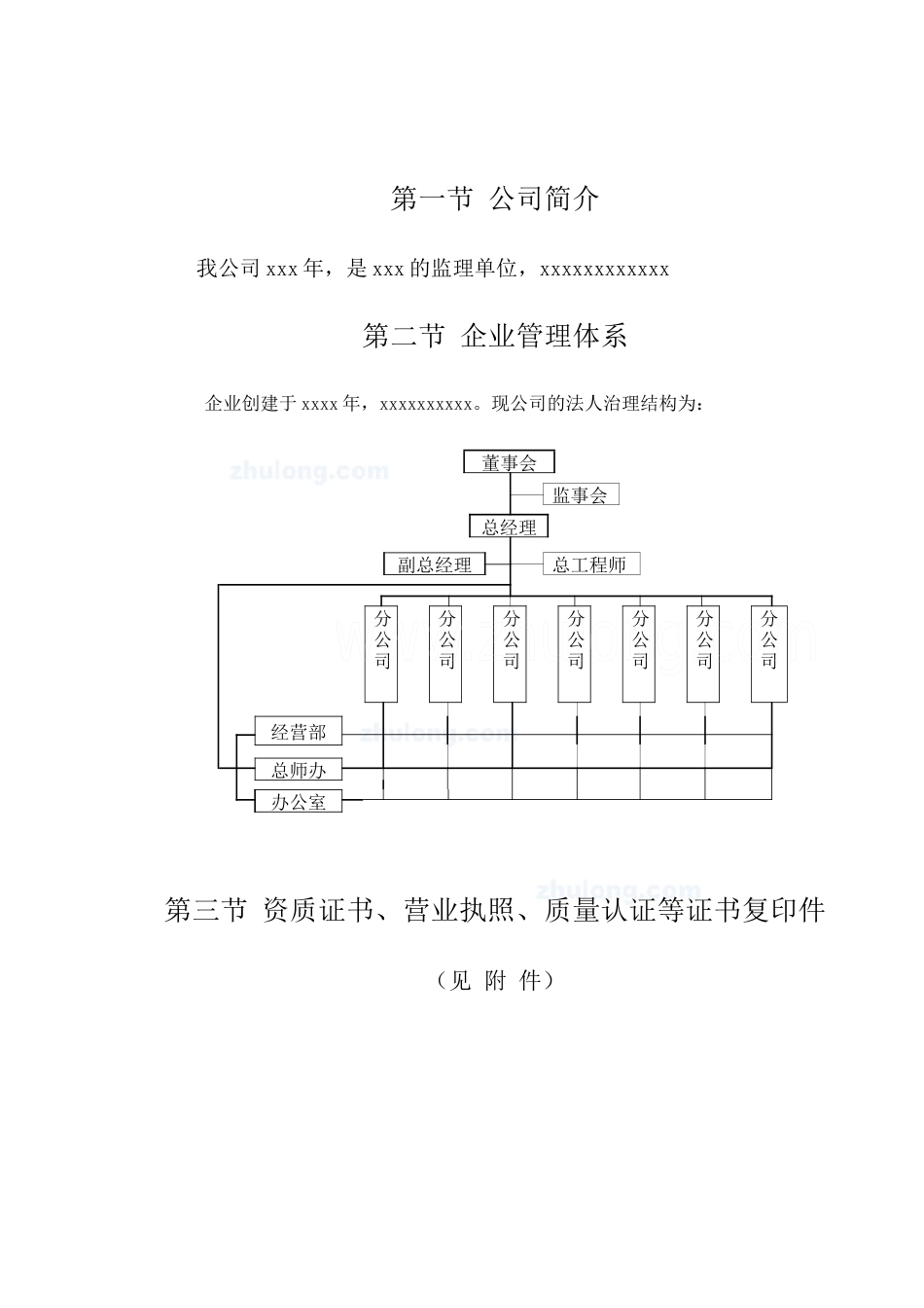
第一节公司简介我公司xxx年,是xxx的监理单位,xxxxxxxxxxxx第二节企业管理体系企业创建于xxxx年,xxxxxxxxxx。现公司的法人治理结构为:董事会监事会总经理副总经理总工程师分公司分公司分公司分公司分公司分公司分公司经营部总师办办公室第三节资质证书、营业执照、质量认证等证书复印件(见附件)第四节近年企业完成类似工程监理业绩一览表序号工程名称工程规模工程造价(万元)建设单位质量情况1234567891011项目总监经历、业绩情况简介第一节总监理工程师的简历、资历证明材料(详见附件)第二节总监理工程师主持或参与监理的类似工程业绩表序号工程名称工程规模工程造价(万元)建设单位质量情况12345678资源配置第一节专业监理工程师和监理员的简历、资历证明材料(详见附件)第二节现场监理人员配置本工程拟用监理人员一览表:姓名本工程拟任岗位年龄性别专业专业年限监理资质职务和职称安排上岗起止时间说明:总监到位率承诺达到85%以上,即每个月不少于25天。总监代表到位率承诺达到100%以上,即每个月不少于30天。监理工程师到位率承诺达到100%以上,即每个月不少于30天。监理员到位率承诺达到100%以上,即每个月不少于30天。注:列入本表人员如要更换,需发包单位同意。擅自更换或不到位属违约行为。第0页共36页编号:时间:2021年x月x日书山有路勤为径,学海无涯苦作舟页码:第0页共36页第三节人员进场计划监理人员工作安排进场计划表姓名本工程拟派人员岗位起止时间前期阶段施工阶段竣工验收阶段总监总监代表市政监理师监理员专业监理工程师见证取样员造价监理师注:表示常驻现场表示按工程需要进场第1页共36页第0页共36页编号:时间:2021年x月x日书山有路勤为径,学海无涯苦作舟页码:第1页共36页第四节拟为工程项目配置的检测及办公设备工程名称:xxxx工程序号设备或仪器名称型号规格数量使用情况投入时间备注1经纬仪J2-11台良好开工2水准仪DS31台良好开工3砼回弹仪ZC3-A2只良好开工4双滑道焊缝检测量规1台良好开工5复印机Snmsung41161台良好开工6打印机EPSONC651台良好开工7多功能检测包2套良好开工8靠尺JZC-21支良好开工9数码相机M90001台良好开工10摄影机HCC-241台良好开工11手机每人1只良好开工12电话机步步高1良好开工135米钢卷尺人手一把良好开工1430米钢卷尺1卷良好开工152米水平靠尺2良好开工序号设备或仪器名称型号规格数量使用情况投入时间备注16塞尺1良好开工第2页共36页第1页共36页编号:时间:2021年x月x日书山有路勤为径,学海无涯苦作舟页码:第2页共36页17百格板1良好开工18自行车4良好开工19电脑(现场)1台良好开工20汽车1辆良好开工监理大纲第2页共36页第3页共36页编号:时间:2021年x月x日书山有路勤为径,学海无涯苦作舟页码:第3页共36页第一章监理工程概况1.工程名称:xxx工程监理2.建设地点:xxx3.设计单位:xxx有限公司4.要求质量目标:确保施工单位对工程质量承诺的实现5.监理工期:按施工合同工期(从开工至竣工验收)另加保修期6.工程类别:市政7.工程造价:约xxx万元8.工程规模:本工程路长xxxx米。9.现场条件:施工现场三通一平已完成,资金已落实,各方面满足施工要求。第二章监理范围、目标及依据一、工程监理范围、要求和服务内容1.监理范围:施工图包含的所有施工内容的施工阶段、竣工验第4页共36页第3页共36页编号:时间:2021年x月x日书山有路勤为径,学海无涯苦作舟页码:第4页共36页收阶段及保修期内的监理工作。2.按照建筑规范标准和合同要求,对本工程的勘测设计和工程施工,实施“三控制、二管理、一协调”为核心的监理工作,其中主要内容如下:(1)、对工程的投资、质量和建设工期采用科学的方法和手段,进行施工全过程控制。协调有关单位之间的关系,向业主提交完整的监理档案资料,参与工程的交工和竣工验收。(2)、本工程的监理服务期从签订合同之日开始至工程通过竣工验收交付使用并向业主提交完整的监理档案资料及检查、督促施工单位整理提交各项工程技术资料后通过有关部门备案为止,但在工程质量保修期内,监理单位应承担相应的义务和责任。(3)、监理单位必须严格桉照国家、省有关建设监理规定进行监理。(4...

1、当您付费下载文档后,您只拥有了使用权限,并不意味着购买了版权,文档只能用于自身使用,不得用于其他商业用途(如 [转卖]进行直接盈利或[编辑后售卖]进行间接盈利)。
2、本站所有内容均由合作方或网友上传,本站不对文档的完整性、权威性及其观点立场正确性做任何保证或承诺!文档内容仅供研究参考,付费前请自行鉴别。
3、如文档内容存在违规,或者侵犯商业秘密、侵犯著作权等,请点击“违规举报”。

碎片内容

道路工程监理投标书

您可能关注的文档

确认删除?
VIP
微信客服
  • 扫码咨询
会员Q群
  • 会员专属群点击这里加入QQ群
客服邮箱
回到顶部