电脑桌面
添加小米粒文库到电脑桌面
安装后可以在桌面快捷访问

某机床有限公司岗位评价体系VIP专享VIP免费

某机床有限公司岗位评价体系_第1页
1/6
某机床有限公司岗位评价体系_第2页
2/6
某机床有限公司岗位评价体系_第3页
3/6
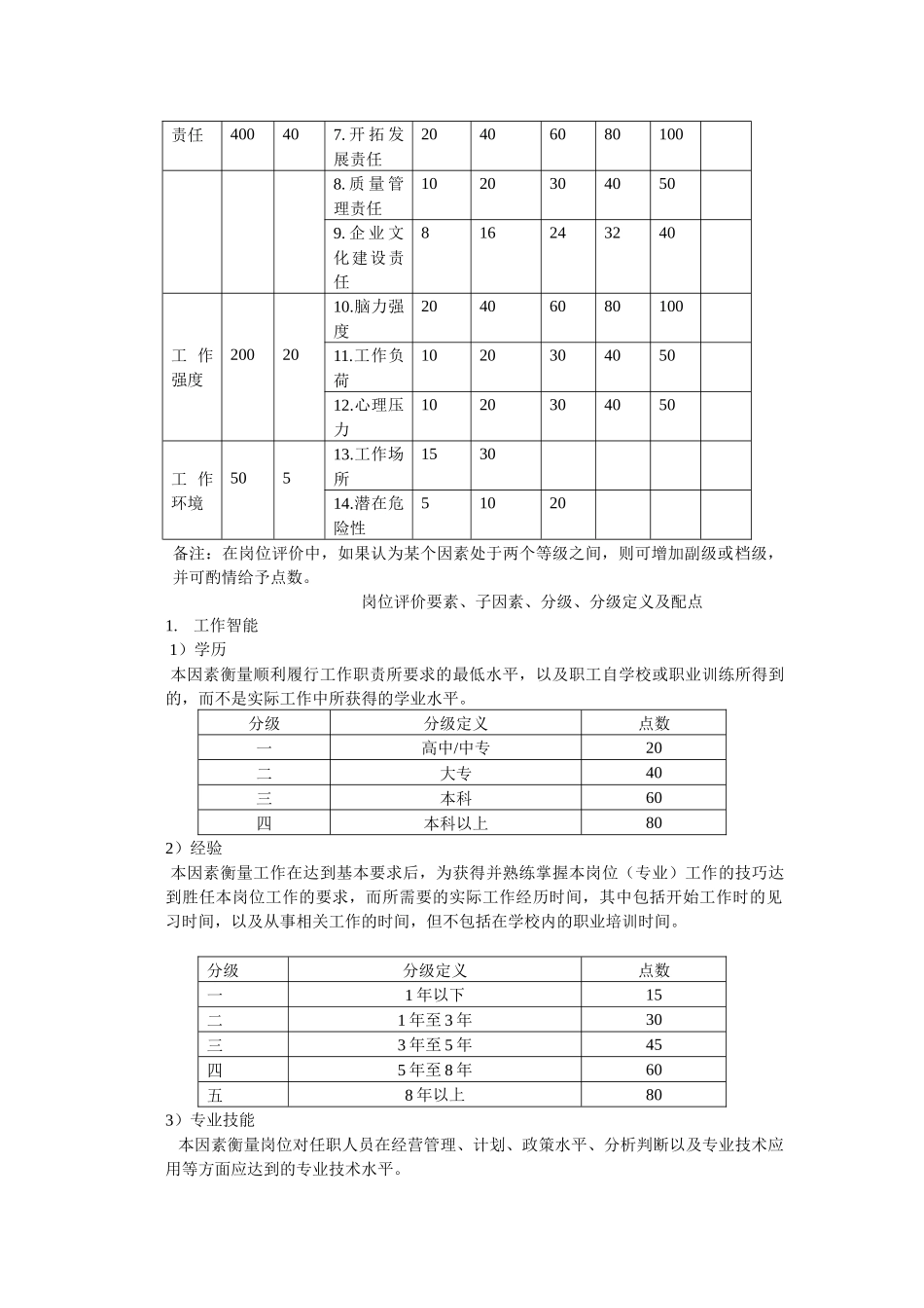
江苏**机床有限公司人力资源管理制度编号:拥有人:综合管理部岗位评价体系时间:岗位评价体系一、目的:岗位评价作为一种解决合理分配工资收入的一个标准,是确定工资差别的基础。工作评价的核心是给各种不同的工作,按照岗位的整体工作中的相对价值,来确定不同岗位的等级其目标是为了实现同工同酬,即完成同等价值的工作,支付等量的报酬。二、适用范围本公司全部岗位。三、名词解释岗位评价:是对不同岗位的工作进行研究和分级的方法。工作评价关心的是岗位的分级,而不去注意谁去做这项工作或谁在做这项工作。岗位评价技术:岗位评价的实质是把提供不同价值的产品或服务的具体劳动,还原为抽象劳动,进而使各种具体劳动之间可以相互比较,以确定各个岗位在组织中的相对价值。当所有岗位的总点数得出以后,就可以根据每一岗位点数的多少,度量出每一岗位在一个组织中的相对位置或相对价值。岗位评价方法:岗位评价有四种方法:排列法、分类法、要素比较法、要素分级计点法。其中,本公司采用的要素分级计点法是数量化的评价方法,在诸多评价方法中,是科学性程度最高的一种。总点数为1000点。四、岗位评价体系的架构公司岗位评价体系,把岗位对人的要求分为四大要素:在四大要素的基础上,又进一步分解为14个子要素,每个子要素再细分为若干等级,并一一定义和分配点数。五、岗位评价体系与企业工资挂钩实际操作要求1、先要有标杆岗位点数,才好定其它岗位点数,一般有两种标杆岗位:一是最基础岗位,一是最高岗位,一般以部门为单位开展评价后在与其他部门之间比较;2、确定基础岗位工资或最高岗位工资后,可以确定其他相对岗位的工资,一般以部门为单位。六、岗位评价要素内容岗位评价要素、要素分级及配点表要素配点权重%因素一二三四五六工作智能350351.学历204060802.经验15304560803.专业技能1530456075904.主动性、创造性20406080100工作5.经济效益责任204060901206.对他人管理责任153045607590责任400407.开拓发展责任204060801008.质量管理责任10203040509.企业文化建设责任816243240工作强度2002010.脑力强度2040608010011.工作负荷102030405012.心理压力1020304050工作环境50513.工作场所153014.潜在危险性51020备注:在岗位评价中,如果认为某个因素处于两个等级之间,则可增加副级或档级,并可酌情给予点数。岗位评价要素、子因素、分级、分级定义及配点1.工作智能1)学历本因素衡量顺利履行工作职责所要求的最低水平,以及职工自学校或职业训练所得到的,而不是实际工作中所获得的学业水平。分级分级定义点数一高中/中专20二大专40三本科60四本科以上802)经验本因素衡量工作在达到基本要求后,为获得并熟练掌握本岗位(专业)工作的技巧达到胜任本岗位工作的要求,而所需要的实际工作经历时间,其中包括开始工作时的见习时间,以及从事相关工作的时间,但不包括在学校内的职业培训时间。分级分级定义点数一1年以下15二1年至3年30三3年至5年45四5年至8年60五8年以上803)专业技能本因素衡量岗位对任职人员在经营管理、计划、政策水平、分析判断以及专业技术应用等方面应达到的专业技术水平。分级分级定义点数一了解本专业工作内容,照章办事,具有完成一般性工作的能力15二了解和初步掌握本专业工作内容及本专业有关的政策规定,具有简单的分析判断能力和完成一般性技术管理工作30三熟悉本专业工作内容和政策规定,有一定分析判断能力,能够独立解决处理本专业较为复杂问题的能力,受过培训,能独立承担本专业中一般项目的设计、技术、经营管理工作,能完成一般性工作总结报告45四熟悉本专业工作内容和政策规定,具有一定分析判断能力,能够独立判断及解决本专业较为复杂问题的能力,受过一定的培训,有一定的工作经验和开拓能力,能独立承担本部门或本专业较复杂研究、设计及经营项目,能撰写一定水平的总结、报告60五有较高的政策(技术)业务水平和综合、独立判断和解决处理本专业复杂问题的能力,受过系统的培训,有较丰富的工作经验,具有较强的开拓能力,能够独立主持或组织本部门、本专业内的重大项目的研究和设计,能够撰写较高水平的总结、报告75六精通...

1、当您付费下载文档后,您只拥有了使用权限,并不意味着购买了版权,文档只能用于自身使用,不得用于其他商业用途(如 [转卖]进行直接盈利或[编辑后售卖]进行间接盈利)。
2、本站所有内容均由合作方或网友上传,本站不对文档的完整性、权威性及其观点立场正确性做任何保证或承诺!文档内容仅供研究参考,付费前请自行鉴别。
3、如文档内容存在违规,或者侵犯商业秘密、侵犯著作权等,请点击“违规举报”。

碎片内容

某机床有限公司岗位评价体系

确认删除?
VIP
微信客服
  • 扫码咨询
会员Q群
  • 会员专属群点击这里加入QQ群
客服邮箱
回到顶部