电脑桌面
添加小米粒文库到电脑桌面
安装后可以在桌面快捷访问

烟气脱硫装置防腐衬里施工组织设计VIP免费

烟气脱硫装置防腐衬里施工组织设计_第1页
1/34
烟气脱硫装置防腐衬里施工组织设计_第2页
2/34
烟气脱硫装置防腐衬里施工组织设计_第3页
3/34
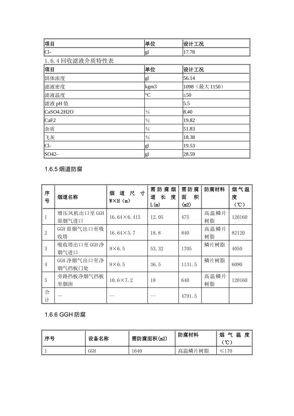
(此文档为word格式,下载后您可任意编辑修改!)烟气脱硫装置防腐衬里施工组织设计一、工程概况1.1工程地址:泸州电厂2×600MW机组锅炉烟气脱硫工程工地。1.2工程范围:吸收塔、箱罐、烟道等防腐。1.3进厂时间:合同签订后7个工作日。1.4交工时间:根据现场工作情况,在最短时间内按照项目部计划完成防腐工作。1.5质量目标:本标工程质量应达到GB《建筑防腐蚀工程施工及验收规范》及HGT《玻璃鳞片衬里胶泥》优良标准。1.6、设计参数1.6.1烟气参数表项目单位参数备注FGD入口处烟气温度℃160设计温度℃170最高(旁路烟温)吸收塔出口净烟气温度℃50设计温度(此时在酸露点以下)1.6.2石膏浆液特性表项目单位设计工况固体浓度gl150.35浆液密度kgm31152(最大1200)浆液温度°C≤50浆液pH值5.5CaSO4.2H2O%59.98杂质%21.65Cl-gl19.66SO42-gl28.701.6.3石灰石浆液特性表项目单位设计工况固体浓度gl300浆液密度kgm31249(最大1280)浆液温度°C≤50浆液pH值7.0~8.5CaCO3%73.12杂质%15.32项目单位设计工况Cl-gl17.781.6.4回收滤液介质特性表项目单位设计工况固体浓度gl56.14滤液密度kgm31098(最大1150)滤液温度°C≤50滤液pH值5.5CaSO4.2H2O%8.40CaF2%19.82杂质%51.83飞灰%18.38Cl-gl19.53SO42-gl28.591.6.5烟道防腐序号烟道名称烟道尺寸W×H(m)需防腐烟道长度L(m)需防腐面积(m2)防腐材料烟气温度(℃)1增压风机出口至GGH原烟气进口16.64×6.41512.05475高温鳞片树脂1201602GGH原烟气出口至吸收塔16.64×5.718.8840高温鳞片树脂821203吸收塔出口至GGH净烟气进口9×6.553.321705鳞片树脂40504GGH净烟气出口至净烟气挡板门处9×6.536.51131.5鳞片树脂60905旁路挡板净烟气挡板至烟囱10.6×7.218640高温鳞片树脂120160合计------4791.51.6.6GGH防腐序号设备名称需防腐面积(m2)防腐材料烟气温度(℃)1GGH1640高温鳞片树脂≤1701.6.7箱罐、地坑及沟道防腐吸收塔序号设备名称防腐材料单位数量备注吸收塔1塔底板及2米以下壁板鳞片树脂m2100.5鳞片涂层为两层2原烟气入口鳞片树脂m24032米以上壁板到喷淋层鳞片树脂m2771.14喷淋层壁板鳞片树脂m2271.3鳞片涂层为两层5喷淋层以上壁板到除雾器鳞片树脂m2249.76塔顶部壁板鳞片树脂m21837其它支撑梁和人孔接管等鳞片树脂m2500箱体序号设备名称防腐材料单位数量介质特性条件1石灰石浆液箱鳞片树脂m2380见3.1.1.32回收水箱鳞片树脂m2290见3.1.1.43废水箱鳞片树脂m263.3见3.1.1.4集水坑序号设备名称防腐材料单位数量介质特性条件1吸收塔集水坑鳞片树脂m280见3.1.1.42石灰石石膏脱水区集水坑鳞片树脂m245见3.1.1.4沟道序号设备名称防腐材料单位数量介质特性条件1沟道鳞片树脂m2180见3.1.1.4说明:1.吸收塔喷淋支撑梁防腐层需考虑浆液冲刷。2.其他箱罐底板及1.5米以下壁板需考虑浆液搅拌时冲刷。3.防腐材料厂家:上纬精细化工有限公司;牌号:SW;二、编制依据1、2007年5月泸州电厂2*600MW机组烟气脱硫工程防腐工程招标文件及技术规范书2、GB50221—95《钢结构工程质量检验评定标准》3、HGJ229—91《工业设备、管道防腐蚀工程施工及验收规范》4、HGJ209—83《钢结构、管道涂装技术规程》5、DL5009.1—92《电力建设安全工作规程》(火力发电厂部分)6、电建(1996)666号《火力发电厂工程竣工图文件编制规定》7、电安生(1995)687《电力生产安全工作规定》8、JGJ59—99建设工程施工现场管理标准9、国电办(2000)3号《关于颁发国家电力公司<安全生产工作规定>的通知10、电建(1995)543号《电力建设文明施工规定及考核办法》11、电建(1995)36号《电力建设工程质量监督规程》12、GBJ46—88《施工现场临时用电安全技术规范》13、GB50194—93《建设工程施工现场供用电安全规范》14、GB50046—95《工业建筑防腐蚀设计规范》15、GB50212—2002《建筑防腐蚀工程施工及验收规范》16、HGT《玻璃鳞片衬里施工技术条件》17、GBJ303—88《建筑电气安装工程质量检验评定标准》18、DL5007—92《电力建设施工及验收技术规范》(火力发电厂焊接篇)19、DL5031—94《电力建设施工及验收技术规范》(管道篇)20、GB《现场设备工业管道焊接工程施工及验收规范》21、JBT《钢制焊接常压容器...

1、当您付费下载文档后,您只拥有了使用权限,并不意味着购买了版权,文档只能用于自身使用,不得用于其他商业用途(如 [转卖]进行直接盈利或[编辑后售卖]进行间接盈利)。
2、本站所有内容均由合作方或网友上传,本站不对文档的完整性、权威性及其观点立场正确性做任何保证或承诺!文档内容仅供研究参考,付费前请自行鉴别。
3、如文档内容存在违规,或者侵犯商业秘密、侵犯著作权等,请点击“违规举报”。

碎片内容

烟气脱硫装置防腐衬里施工组织设计

您可能关注的文档

确认删除?
VIP
微信客服
  • 扫码咨询
会员Q群
  • 会员专属群点击这里加入QQ群
客服邮箱
回到顶部