电脑桌面
添加小米粒文库到电脑桌面
安装后可以在桌面快捷访问

焊工资格项目说明VIP免费

焊工资格项目说明_第1页
1/9
焊工资格项目说明_第2页
2/9
焊工资格项目说明_第3页
3/9
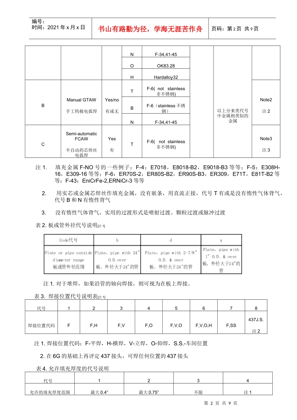
Ab–1/1-T板或管外径代号,见表2焊接工艺(方法)代号,见表1焊接位置代号,一个数字代表一组位置,有几个数字就表示包含几组位置的组合,见表3允许填充厚度的代号,见表4分隔符号分隔符号焊接位置和相应允许的填充厚度之间的分隔斜线。填充金属的类别代号,一个字母代表一种类别,如果有几个字母就表示包含着几种类别,见表1焊工/焊接操作工资格说明书8ASME焊工/焊接操作工资格项目说明8.1焊接资格代号说明资格项目代号说明图[注1,2]注1.所有的项目都是坡口焊缝注2.,可以评定角焊缝,且角焊缝的填充厚度不受限制,母材外径大于、等于73mm,位置与坡口焊缝的位置相同(横焊角焊缝也可以由立焊或仰焊的坡口焊缝来评定)。注2.整个项目代号分为两部分,第一部分由前两个字母组成,列在表的上部总栏中,第二部分由第一个分隔符号后面的代号组成,天灾表中。如果在第二部分代号中划上横线,则表明焊工以前曾经有该资格,但暂时吊销。表1.焊接工艺与填充金属类别代码说明表焊接工艺代号焊接工艺衬垫填充金属【注1】立焊母材的P-NO号其他ASMAW手工电弧焊Yes有代号F-NO号Up向上P-No.1到11,P-No.34,P-No.41到49和没有归类但化学成分和---TF-1~F-4BF-1&F-5第2页共9页编号:时间:2021年x月x日书山有路勤为径,学海无涯苦作舟页码:第2页共9页以上分来类代号中金属相类似的金属NF-34,41-45OOK83.28HHardalloy32BManualGTAW手工钨极电弧焊Yes/no有或无TF-6(notstainless非不锈钢)Note2注2BF-6(stainless不锈钢)NF-34,41-45CSemi-automaticFCAW半自动药芯焊丝电弧焊Yes有TF-6(notstainless非不锈钢)Note3注3注1.填充金属F-NO号的一些例子:F-4:E7018,E8018-B2,E9018-B3等等;F-5:E308H-16,E309-16等等;F-6:ER70S-2,ER80S-B2,ER90S-B3,ER309,E71T,E81T-B2等等;F-43:EniCrFe-2,ERNiCr-3等等2.用实芯或金属芯焊丝作填充金属,没有嵌条,用直流正接,代号T有或是没有惰性气体背气,代号B和N有惰性背气3.没有惰性气体背气,实用的过渡形式是喷射过渡、颗粒过渡或脉冲过渡表2.板或管外径代号说明[注1]注1.对于堆焊,如果沿管的轴向焊接,则可视为在板上焊接。表3.焊接位置代号说明表[注1]代号12345678焊接位置代码FF,HF,VF,OF,V,OF,V,O,HF,SS437J.S.注2注1.焊接位置代码:F-平焊,H-横焊,V-立焊,O-仰焊,S.S.-车间位置2.在6G的基础上再评定437接头,可焊任何位置的437接头表4.允许填充厚度的代号说明代号1234允许的填充厚度范围最大0.4”最大0.75”不限注1第3页共9页第2页共9页编号:时间:2021年x月x日书山有路勤为径,学海无涯苦作舟页码:第3页共9页注1:堆焊填充厚度最小2.1mm表5.焊接操作工资格项目说明焊接方法代号焊接方法类型视觉控制自动电弧电压控制系统自动接头跟踪位置(注2)衬垫(注3)每边焊道R螺柱焊自动------------------Tm龙门焊机械直接---有/无2F有单Cm鳍片管焊机械直接---有/无2F/4F有单E管埋弧焊机械直接---有/无1G有单/多Em鳍片管埋弧焊机械直接---有/无2F有单Ba自动钨极氩弧焊机械直接有有/无1G有/无单/多Ca自动熔化极气保焊机械直接---有/无1G有单/多注1.此表中所列出的各变素是依据ASMEIXQW-361.1和ASMEIXQW-361.2的要求。其中QW-361中的(c)~(f)由于所有列出的焊接方法均不适用,故未列出2.2F-横角焊,4F-仰角焊,1G-平坡口焊3.包括了QW-361.2(f)和(g)4.如果在表中的栏目中划上横线,则表示该焊接操作工以前曾经有该资格,但暂时吊销8.2特殊资格说明8.2.1目的:8.2.1.1为了更好地控制焊接质量,提高焊工的操作水平,焊接部特增加了T/P91的焊接资格和障碍焊的焊接资格(特殊资格)。8.2.2特殊资格的评定8.2.2.1焊接部焊接培训技师可以根据焊工在实际焊接产品操作的过程中,给予现场培训,并根据焊接合格率直接授予特殊资格。8.2.2.2焊工在焊接学校经过特殊资格的培训并通过考试后,可以授予特殊资格。8.2.2.3焊接部焊接培训技师可以根据焊工在实际焊接产品操作的过程的具体合格率表现,取消焊工的特殊资格。8.2.2.4车间主管应安排有资格的焊工施焊。8.2.3特殊资格的记录要求:(A)BX-6+/-T+8.2.3.1在焊接位置代号中的上角标“+”表示该焊工具有6G...

1、当您付费下载文档后,您只拥有了使用权限,并不意味着购买了版权,文档只能用于自身使用,不得用于其他商业用途(如 [转卖]进行直接盈利或[编辑后售卖]进行间接盈利)。
2、本站所有内容均由合作方或网友上传,本站不对文档的完整性、权威性及其观点立场正确性做任何保证或承诺!文档内容仅供研究参考,付费前请自行鉴别。
3、如文档内容存在违规,或者侵犯商业秘密、侵犯著作权等,请点击“违规举报”。

碎片内容

焊工资格项目说明

确认删除?
VIP
微信客服
  • 扫码咨询
会员Q群
  • 会员专属群点击这里加入QQ群
客服邮箱
回到顶部