电脑桌面
添加小米粒文库到电脑桌面
安装后可以在桌面快捷访问

生产系统设计与战略管理VIP免费

生产系统设计与战略管理_第1页
1/164
生产系统设计与战略管理_第2页
2/164
生产系统设计与战略管理_第3页
3/164
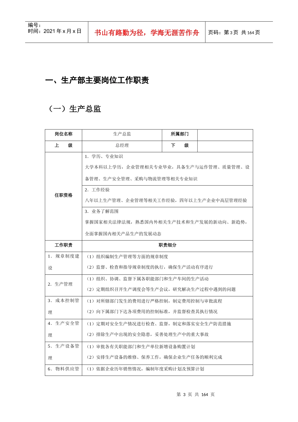
第1页共164页编号:时间:2021年x月x日书山有路勤为径,学海无涯苦作舟页码:第1页共164页目录一、生产部主要岗位工作职责(一)生产总监(二)车间主任(三)班组长(四)生产调度专员(五)动力设备专员(六)生产统计员二、生产部组织管理(一)生产部组织管理工作目标(二)不同规模企业生产组织结构模板(三)不同行业企业生产组织结构模板(四)生产部组织管理工具表单三、生产战略管理(一)生产战略管理工作目标(二)生产战略管理工具表单(三)生产战略管理工作流程四、生产系统设计管理(一)生产系统设计工作目标(二)生产系统设计管理工具表单五、生产计划与控制(一)生产计划与控制工作目标(二)生产计划管理制度模板(三)生产计划管理工具表单(四)生产计划管理工作流程(五)生产系统计划管理流程(六)生产控制管理工作模板(七)生产控制管理工具表单(八)生产控制管理工作流程六、生产技术管理(一)生产技术管理工作目标(二)技术创新与开发管理模板(三)技术创新与开发工具表单(四)技术创新与开发工作流程(五)企业技术改造管理工作模板(六)企业技术改造工具表单七、物资管理(一)物资管理工作目标(二)物料计划管理工作模板(三)物料计划管理工作表单(四)物资采购管理工作模板(五)物资采购管理工具表单第2页共164页第1页共164页编号:时间:2021年x月x日书山有路勤为径,学海无涯苦作舟页码:第2页共164页(六)库存管理工作模板(七)库存管理工具表单八、生产设备管理(一)生产设备管理工作目标(二)设备选择、使用与维修管理工作模板(三)设备选择、使用与维修管理工具表单(四)设备选择、使用与维修管理工作流程九、产品管理(一)产品管理工作目标(二)新产品开发管理工作模板(三)新产品开发管理工具表单(四)产品生产管理工具表单十、生产质量管理(一)生产质量管理工作目标(二)生产质量管理工作模板(三)生产质量管理工具表单(四)生产质量管理工作流程十一、安全生产管理(一)安全生产管理工作目标(二)安全生产管理工作模板(三)安全生产管理工具表单第3页共164页第2页共164页编号:时间:2021年x月x日书山有路勤为径,学海无涯苦作舟页码:第3页共164页一、生产部主要岗位工作职责(一)生产总监岗位名称生产总监所属部门上级总经理下级任职资格1.学历、专业知识大学本科以上学历,企业管理相关专业毕业,具备生产与运作管理、质量管理、设备管理、生产安全管理、采购与物流管理等相关专业知识2.工作经验八年以上生产管理、企业管理等相关工作经验,四年以上生产企业中高层管理经验3.业务了解范围掌握国家相关法律法规,熟悉国内外相关生产技术和生产发展的新动向、新趋势,全面掌握国内相关产品生产的发展动态工作职责职责细分1.规章制度建设(1)组织编制生产管理等方面的规章制度(2)监督、检查和指导规章制度的执行,确保生产活动有序进行2.生产管理(1)组织、协调、监督下属各职能部门和生产车间的生产活动(2)定期组织召开生产调度会等生产会议,研究解决生产过程中遇到的问题3.成本控制管理(1)对所辖部门发生的费用进行严格控制,制定费用控制与审批流程(2)向下属部门下达各项费用的控制标准,并监督检查其执行情况4.生产安全管理(1)定期对安全生产情况进行检查、监督,制定和落实安全生产防范措施(2)排除生产中出现的安全隐患,妥善处理生产中的重大事故5.生产设备管理(1)审批各有关职能部门和生产单位新增设备购置计划(2)安排生产设备的维修、保养工作,确保企业生产任务的顺利完成6.物料供应管(1)依据企业历年销售情况,编制年度采购计划及预算计划第4页共164页第3页共164页编号:时间:2021年x月x日书山有路勤为径,学海无涯苦作舟页码:第4页共164页理(2)全面组织、协调生产车间的原材料、物料供应工作7.分管部门管理(1)负责指导、管理、监督分管部门的业务工作,不断提高工作效率和工作质量(2)做好下属人员的培训、考核和奖惩工作,最大限度地调动员工的积极性(二)车间主任岗位名称车间主任所属部门生产部上级生产部经理下级班组长任职资格1.学历、专业知...

1、当您付费下载文档后,您只拥有了使用权限,并不意味着购买了版权,文档只能用于自身使用,不得用于其他商业用途(如 [转卖]进行直接盈利或[编辑后售卖]进行间接盈利)。
2、本站所有内容均由合作方或网友上传,本站不对文档的完整性、权威性及其观点立场正确性做任何保证或承诺!文档内容仅供研究参考,付费前请自行鉴别。
3、如文档内容存在违规,或者侵犯商业秘密、侵犯著作权等,请点击“违规举报”。

碎片内容

生产系统设计与战略管理

您可能关注的文档

确认删除?
VIP
微信客服
  • 扫码咨询
会员Q群
  • 会员专属群点击这里加入QQ群
客服邮箱
回到顶部