电脑桌面
添加小米粒文库到电脑桌面
安装后可以在桌面快捷访问

消防栓箱供货合同VIP免费

消防栓箱供货合同_第1页
1/7
消防栓箱供货合同_第2页
2/7
消防栓箱供货合同_第3页
3/7
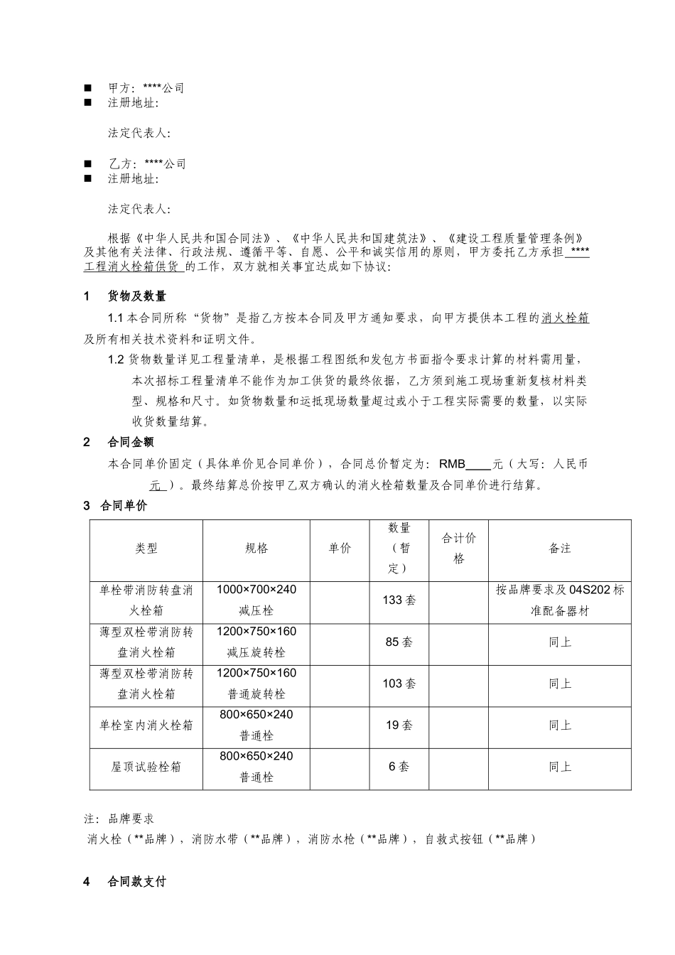
消火栓箱供货合同工程名称:工程地点:合同编号:甲方:乙方:签订日期:2010年3月20日甲方:****公司注册地址:法定代表人:乙方:****公司注册地址:法定代表人:根据《中华人民共和国合同法》、《中华人民共和国建筑法》、《建设工程质量管理条例》及其他有关法律、行政法规、遵循平等、自愿、公平和诚实信用的原则,甲方委托乙方承担****工程消火栓箱供货的工作,双方就相关事宜达成如下协议:1货物及数量1.1本合同所称“货物”是指乙方按本合同及甲方通知要求,向甲方提供本工程的消火栓箱及所有相关技术资料和证明文件。1.2货物数量详见工程量清单,是根据工程图纸和发包方书面指令要求计算的材料需用量,本次招标工程量清单不能作为加工供货的最终依据,乙方须到施工现场重新复核材料类型、规格和尺寸。如货物数量和运抵现场数量超过或小于工程实际需要的数量,以实际收货数量结算。2合同金额本合同单价固定(具体单价见合同单价),合同总价暂定为:RMB元(大写:人民币元)。最终结算总价按甲乙双方确认的消火栓箱数量及合同单价进行结算。3合同单价类型规格单价数量(暂定)合计价格备注单栓带消防转盘消火栓箱1000×700×240减压栓133套按品牌要求及04S202标准配备器材薄型双栓带消防转盘消火栓箱1200×750×160减压旋转栓85套同上薄型双栓带消防转盘消火栓箱1200×750×160普通旋转栓103套同上单栓室内消火栓箱800×650×240普通栓19套同上屋顶试验栓箱800×650×240普通栓6套同上注:品牌要求消火栓(**品牌),消防水带(**品牌),消防水枪(**品牌),自救式按钮(**品牌)4合同款支付4.1本合同无预付款。4.2货物运卸至工地现场达到总数的50%并全部交验合格后14个工作日内,甲方向乙方支付至运达货物价款的65%。4.3货物全部运卸至工地现场,全部交验合格,如遇消防支队抽检,则需提供合格的抽检报告后14个工作日内,甲方向乙方支付至运达货物价款的65%。如抽检不合格乙方需重新提供合格的产品并承担因此造成甲方的一切损失。4.4整体工程竣工验收合格后14个工作日内,甲方向乙方支付至合同总价的95%。4.5合同总价之5%作为质保金,保修期满无维修、整改后14个工作日内支付。4.6甲方付款前乙方提供相应金额的正规发票以及甲方接受货物的签收单原件。4.7付款方式:转帐支票5供货时间及地点5.1乙方应分期分批(一次性/分期分批)将本合同规定之货物运至工程现场,供货时间为甲方提供的供货时间。5.2乙方应自行组织运输工具将货物运卸至********工程施工现场内指定地点保存。5.3上款规定之供货时间为拟定供货,乙方同意甲方在施工期间根据施工实际进展及现场情况提出“进场计划”确定准确进场时间。6保修期6.1本合同项下货物的保修期为工程竣工验收后的1年。保修期自甲方竣工验收合格之日(以颁发的竣工证书所载日期为准)起计算。7双方负责代表7.1甲方指定为其现场货物接收人,TEL:7.2乙方指定为其供货负责人,TEL:7.3合同双方更换各自代表时应及时通知对方,以保证双方货款顺利交接。8违约责任一、乙方责任:1、除合同规定外,如果乙方没有按双方约定时间交货,每迟交一天,乙方应向甲方支付价款总额1‰的违约金,但总数不超过合同总价的5%。如乙方供货期延后超过双方约定时间3天以上,甲方有权终止合同,乙方承担造成甲方的损失。但甲方签字认可的除外。2、由于产品质量不符合要求,给甲方造成的一切损失由乙方负责。3、乙方提供的产品如没有通过消防验收,给甲方造成的一切损失由乙方负责。二、甲方责任:1、因甲方原因中途终止工程,甲方承担因此造成的乙方的损失。2、甲方如需调整产品型号,应及时通知乙方,并承担乙方重复运输、保管、设备差价、材料损失等有关费用。3、如甲方未能按合同规定进度付款,则每天按滞纳进度款的1‰补偿给乙方,但总数不超过合同总价的5%。9其他9.1箱体内配置的消防器材的生产厂名或商标乙方必须严格按照甲方要求进行配置。9.2因发生不可抗力因素致使合同不能正常履行的,由双方友好协商解决。9.3解决合同纠纷的方式:执行本合同发生的争执,由双方友好协商解决。协商不能解决的,任何一方均可依法向工程所在地人民法院提起...

1、当您付费下载文档后,您只拥有了使用权限,并不意味着购买了版权,文档只能用于自身使用,不得用于其他商业用途(如 [转卖]进行直接盈利或[编辑后售卖]进行间接盈利)。
2、本站所有内容均由合作方或网友上传,本站不对文档的完整性、权威性及其观点立场正确性做任何保证或承诺!文档内容仅供研究参考,付费前请自行鉴别。
3、如文档内容存在违规,或者侵犯商业秘密、侵犯著作权等,请点击“违规举报”。

碎片内容

消防栓箱供货合同

确认删除?
VIP
微信客服
  • 扫码咨询
会员Q群
  • 会员专属群点击这里加入QQ群
客服邮箱
回到顶部