电脑桌面
添加小米粒文库到电脑桌面
安装后可以在桌面快捷访问

地铁车站文明施工方案VIP免费

地铁车站文明施工方案_第1页
1/12
地铁车站文明施工方案_第2页
2/12
地铁车站文明施工方案_第3页
3/12
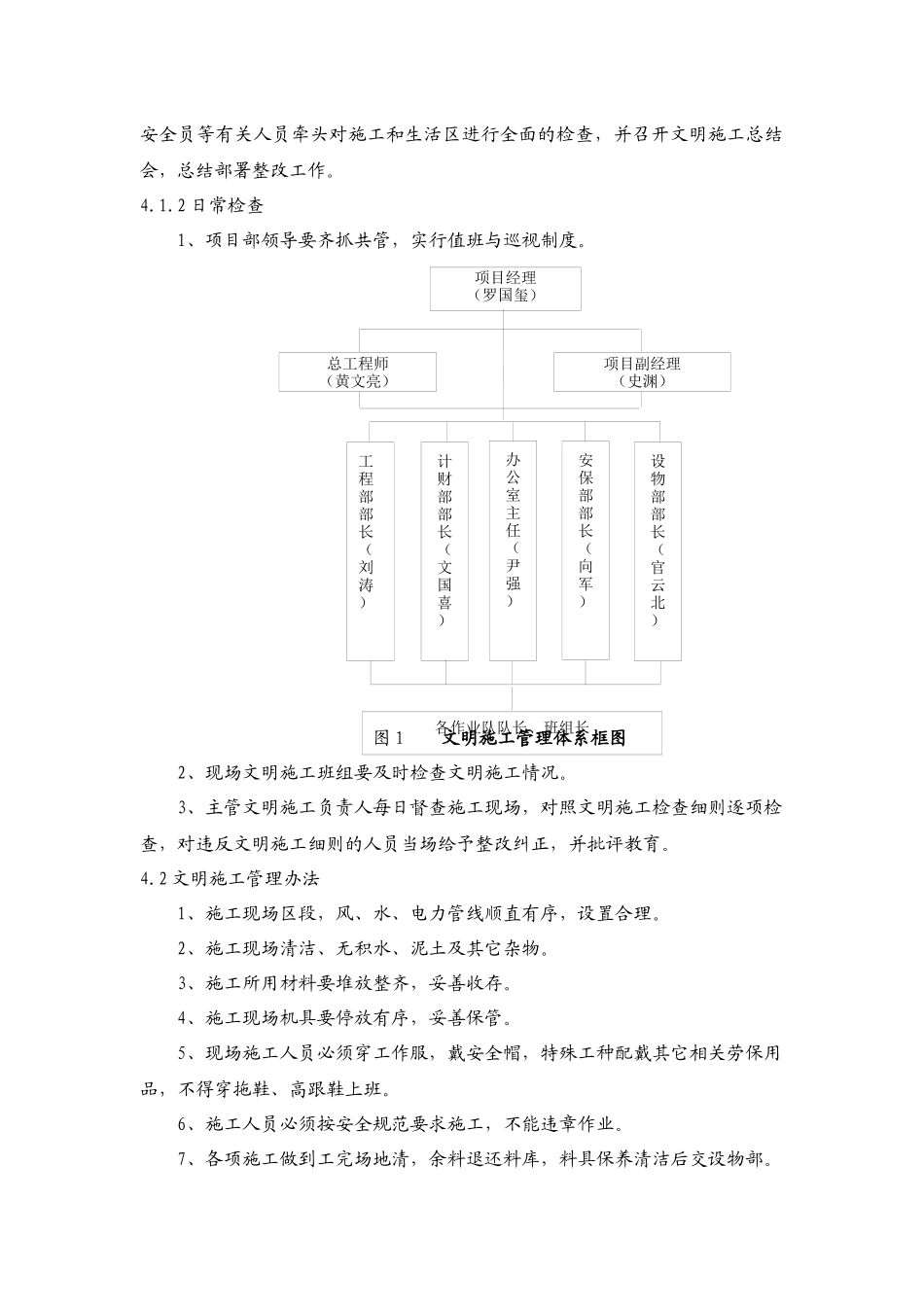
目录一、工程概况……………………………………………………………………2二、文明施工目标………………………………………………………………2三、文明施工管理体系…………………………………………………………2四、建立、健全文明施工检查制度及文明施工管理办法……………………24.1文明施工检查制度…………………………………………………………24.2文明施工管理办法…………………………………………………………2五、文明施工具体措施……………………………………………………………45.1开工准备阶段………………………………………………………………45.2施工阶段……………………………………………………………………55.3竣工验收及内业资料………………………………………………………75.4、驻地文明管理……………………………………………………………7六、文明施工保证措施……………………………………………………………8武汉市轨道交通二号线一期工程范湖站(试验)文明施工方案一、工程概况武汉市轨道交通二号线一期工程范湖车站位于青年路与常青路交叉口下,沿青年路布置。车站为标准地下两层车站,地下一层为站厅层,地下二层为站台层。有效站台中心里程为CK5+660.000,车站总长188.00m,标准段宽18.5m,站台为10米有柱岛式站台,主体建筑面积为7130.0,出入口通道、㎡风道(风亭)建筑面积为4570.0。车站总建筑面积为㎡11700。㎡车站共设置4个人行通道和4个出入口,分别设置于交叉路口的四个象限,以满足进出站客流的通过及疏散要求并可兼过街功能。风道设置在车站两端,风亭均设置于青年路的西侧,共设置2组。二、文明施工目标文明施工目标达到合格以上,严格按照国家有关法规及武汉市相关《文明施工管理手册》执行,各种文明施工及管理检查合格率达100%;系统管理,规范施工,力创文明标准工地。三、文明施工管理体系文明施工是涉及到人民群众的切身利益,同时也是取信于民、维护企业声誉的大事,一旦在文明施工中掉以轻心,造成的损失和影响是无法弥补的。我们将遵循“快速施工、集中施工、文明施工”的原则,组织管理和施工,并建立文明施工管理体系;建立文明施工领导小组,加强文明施工管理;建立以项目经理为首的文明施工组织机构,健全各项文明施工管理制度。结合本工程实际情况,使各级负责人明确分工,将文明施工落实到现场责任区。制定各项相关规章制度,确保文明施工现场管理有章地组织施工生产,保证现场施工紧张有秩序地进行。文明施工管理体系见图1。四、建立、健全文明施工检查制度及文明施工管理办法4.1文明施工检查制度4.1.1定期检查项目部实行月份文明施工检查制度,每月25日根据项目部制定的文明施工检查细则进行,由项目经理、项目总工、工程部长、设物部长、工区副主任、项目经理(罗国玺)总工程师(黄文亮)项目副经理(史渊)各作业队队长、班组长工程部部长(刘涛)计财部部长(文国喜)办公室主任(尹强)设物部部长(官云北)安保部部长(向军)安全员等有关人员牵头对施工和生活区进行全面的检查,并召开文明施工总结会,总结部署整改工作。4.1.2日常检查1、项目部领导要齐抓共管,实行值班与巡视制度。图1文明施工管理体系框图2、现场文明施工班组要及时检查文明施工情况。3、主管文明施工负责人每日督查施工现场,对照文明施工检查细则逐项检查,对违反文明施工细则的人员当场给予整改纠正,并批评教育。4.2文明施工管理办法1、施工现场区段,风、水、电力管线顺直有序,设置合理。2、施工现场清洁、无积水、泥土及其它杂物。3、施工所用材料要堆放整齐,妥善收存。4、施工现场机具要停放有序,妥善保管。5、现场施工人员必须穿工作服,戴安全帽,特殊工种配戴其它相关劳保用品,不得穿拖鞋、高跟鞋上班。6、施工人员必须按安全规范要求施工,不能违章作业。7、各项施工做到工完场地清,余料退还料库,料具保养清洁后交设物部。8、工地不安全地段和孔口,必须设防护栏和警示标志。9、基坑周围设围栏,碴土按指定地点堆放,周围硬化路面不能污染。10、运土车辆出工地前,必须经洗车槽冲洗,不能沿途掉土污染路面。11、便道周...

1、当您付费下载文档后,您只拥有了使用权限,并不意味着购买了版权,文档只能用于自身使用,不得用于其他商业用途(如 [转卖]进行直接盈利或[编辑后售卖]进行间接盈利)。
2、本站所有内容均由合作方或网友上传,本站不对文档的完整性、权威性及其观点立场正确性做任何保证或承诺!文档内容仅供研究参考,付费前请自行鉴别。
3、如文档内容存在违规,或者侵犯商业秘密、侵犯著作权等,请点击“违规举报”。

碎片内容

地铁车站文明施工方案

确认删除?
VIP
微信客服
  • 扫码咨询
会员Q群
  • 会员专属群点击这里加入QQ群
客服邮箱
回到顶部