电脑桌面
添加小米粒文库到电脑桌面
安装后可以在桌面快捷访问

生产安全事故应急救援预案备案办理程序VIP免费

生产安全事故应急救援预案备案办理程序_第1页
1/44
生产安全事故应急救援预案备案办理程序_第2页
2/44
生产安全事故应急救援预案备案办理程序_第3页
3/44
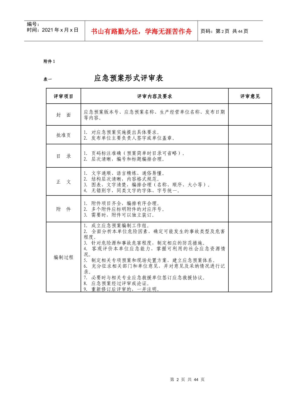
生产安全事故应急救援预案备案办理程序一、依据《中华人民共和国安全生产法》、《生产安全事故应急预案管理办法》(国家安监总局第17号令)、《生产经营单位安全生产事故应急预案评审指南(试行)》(安监总厅应急〔2009〕73号)等。二、程序申请单位向区安监局窗口提交申请材料,经窗口工作人员材料审查,符合安全条件的,15个工作日内上报市安监局窗口。三、提交材料1、应急救援预案备案申请表;2、应急救援预案及word电子文档;3、应急预案评审表;4、评审专家和安监部门监督人员签名的应急预案评审或论证意见、评审会议纪要或论证演练记录;5、事故应急救援预案备案登记表2份。(需打印)注:1、按照《生产经营单位安全生产事故应急救援预案编制导则》(GB/T29639—2013)编制;2、企业在应急预案编制完成后,自行组织专家在所在地对应的安全生产监督管理局应急管理人员的监督下进行应急预案的评审或论证,并应当在评审前提前把编订的应急预案送达参加评审的单位或人员,专家从安监局专家库中抽取;3、评审表在当地安监局网站下载附件1至附件5,参与评审的专家和安监部门监督人员须签字确认,评审表应当附到应急预案中;4、评审人员与所评审预案的生产经营单位有利害关系的,应当回避;5、应急预案按评审专家的意见修改完毕并签字确认后报当地安监局审批窗口申请备案;6、提交材料中有关表格,请登录区安监局网站“办事指南”栏目下载;7、纳入当地安监局监管系统的企业向安监部门提出备案申请时,须在企业页面的“预案修备”栏中按要求填报评审报表(表一至表五)、应急预案(应急预案为word文档)和申请表内容。企业在网上申报的同时携带相关资料,按照备案范围进行备案登记;未纳入监管系统的企业携带相关资料直接到下一级安监局进行备案登记;.8、用蓝色、厚度2CM的档案盒盛装,提交1套材料。附件:1、应急预案评审表(表一至表五)(须打印);2、《生产经营单位生产安全事故应急预案备案申请表》;3、《生产经营单位生产安全事故应急预案备案登记表》第2页共44页编号:时间:2021年x月x日书山有路勤为径,学海无涯苦作舟页码:第2页共44页附件1表一应急预案形式评审表评审项目评审内容及要求评审意见封面应急预案版本号、应急预案名称、生产经营单位名称、发布日期等内容。批准页1.对应急预案实施提出具体要求。2.发布单位主要负责人签字或单位盖章。目录1.页码标注准确(预案简单时目录可省略)。2.层次清晰,编号和标题编排合理。正文1.文字通顺、语言精炼、通俗易懂。2.结构层次清晰,内容格式规范。3.图表、文字清楚,编排合理(名称、顺序、大小等)。4.无错别字,同类文字的字体、字号统一。附件1.附件项目齐全,编排有序合理。2.多个附件应标明附件的对应序号。3.需要时,附件可以独立装订。编制过程1.成立应急预案编制工作组。2.全面分析本单位危险因素,确定可能发生的事故类型及危害程度。3.针对危险源和事故危害程度,制定相应的防范措施。4.客观评价本单位应急能力,掌握可利用的社会应急资源情况。5.制定相关专项预案和现场处置方案,建立应急预案体系。6.充分征求相关部门和单位意见,并对意见及采纳情况进行记录。7.必要时与相关专业应急救援单位签订应急救援协议。8.应急预案经过评审或论证。9.重新修订后评审的,一并注明。第3页共44页第2页共44页编号:时间:2021年x月x日书山有路勤为径,学海无涯苦作舟页码:第3页共44页表二综合应急预案要素评审表评审项目评审内容及要求评审意见总则编制目的目的明确,简明扼要。编制依据1.引用的法规标准合法有效。2.明确相衔接的上级预案,不得越级引用应急预案。应急预案体系*1.能够清晰表述本单位及所属单位应急预案组成和衔接关系(推荐使用图表)。2.能够覆盖本单位及所属单位可能发生的事故类型。应急工作原则1.符合国家有关规定和要求。2.结合本单位应急工作实际。适用范围*范围明确,适用的事故类型和响应级别合理。危险性分析生产经营单位概况1.明确有关设施、装置、设备以及重要目标场所的布局等情况。2.需要各方应急力量(包括外部应急力量)事先熟悉的有关基本情况和内容。危险源辨识与风险分析*1....

1、当您付费下载文档后,您只拥有了使用权限,并不意味着购买了版权,文档只能用于自身使用,不得用于其他商业用途(如 [转卖]进行直接盈利或[编辑后售卖]进行间接盈利)。
2、本站所有内容均由合作方或网友上传,本站不对文档的完整性、权威性及其观点立场正确性做任何保证或承诺!文档内容仅供研究参考,付费前请自行鉴别。
3、如文档内容存在违规,或者侵犯商业秘密、侵犯著作权等,请点击“违规举报”。

碎片内容

生产安全事故应急救援预案备案办理程序

确认删除?
VIP
微信客服
  • 扫码咨询
会员Q群
  • 会员专属群点击这里加入QQ群
客服邮箱
回到顶部