电脑桌面
添加小米粒文库到电脑桌面
安装后可以在桌面快捷访问

某省城市管理行政执法相关文书参考格式VIP专享VIP免费

某省城市管理行政执法相关文书参考格式_第1页
1/45
某省城市管理行政执法相关文书参考格式_第2页
2/45
某省城市管理行政执法相关文书参考格式_第3页
3/45
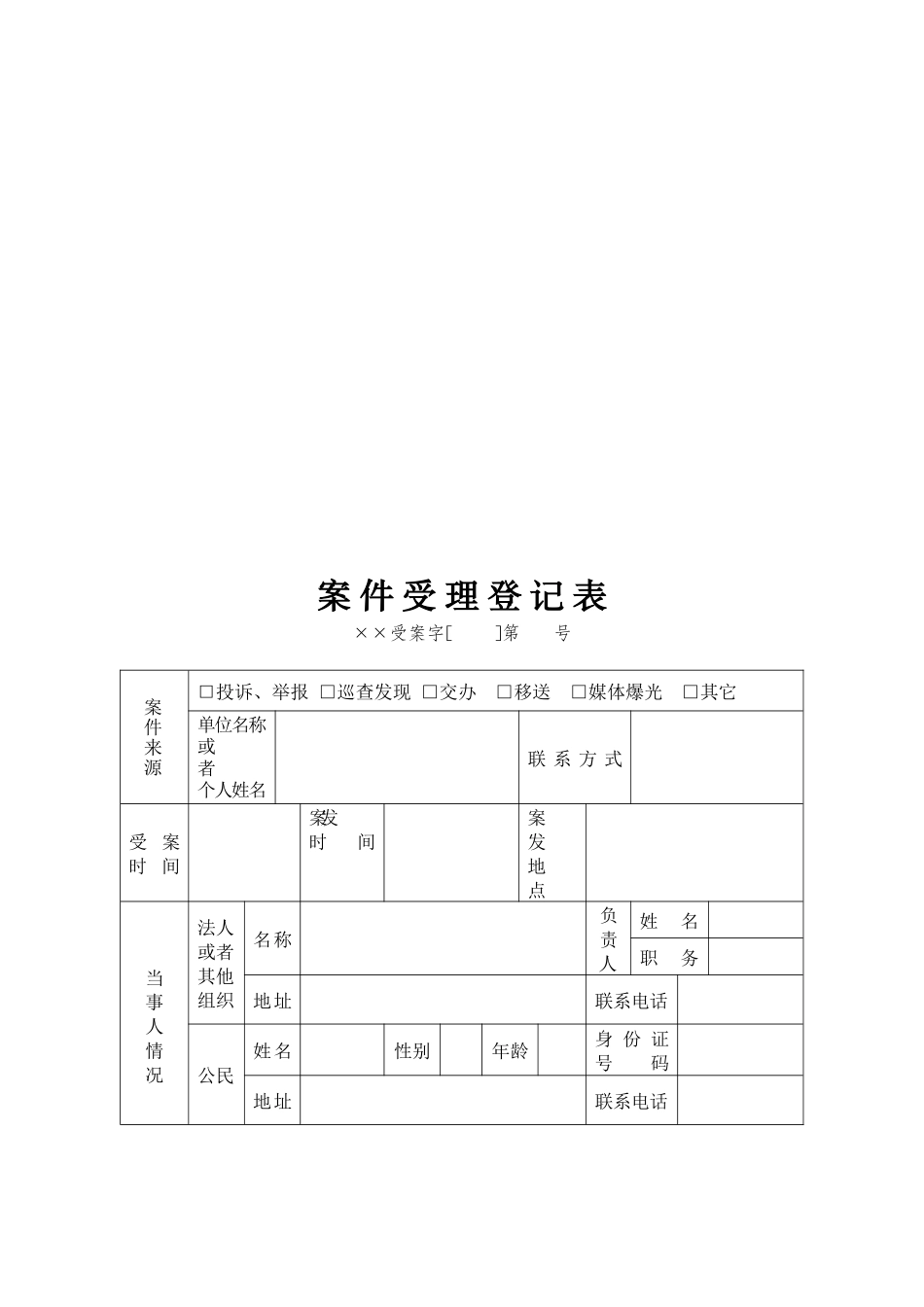
附:甘肃省城市管理行政执法相关文书参考格式目录1.案件受理登记表2.停工(核查)通知书3.责令改正通知书4.证据先行登记保存通知书5.案件移送单6.案件立案审批表7.调查询问笔录8.现场检查笔录9.证人证言笔录10.案件处理审批表11.行政处罚事先告知书12.陈述申辩笔录13.行政处罚听证告知书14.行政处罚不予听证通知书15.行政处罚听证通知书16.行政处罚听证公告17.行政处罚听证笔录18.行政处罚听证意见书19.陈述申辩、听证情况处理审批表20.重大行政处罚案案件讨论记录21.案件调查终结报告22.当场处罚决定书23.行政处罚决定书24.送达回证25.延期(分期)缴纳罚款申请书26.延期(分期)缴纳罚款审批表27.延期(分期)缴纳罚款通知书28.复工通知书29.责令支付行政代履行费用通知书30.查封、暂扣物品(工具)决定书31.查封、暂扣物品(工具)发还通知书32.查封、暂扣物品(工具)发还清单33.催缴通知书34.限期拆除决定书35.关于对违法建设实施强制拆除的请示36.强制拆除通知书37.案件结案审批表38.行政处罚案件卷宗39.卷内材料目录40.立卷、验卷情况记载案件受理登记表××受案字[]第号案件来源□投诉、举报□巡查发现□交办□移送□媒体爆光□其它单位名称或者个人姓名联系方式受案时间案发时间案发地点当事人情况法人或者其他组织名称负责人姓名职务地址联系电话公民姓名性别年龄身份证号码地址联系电话受案记录签字:年月日受理人建议签字:年月日执法机构负责人意见签字:年月日备注ΧΧ城市管理行政执法局停工(核查)通知书××停字[]第号:经查,你(单位)于____年月日,在,进行的行为,已涉嫌违反___________。因你(单位)未能提供上述行为之合法依据,现责令你(单位)自接到本通知之日起,立即停止上述行为,并于______年______月_____日时,携带下列材料到___________________(地址:,联系电话:)接受调查处理:1.上述行为的书面情况说明;2.;3.______________________;4.______________________。逾期不接受调查或继续上述行为的,本机关将依法查处。特此通知。(××城市管理行政执法局印章)年月日当事人签字:日期:_______年______月_____日执法人员签字:_______________日期:_______年______月_____日(一式两联,第一联存卷,第二联交当事人。)ΧΧ城市管理行政执法局责令改正通知书××改字[]第号:经查,你(单位)于____年___月___日,在__________________,进行____________________的行为,已违反《》第条第款第项的规定,现责令你(单位)立即自收到本通知书之日起按下列要求改正:1.立即停止上述行为。2.3.4.逾期未改正的,本机关将依法予以行政处罚。特此通知。(××城市管理行政执法局印章)年月日当事人签字:日期:_______年______月_____日执法人员签字:_______________日期:_______年______月_____日(一式两联,第一联存卷,第二联交当事人。)ΧΧ城市管理行政执法局证据先行登记保存通知书××登存字[]第号:经查,你(单位)于年月日在进行的行为,本机关拟对你(单位)上述行为作进一步查处。根据《中华人民共和国行政处罚法》第三十七条第二款的规定,决定对你(单位)的下列物品作为证据予以先行登记保存。登记保存期间,由保管人负责妥善保管,任何单位和个人不得销毁或转移,否则将依法追究有关行为人的法律责任。请你(单位)于年月日前携相关资料到(地址:,电话:)接受调查处理。编号名称规格型号单位数量备注123456保存地点保管人年月日见证人年月日当事人年月日执法人员年月日(××城市管理行政执法局印章)年月日批准人(签名):(共三联,第一联存卷,第二联交当事人,第三联交保管人。)ΧΧ城市管理行政执法局案件移送单XX移字[]第号送往单位案由当事人法人或者其他组织名称负责人姓名职务地址电话公民姓名性别年龄身份证号码地址电话移送原因移送材料材料名称页数份数移送单位接受单位(××城市管理行政执法局)经办人:签发人:年月日年月日经办人:年月日备注(一式两联)案件立案审批表××立案字[]第号当事人法人或者其他组织名称负责人姓名职务地址电话公民姓名性别年龄身份证号码地址电...

1、当您付费下载文档后,您只拥有了使用权限,并不意味着购买了版权,文档只能用于自身使用,不得用于其他商业用途(如 [转卖]进行直接盈利或[编辑后售卖]进行间接盈利)。
2、本站所有内容均由合作方或网友上传,本站不对文档的完整性、权威性及其观点立场正确性做任何保证或承诺!文档内容仅供研究参考,付费前请自行鉴别。
3、如文档内容存在违规,或者侵犯商业秘密、侵犯著作权等,请点击“违规举报”。

碎片内容

某省城市管理行政执法相关文书参考格式

确认删除?
VIP
微信客服
  • 扫码咨询
会员Q群
  • 会员专属群点击这里加入QQ群
客服邮箱
回到顶部