电脑桌面
添加小米粒文库到电脑桌面
安装后可以在桌面快捷访问

舟山焊工操作培训教材VIP免费

舟山焊工操作培训教材_第1页
1/51
舟山焊工操作培训教材_第2页
2/51
舟山焊工操作培训教材_第3页
3/51
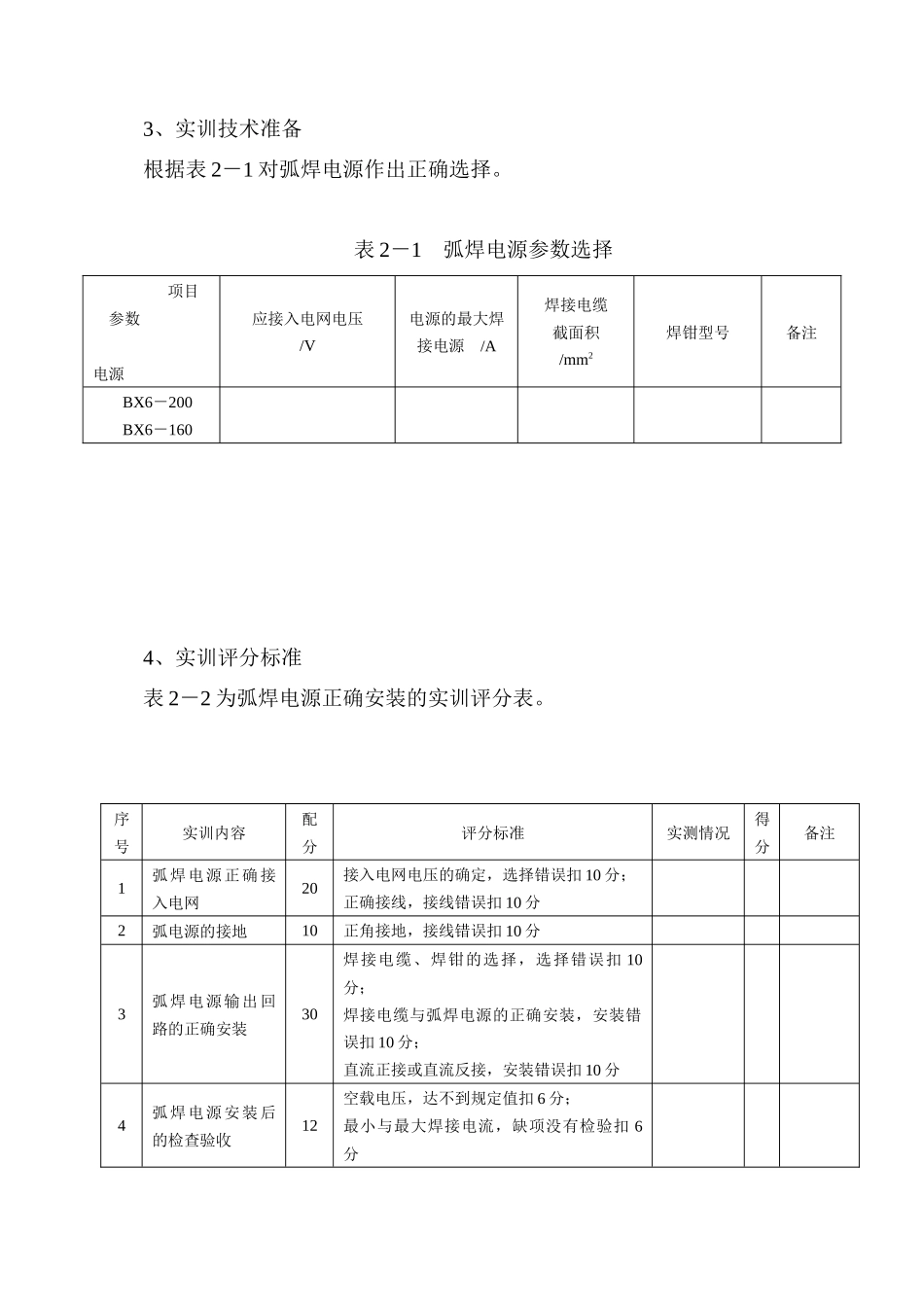
舟山职业教育集团舟山职业技术学校机械加工实操训练校本教材弧焊实训目录训练课目一基本技能实训1、弧焊设备的正确安装……………………………………22、弧焊设备焊接电流的调节………………………………43、平敷焊技能训练…………………………………………5训练课目二手工电弧焊实训4、6mm钢板I型坡口平对接双面焊………………………115、10mm钢板Ⅴ型坡口平对接双面焊……………………136、16mm钢板X型坡口平对接双面焊……………………167、3mm钢板平对接焊……………………………………188、Ⅴ型坡口单面焊双面成形焊接…………………………219、平角焊……………………………………………………2410、6mm钢板不开坡口立对接单面焊……………………2711、Ⅴ型坡口立对接双面焊…………………………………3112、立角焊……………………………………………………34训练课目三气割与管子焊接实训13、钢板沿直线割口的气割…………………………………3714、管的气割…………………………………………………40训练课目四CO2气体保护焊15、管子的焊接………………………………………………4216、CO2气体保护焊…………………………………………48实训课题一弧焊设备的正确安装1、实训任务安装弧焊设备:BX6-200BX6-160(任选一种)。2、实训要求(1)实训内容①弧焊电源与接入电网的正确安装。②弧焊电源接地线的安装。③弧焊电源输出回路的正确安装(弧焊整流器的“直流正接、直流反接”)。④弧焊电源安装后的检查验收。(2)工时定额工时定额为60min。(3)安全文明生产①能正确执行安全技术操作规程。②能按企业有关文明生产的规定,做到工作地整洁,工件、工具摆放整齐。3、实训技术准备根据表2-1对弧焊电源作出正确选择。表2-1弧焊电源参数选择项目参数电源应接入电网电压/V电源的最大焊接电源/A焊接电缆截面积/mm2焊钳型号备注BX6-200BX6-1604、实训评分标准表2-2为弧焊电源正确安装的实训评分表。序号实训内容配分评分标准实测情况得分备注1弧焊电源正确接入电网20接入电网电压的确定,选择错误扣10分;正确接线,接线错误扣10分2弧电源的接地10正角接地,接线错误扣10分3弧焊电源输出回路的正确安装30焊接电缆、焊钳的选择,选择错误扣10分;焊接电缆与弧焊电源的正确安装,安装错误扣10分;直流正接或直流反接,安装错误扣10分4弧焊电源安装后的检查验收12空载电压,达不到规定值扣6分;最小与最大焊接电流,缺项没有检验扣6分5焊接电缆与电缆铜接头的安装7牢固、可靠,接线安装不牢固、不可靠扣7分6焊接电缆与焊钳的安装7牢固、可靠,接线不牢固、不可靠扣7分7焊接电缆与地线接头安装7牢固、可靠,安装不牢固、不可靠扣7分8安全操作规程4按达到规定的标准程度评定,违反有关规定扣1-4分9文明生产规定3工作场地整洁,工具放置整齐合理不扣分;稍差扣1分,很差扣3分10工时定额按时完成;超工时定额5%-20%扣2-10分总分100实训成绩实训课题二弧焊设备焊接电流的调节1、实训任务按表2-3指定要求,任选一种弧焊电源调节焊接电流。表2-3弧焊电源调节焊接电流2、实训要求(1)实训内容①弧焊变压器焊接电流的粗调节、细调节。②弧焊整流器焊接电流的调节。(2)工时定额工时定额为15min调节参数电源焊接电流/A焊接电流/ABX6-200BX6-160(3)安全文明生产①能正确执行安全技术操作规程。②能按照企业文明生产的规定,做到工作场地整洁,工件、工具摆放整齐。实训课题三平敷焊技能训练(一)实训图样(二)实训要求1、实训目的掌握引弧、接头、收尾的正确操作方法;能熟练地正确选用各种运条方法及操作方法;掌握操作姿势及握钳方法。2、实训内容①填空下列焊接工艺参数卡(见表2-4)表2-4焊接工艺参数焊机型号焊条牌号焊条直径焊接电流运条方法电弧长度②焊缝长300mm、宽10mm、余高0.5-2mm、平直光滑无任何焊缝缺陷。3、工时定额工时定额为20min。4、安全文明生产①能正确执行安全技术操作规程;②能按文明生产的规定,做到工作地整洁、工件、工具摆放整齐。(三)操作准备实习工件:Q235,(300×200×8)mm3。焊条牌号:手弧焊焊条,φ3.2mm。弧焊设备:BX-16...

1、当您付费下载文档后,您只拥有了使用权限,并不意味着购买了版权,文档只能用于自身使用,不得用于其他商业用途(如 [转卖]进行直接盈利或[编辑后售卖]进行间接盈利)。
2、本站所有内容均由合作方或网友上传,本站不对文档的完整性、权威性及其观点立场正确性做任何保证或承诺!文档内容仅供研究参考,付费前请自行鉴别。
3、如文档内容存在违规,或者侵犯商业秘密、侵犯著作权等,请点击“违规举报”。

碎片内容

舟山焊工操作培训教材

确认删除?
VIP
微信客服
  • 扫码咨询
会员Q群
  • 会员专属群点击这里加入QQ群
客服邮箱
回到顶部