电脑桌面
添加小米粒文库到电脑桌面
安装后可以在桌面快捷访问

靖江市XX金属材料有限公司物资管理办法(doc 6)VIP免费

靖江市XX金属材料有限公司物资管理办法(doc 6)_第1页
1/7
靖江市XX金属材料有限公司物资管理办法(doc 6)_第2页
2/7
靖江市XX金属材料有限公司物资管理办法(doc 6)_第3页
3/7
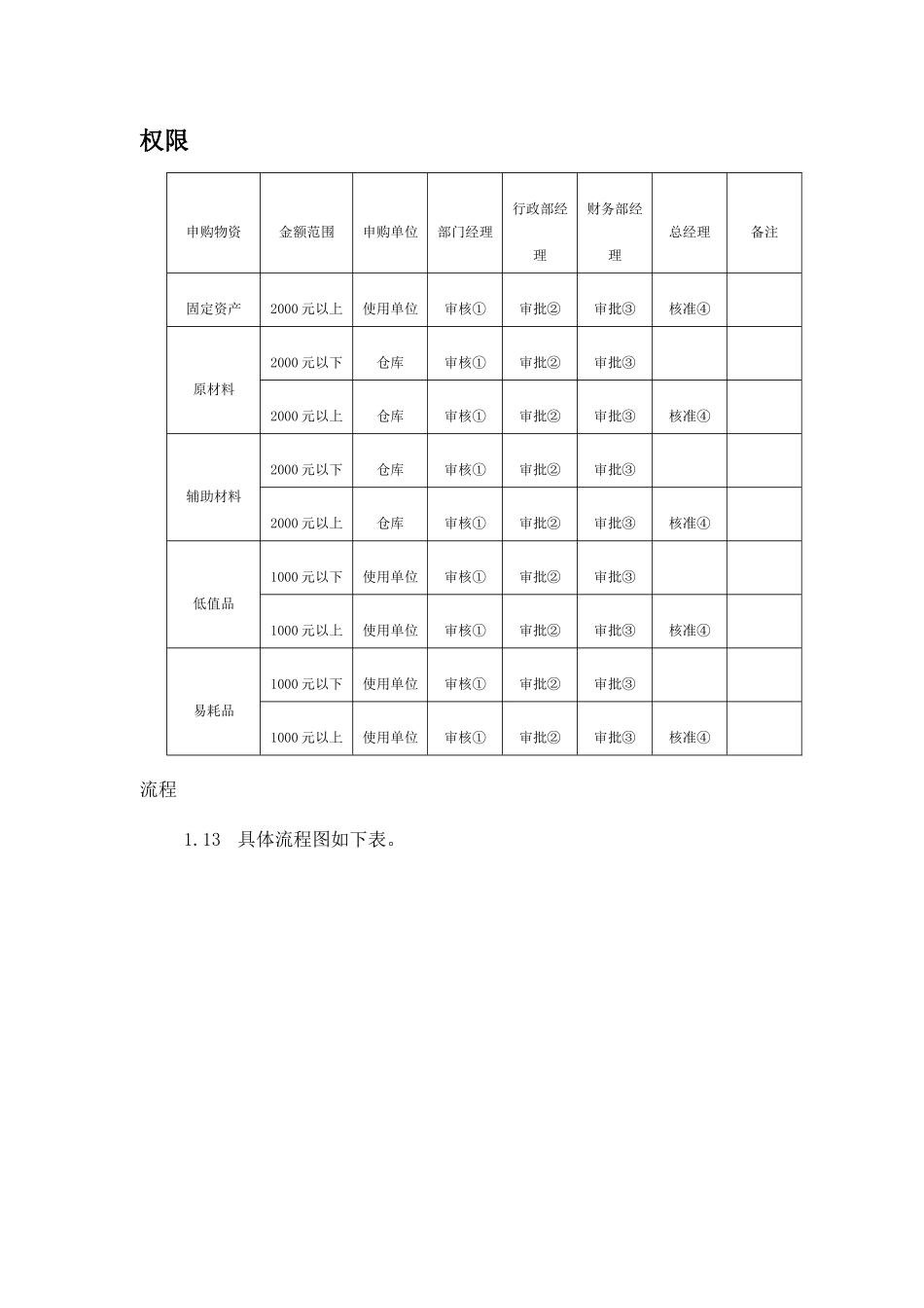
靖江市XX金属材料有限公司物资管理办法1目的1.1为了规范公司物品的申购、采购、领用、保管行为,有效进行控制,特拟订本办法。定义1.2固定资产:指使用期限超过一年、单位价值在2000元及以上的厂房、建筑物、机器、机械、行车、运输工具、电脑及其外设、传真机、复印机、空调、安防器材以及其他与生产经营有关的设备器具、工具等。1.3生产原材料:指用于生产直接参与冶炼反应的废铜、松树原木、木炭、煤炭、稀土等材料。1.4生产辅助材料:指用于生产过程中,起加热、降温、动力、传输、测试、包装等作用的辅助性材料如乙炔、氧气、氩气、柴油、乳液、吹氧管、触媒、包装塑膜等。1.5低值品:凡不属于固定资产、生产用原材料及辅助材料,耐用期在一年以上,单价原值不足固定资产规定限额的低值仪器、仪表、工具、量具、刻度器具、安防器材等。1.6易耗品:凡不属于固定资产、生产用原材料及辅助材料,耐用期在一年以下,使用过程中易损、易坏的玻璃器皿、原器件、零配件、办公用品、生活用品、劳保用品、印刷品等。职责1.7行政部门:物品申购审批;对印刷品、医药品、办公文具进行收发保管与管控;对易耗品发放标准、低值品损坏或丢失之赔偿办法的制定;对低值品报废的鉴定和审批;根据财务部的安排参与物资盘点工作。1.8采购部门:根据已批准之申购单按有关规定进行采购,确保使用单位的需求满足以及采购价格的合理性。1.9仓储部门:根据安全存量对生产性物资包括原材料和辅助材料进行申购;对除印刷品、医药品、办公文具以外的所有采购回来的物资,进行分类管理;建立收发存台帐及制作月报表;根据财务部的安排具体执行库存物资的月、季、年度的清查盘点工作。1.10质检部门:对所有采购回来的物资根据申购需求及有关标准进行质量检测。1.11财务部门:物品申购审批;物资成本核算;货款审核并支付;对物资申购、采购、收发、保管、报废的全过程进行全面监督;组织对库存物资的月、季、年度的清查盘点工作。1.12使用单位:根据部门需要按规定进行物资申购与领用;对消耗性物资进行数量控制确保不浪费;对工具、器具、仪表、机械进行保管与保养;根据财务部的安排参与物资盘点工作。权限申购物资金额范围申购单位部门经理行政部经理财务部经理总经理备注固定资产2000元以上使用单位审核①审批②审批③核准④原材料2000元以下仓库审核①审批②审批③2000元以上仓库审核①审批②审批③核准④辅助材料2000元以下仓库审核①审批②审批③2000元以上仓库审核①审批②审批③核准④低值品1000元以下使用单位审核①审批②审批③1000元以上使用单位审核①审批②审批③核准④易耗品1000元以下使用单位审核①审批②审批③1000元以上使用单位审核①审批②审批③核准④流程1.13具体流程图如下表。使用单位/材料仓库填写《申购单》申购部门主管行政部门主管采购部门主管品质部门主管仓储部门主管必需性审核制度性审核财务部门主管资金额度审核总经理批准申购计划安排采购作业安排质检作业入库/出库手续申购1.14申购单位应对日常生产、工作所需物质做好申购计划,并根据采购部门提供的采购周期统筹安排,要避免一天到晚在申购的现象,避免临时抱佛脚的现象。1.15所有物资的采购,均应事先填写《申购单》,详细注明“品名、规格、单位、数量、预估金额、用途、交货日期”等项目,并按审批程序向上呈报。对申购物品有特别要求的,应附相关资料。1.16因生产条件变化而造成的特急件申购,为了利用时间,缩短采购周期,可以由申购部门主管向采购部门先口头提出,随后的一天之内再补办好申购手续。1.17部门主管对《申购单》的审核,侧重于必要性审查:是否一定要购买?是否一定要购买这么多?是否可以用现有物品替代?1.18行政主管对《申购单》的审核,侧重于低值品、易耗品申购之制度性审查:是否符合有关规定由对口部门在申购?是否有重复申购?其申购数量是否超过规定限度?1.19财务主管对《申购单》的审核,侧重于原材料、辅助材料申购之资金额度审查。1.20根据审批权限,大宗物资(量大或金额高)的申购,应呈总经理最后核准。1.21《申购单》一式三联,第一联存根由申购单位自存,第二联交采购部门做为采...

1、当您付费下载文档后,您只拥有了使用权限,并不意味着购买了版权,文档只能用于自身使用,不得用于其他商业用途(如 [转卖]进行直接盈利或[编辑后售卖]进行间接盈利)。
2、本站所有内容均由合作方或网友上传,本站不对文档的完整性、权威性及其观点立场正确性做任何保证或承诺!文档内容仅供研究参考,付费前请自行鉴别。
3、如文档内容存在违规,或者侵犯商业秘密、侵犯著作权等,请点击“违规举报”。

碎片内容

靖江市XX金属材料有限公司物资管理办法(doc 6)

您可能关注的文档

确认删除?
VIP
微信客服
  • 扫码咨询
会员Q群
  • 会员专属群点击这里加入QQ群
客服邮箱
回到顶部