电脑桌面
添加小米粒文库到电脑桌面
安装后可以在桌面快捷访问

项目管理手册表格1VIP免费

项目管理手册表格1_第1页
1/61
项目管理手册表格1_第2页
2/61
项目管理手册表格1_第3页
3/61
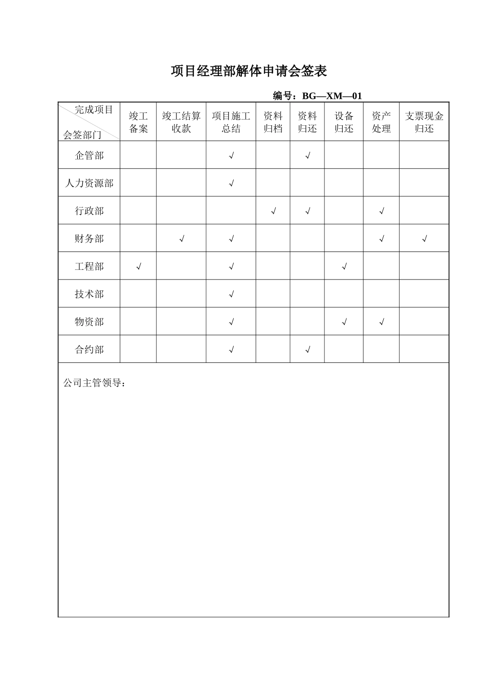
项目经理部解体申请会签表编号:BG—XM—01完成项目会签部门竣工备案竣工结算收款项目施工总结资料归档资料归还设备归还资产处理支票现金归还企管部√√人力资源部√行政部√√√财务部√√√√工程部√√√技术部√物资部√√√合约部√√公司主管领导:注:有√处需签字工程分包方案表编号:BG—XM—02工程名称开工日期发包单位序号分包工程名称分包方式招标时间合约部项目经理部编制日期注:分包方式包括:劳务分包和专业分包。物资供应方案表编号:BG—XM—03工程名称开工日期物资供应单位物资类别规格型号数量供应方式进场时间公司物资部材料设备临设项目经理部材料设备临设编制日期注:供应方式包括:调配、采购及租赁。项目管理责任目标测定表编号:BG—XM—04工程名称建设单位工程地点工程合同金额结构类型建筑面积合同开工日期合同竣工日期管理目标名称管理目标测定部门合同目标要求:质量目标:工期目标:安全生产与文明施工目标:管理目标测定结果:阶段目标:最终目标:质量目标:工期目标:安全生产与文明施工目标:成本目标:资金回收目标:编制日期特殊工种人员登记台帐编号:BG—XM—05序号特殊工种名称姓名单位证件号码发证时间有效期备注退场通知单编号:BG—XM—06分承包方名称分包工程:鉴于贵单位:□已完成约定的工程内容□因现场原因暂时停工□双方因故协议退场请于年月日前,现场所有施工人员及机具全部退场。总包签单人员日期退场完成日期分承包方负责人物资需用计划表工程名称:年度月份编号:BG—XM—07序号材料名称使用部位规格质量要求单位数量供货日期备注第一批第二批第三批编制单位:单位负责人:审核:日期:物资采购计划表年度月份编号:BG—XM—08序号材料名称规格型号质量要求计量单位数量供应日期使用项目供货方名称备注编制单位:部门负责人:审核:主管领导审批:物资采购资金计划表年度月份编号:BG—XM—09物资供货方资格预审表编号:BG—XM—10供货方名称企业性质企业地址电话企业资质营业执照登记号经营范围本次供应产品名称提供服务或承诺供货方业绩简述(包括使用贵公司产品的工程情况)考察评价内容供货方满足合同要求能力采购物资的样品说明书及检测结果供货方资信能力及业绩企业安全资格及人员资格满足公司质量、环境、职业健康安全管理的条件供货方签字:企业行政章日期:物资部/项目经理部意见:签字盖章:日期:公司主管领导意见:签字:日期:注:1.此表应附有企业资质证书、营业执照和体系认证证书复印件、所供产品的材质证明、合格证、备案证件复印件及试验报告等质量证明资料。2.表内横线双线以上内容由供货商填写。合格供货方名录编号:BG—XM—11序号企业名称生产(或)经销产品何项目采用何种产品何时列入合格供货商企业性质企业住址联系人电话供货方报价选择分析表编号:BG—XM—12分析项目供货方产品质量及时供货能力质量价格比服务质量承诺产品的环境影响及危害因素其他特定要求审批意见物资部公司主管领导供货方供货过程考察记录编号:BG—XM—13序号日月供货方合同材料名称数量生产进度及预计交货时间过程质量管理有否环境影响及危害因素服务承诺兑现考察人不合格物资处置记录表编号:BG—XM—14工程名称记录时间记录编号建设单位不合格通知单号物资名称型号规格单位批量进货时间存放地点使用部位是否甲供不合格事实简述:项目材料员:日期:年月日处理措施:项目总工程师:日期:年月日审批意见项目经理签字:日期:年月日业主代表签字:日期:年月日监理签字:日期:年月日措施验证:项目经理部:日期:年月日单位工程用料控制台帐项目名称:编号:BG—XM—15序号材料名称规格单位计划用量供应日期及数量节余+超用-备注日期数量日期数量日期数量日期数量日期数量日期数量物资部或项目材料员:日期:年月日材料耗用汇总表年度月份编号:BG—XM—16序号品名规格型号单位数量单价金额备注物资采购成本核算台帐部门(或项目):编号:BG—XM—17序号材料名称规格单位采购数量预算价格实际采购价格降低+超预算-备注单价总价单价总价物资供货方评估表编号:BG—XM—18项目名称供货合同编号供应方名称供应物资评估日期...

1、当您付费下载文档后,您只拥有了使用权限,并不意味着购买了版权,文档只能用于自身使用,不得用于其他商业用途(如 [转卖]进行直接盈利或[编辑后售卖]进行间接盈利)。
2、本站所有内容均由合作方或网友上传,本站不对文档的完整性、权威性及其观点立场正确性做任何保证或承诺!文档内容仅供研究参考,付费前请自行鉴别。
3、如文档内容存在违规,或者侵犯商业秘密、侵犯著作权等,请点击“违规举报”。

碎片内容

项目管理手册表格1

您可能关注的文档

确认删除?
VIP
微信客服
  • 扫码咨询
会员Q群
  • 会员专属群点击这里加入QQ群
客服邮箱
回到顶部