电脑桌面
添加小米粒文库到电脑桌面
安装后可以在桌面快捷访问

静力压入沉桩法打桩施工组织设计VIP免费

静力压入沉桩法打桩施工组织设计_第1页
1/25
静力压入沉桩法打桩施工组织设计_第2页
2/25
静力压入沉桩法打桩施工组织设计_第3页
3/25
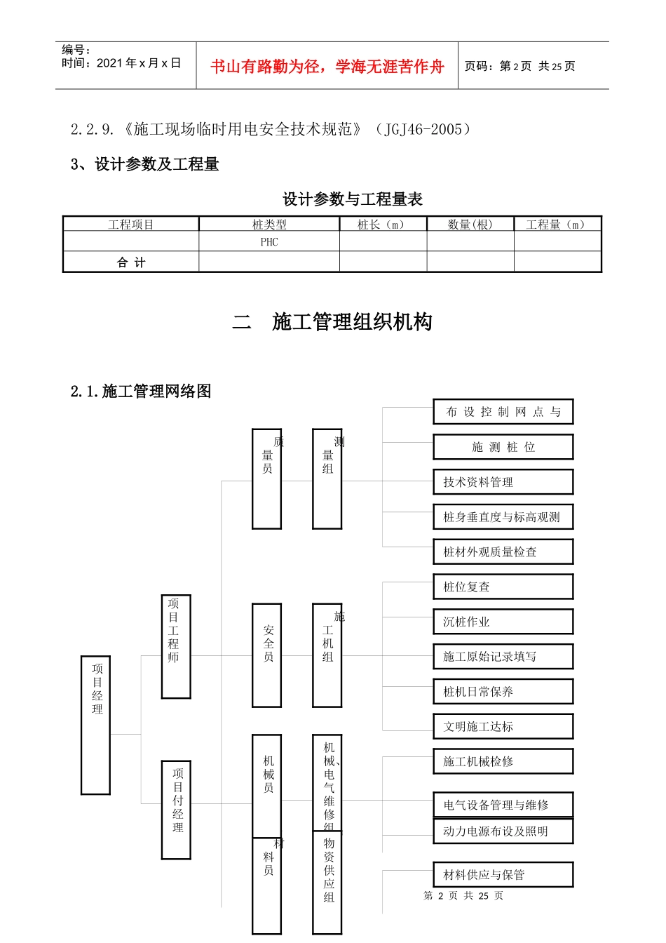
第1页共25页编号:时间:2021年x月x日书山有路勤为径,学海无涯苦作舟页码:第1页共25页一概述1、工程概况1.1.工程名称:1.2.工程地址:1.3.建设单位:1.4.设计单位:1.5.施工单位:1.6.工程内容:拟建桩基工程,桩基础采用PHC,桩长m,约17根。该工程由公司投资兴建。2、编制依据与采用的规范及标准2.1.编制依据:2.1.1.业主提供的招标文件、设计图纸及地勘报告。2.1.2.我公司在上海地区大中型桩基工程的施工经验。2.2.本工程采用的规范及标准:2.2.1.《建筑工程质量验收统一标准》(GB50300-2001)2.2.2.《建筑地基基础工程施工质量验收规范》(GB50202-2002)2.2.3.《建筑桩基技术规范》(JGJ94-94)2.2.4.《工程测量规范》(GB50026-93)2.2.5.《建筑机械使用安全技术规范》(JGJ33-2001)2.2.6.《建筑工程施工现场供用电安全规范》(GB50194-93)2.2.7.《先张法预应力混凝土管桩》图集(03SC409)2.2.8.《建筑基桩检测技术规程》(JGJ106-2003,J256-2003)第2页共25页第1页共25页编号:时间:2021年x月x日书山有路勤为径,学海无涯苦作舟页码:第2页共25页2.2.9.《施工现场临时用电安全技术规范》(JGJ46-2005)3、设计参数及工程量设计参数与工程量表二施工管理组织机构2.1.施工管理网络图项目经理项目工程师安全员材料员质量员布设控制网点与监护施测桩位技术资料管理桩身垂直度与标高观测桩材外观质量检查桩位复查沉桩作业施工原始记录填写桩机日常保养文明施工达标施工机械检修电气设备管理与维修动力电源布设及照明材料供应与保管测量组机械、电气维修组项目付经理机械员物资供应组施工机组工程项目桩类型桩长(m)数量(根)工程量(m)PHC合计第3页共25页第2页共25页编号:时间:2021年x月x日书山有路勤为径,学海无涯苦作舟页码:第3页共25页2.2.管理人员主要职责序号姓名岗位主要职责1项目经理全面领导工程施工并对履行合同负全责,是工程质量、安全、工期、效益的第一责任人。其职责为:负责项目经理部的全面工作,沟通部门之间以及与业主、总包的关系。2项目付经理协助项目经理工作,主要负责施工生产、施工安全及人员、机械、材料等组织管理工作。3项目工程师全面负责技术、质量管理工作,编制本工程的施工组织设计,审查图纸,协调项目经理部与业主、监理的工作关系。4安全员负责施工现场的安全动态管理,如安全教育,安全隐患检查与防范,劳保用品的使用等,以及消防保卫,环境保护,文明施工。5质检员负责工程质量预控、检测、隐蔽工程验收、技术复核、质量评定和技术资料收集工作。6测量员负责整个工程测量工作,确保桩位正确,桩身垂直。材料合格证书验收第4页共25页第3页共25页编号:时间:2021年x月x日书山有路勤为径,学海无涯苦作舟页码:第4页共25页三施工方案3.1.施工工艺与施工原则本工程沉桩,采用静力压入沉桩法施工,该工法无躁音、无震动、工效快,对桩的保护性好。施工原则:严格按照国家颁布的规程、规范、技术标准及设计图纸组织施工。3.2.施工配备3.2.1.施工机械配备施工机械配备表序号设备名称规格型号单位数量功率(kw用途1柴油打桩机DD6.3台172打桩2全站仪SET210台1测放控制点3经纬仪J2台3测放桩位4经纬仪T6台6测垂直度5水准仪DS3台3控制标高6电焊机YD-350KR2台6接桩7送桩杆Φ400根3送桩8钢卷尺JGW-50850m把3放线3.2.2.施工劳动力配备第5页共25页第4页共25页编号:时间:2021年x月x日书山有路勤为径,学海无涯苦作舟页码:第5页共25页压桩机劳动力计划表序号工种单位数量备注1队长人12测量员人13起重指挥人2一班制4桩机司机人2一班制5电焊工人2一班制合计人83.2.3.施工材料配备材料用量计划表序号名称规格型号单位数量备注1液压油N68吨52CO2气体瓶603焊丝ER50-6吨34氧气瓶105乙炔瓶56电缆线40mm2m8007管桩PHC400根16773.2.4.施工场地准备3.2.4.1.施工场地应用推土机推平压实,地耐力应大于12吨/米2。3.2.4.2.铺设施工道路,以保证运桩车辆通行,施工道路宽5米,厚0.5米,铺垫建筑垃圾。(具体位置见施工平面图)3.2.4.3.为保证雨季正常施工,在浇筑施工道路时予埋排水管,将污水排入新通波塘河中。3.2.4.4.总用电量为400KW,采用自备配...

1、当您付费下载文档后,您只拥有了使用权限,并不意味着购买了版权,文档只能用于自身使用,不得用于其他商业用途(如 [转卖]进行直接盈利或[编辑后售卖]进行间接盈利)。
2、本站所有内容均由合作方或网友上传,本站不对文档的完整性、权威性及其观点立场正确性做任何保证或承诺!文档内容仅供研究参考,付费前请自行鉴别。
3、如文档内容存在违规,或者侵犯商业秘密、侵犯著作权等,请点击“违规举报”。

碎片内容

静力压入沉桩法打桩施工组织设计

确认删除?
VIP
微信客服
  • 扫码咨询
会员Q群
  • 会员专属群点击这里加入QQ群
客服邮箱
回到顶部